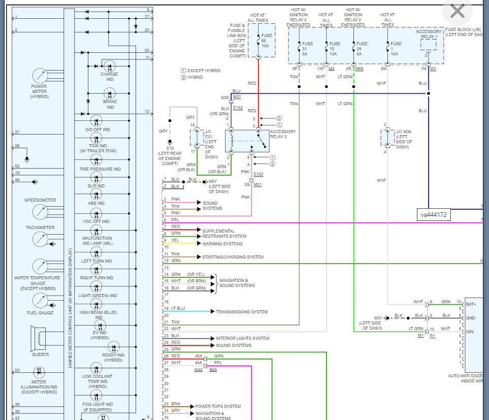
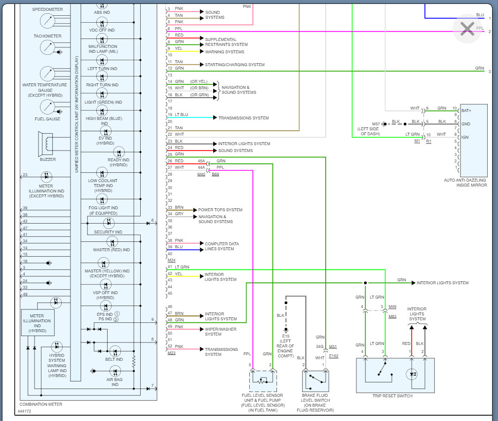
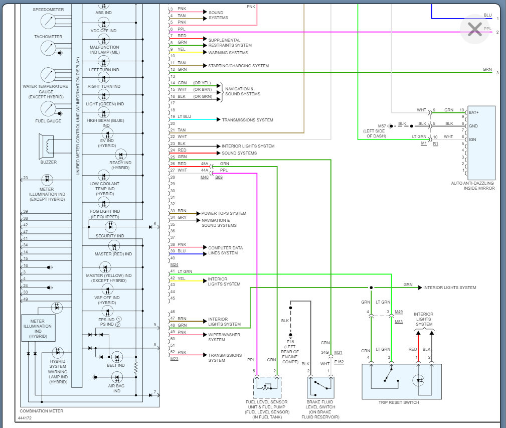
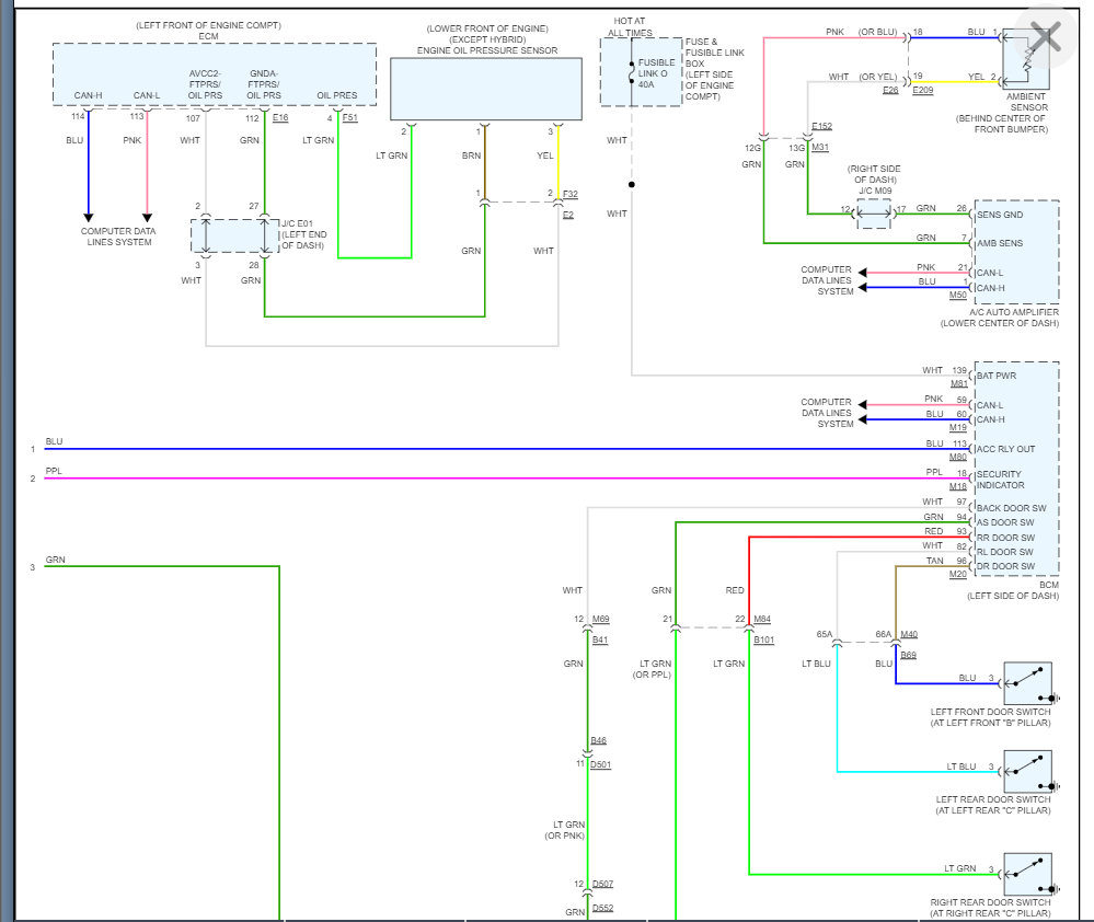
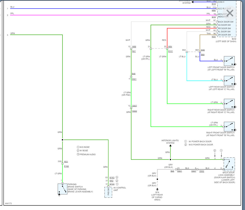
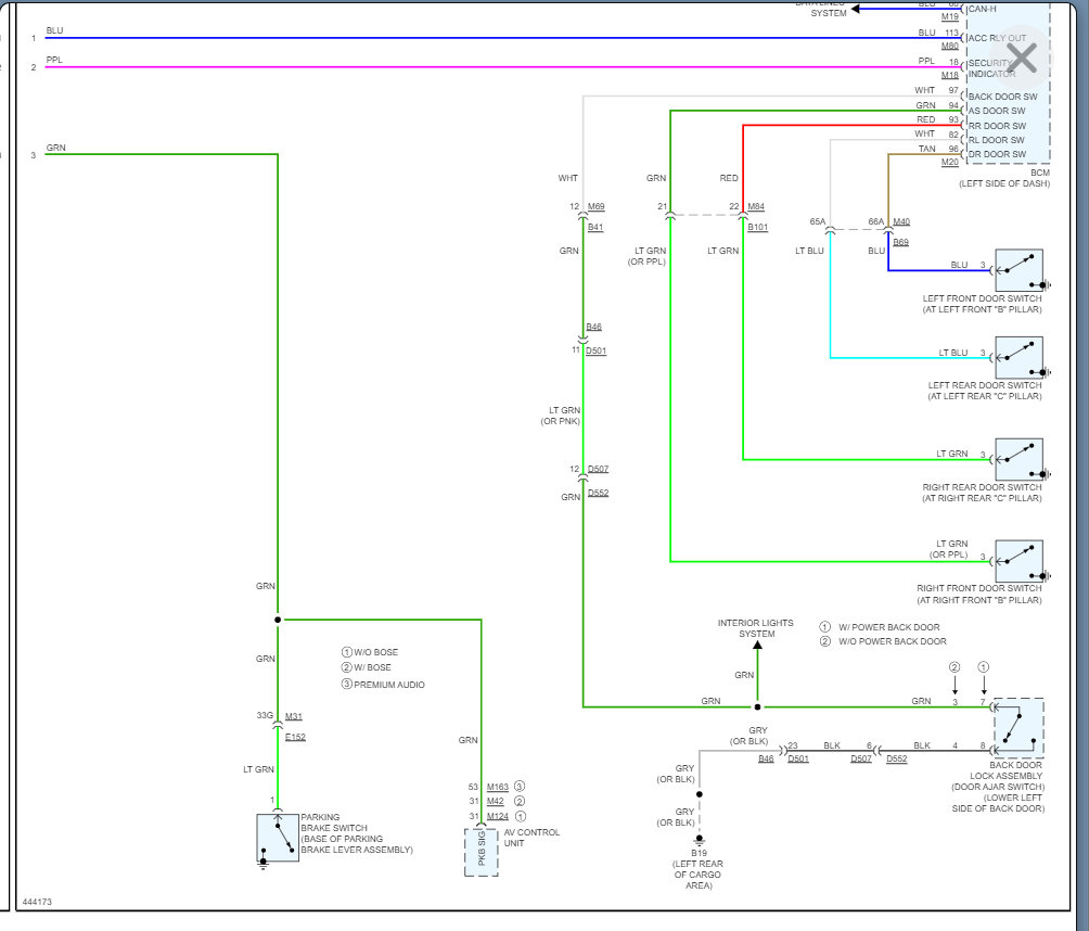
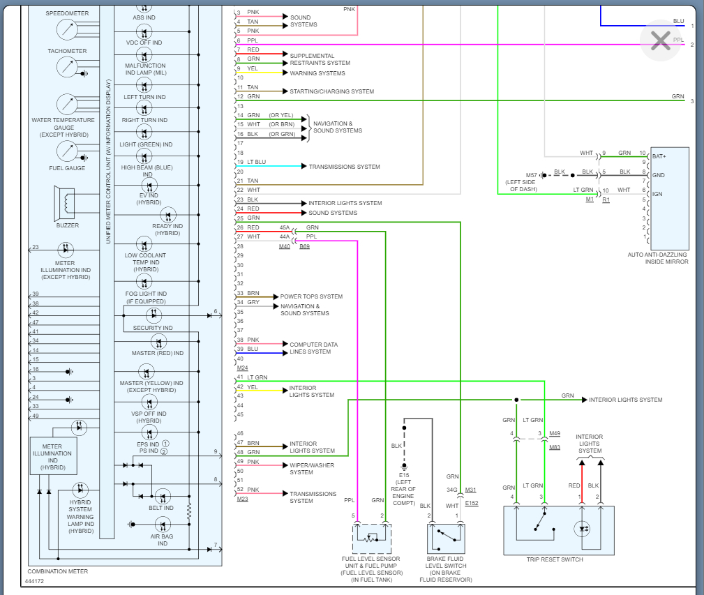
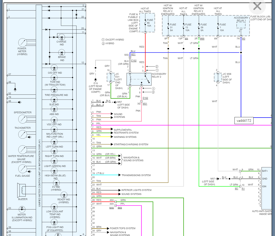
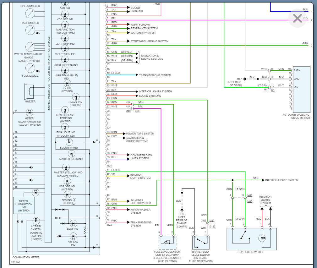
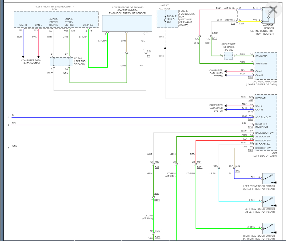
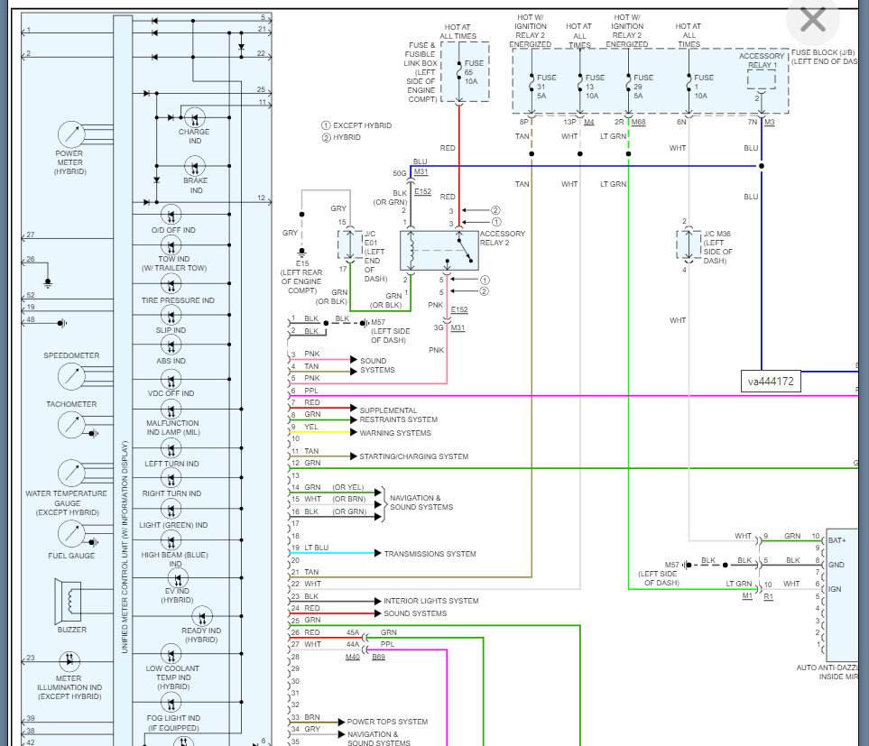
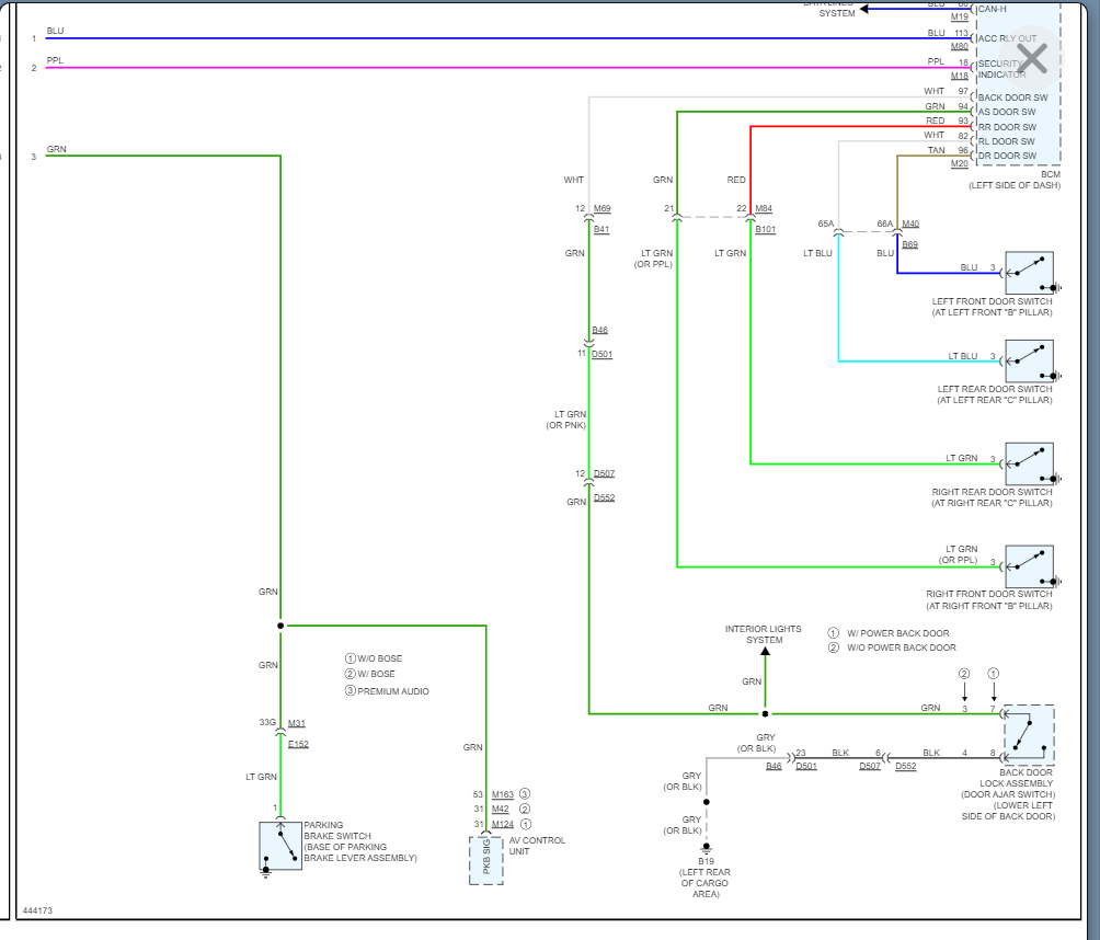
It's for the vehicle listed above SL model, 3.5L, six cylinder. You have responded before to this exact question with "It sounds like you have a problem with the CAN (computer area network) which needs to be scanned. It also can be one of four fuses can be out (15, 65, 30 and 29) in the interior fuse panel" but my question is, where is fuse 15, 65, 30, and 29 located at?
Monday, March 21st, 2022 AT 3:03 PM








