Where is the BCM Located?

Tiny
FSIMMONS1946
  • MEMBER
  • 2001 CHEVROLET TRACKER
  • 2.0L
  • 4 CYL
  • 2WD
  • MANUAL
  • 90,000 MILES
Looking for the Body Control Module (BCM). My vehicle has minimum options, but I cannot locate the BCM.
Sunday, January 22nd, 2023 AT 10:12 PM

3 Replies

Tiny
STEVE W.
  • MECHANIC
  • 15,671 POSTS
That is because it doesn't actually have one. Suzuki used individual systems instead of a BCM on those, so when GM set up their joint venture with them, they didn't really change much. That made them one of the simplest vehicles on the market at the time. It's one of the reasons why the 4X4 models are highly sought after as well. They are a rugged little vehicle that do not have a lot of extra fluff.
The Powertrain module though is under the dash on the passenger's side.
Was this
answer
helpful?
Yes
No
+1
Monday, January 23rd, 2023 AT 7:02 AM
Tiny
FSIMMONS1946
  • MEMBER
  • 2 POSTS
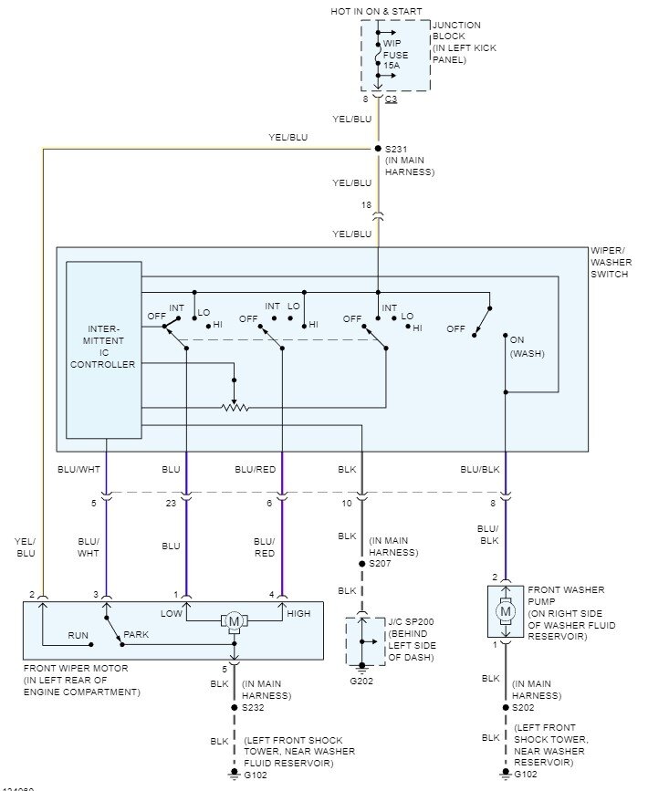
Okay, thanks for your reply! I have a follow up question concerning the same 2001 Chevy Tracker. Changing out the existing steering column for one from a a ZR2 Tracker that has tilt and sequential wipers. Will the sequential wipers automatically work since I don’t have a BCM? The existing column only had 2 speed wipers.
Was this
answer
helpful?
Yes
No
Tuesday, January 31st, 2023 AT 10:51 AM
Tiny
STEVE W.
  • MECHANIC
  • 15,671 POSTS
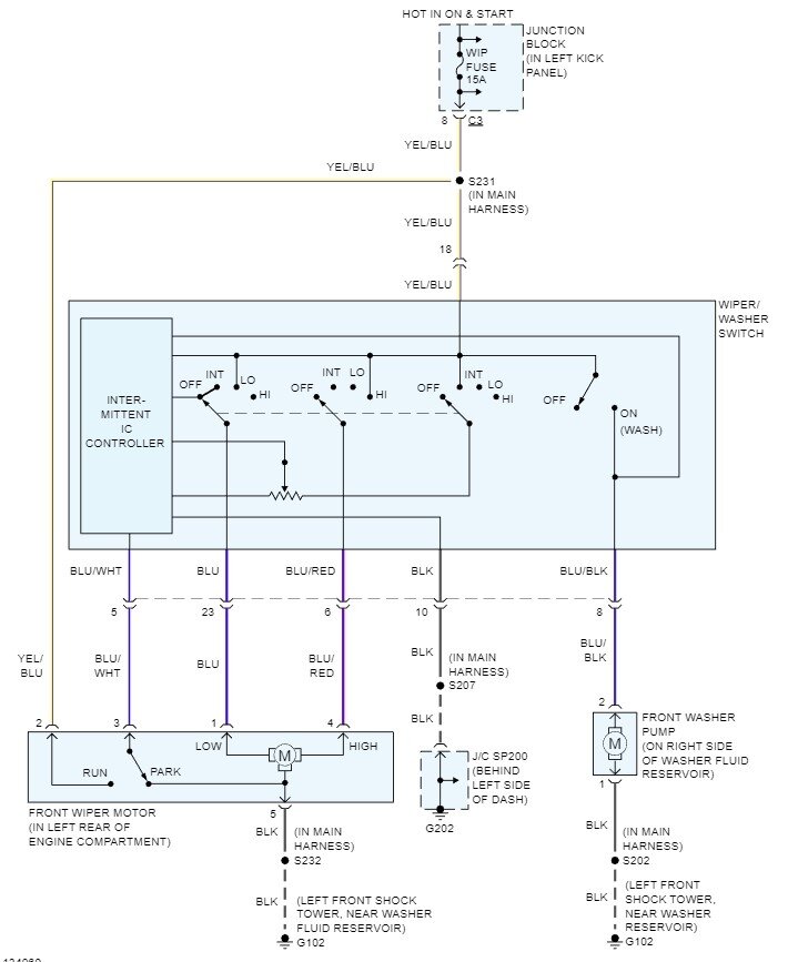
Well, looking at the service info it shows that they have the intermittent wipers stock. So, in theory they might. They show the connector as 5 pins, if you have that connector and those colors the switch should give you the intermittent wipers.
Was this
answer
helpful?
Yes
No
Tuesday, January 31st, 2023 AT 12:26 PM

Please login or register to post a reply.