Wiring diagram needed for the BCM and the doors, including ajar switches and actuators, driver seat heater and motors and the wiring in.

Tiny
AIRICKZOWPA
  • MEMBER
  • 2003 CHEVROLET TAHOE
  • 5.3L
  • V8
  • 4WD
  • AUTOMATIC
  • 245,000 MILES
Former auto tech but been away for 15 years. My "Passenger Rear Door Ajar" message is always displayed. My driver seat no longer moves and no longer heats.
I have checked the basics, fuses, connectors etc.
I am looking for accurate wiring diagrams for my vehicle listed above, specifically for the BCM and the doors, including ajar switches and actuators, driver seat heater and motors and the wiring in between it and the BCM as well.
I suspect my BCM is shorted internally, but I don't have the money to just throw one in and have it programmed in the "hopes" that it fixes my issues.
Monday, December 30th, 2024 AT 1:58 PM

5 Replies

Tiny
KEN L
  • MASTER CERTIFIED MECHANIC
  • 55,522 POSTS
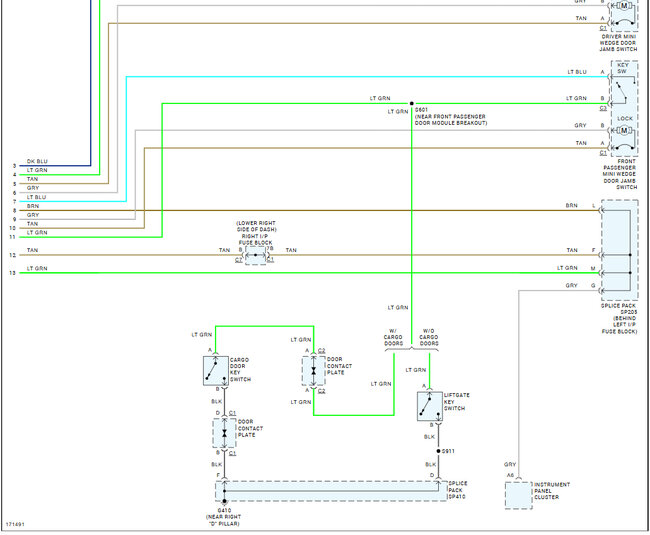
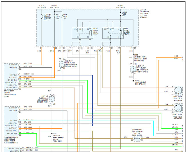
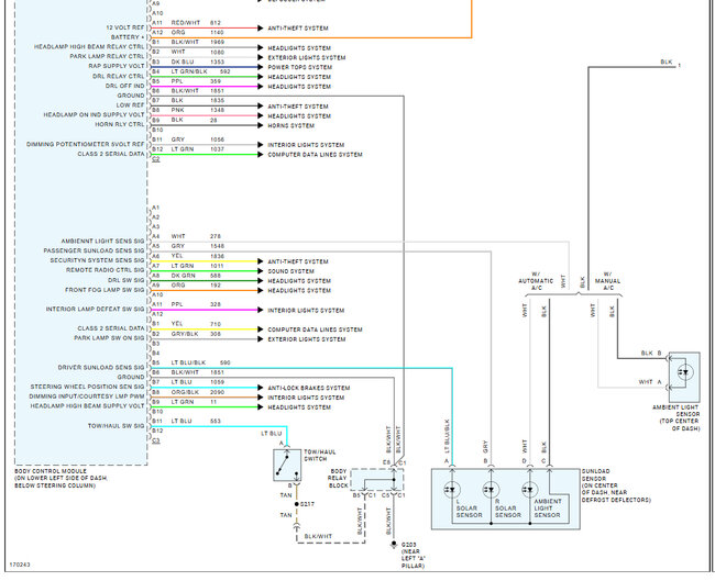
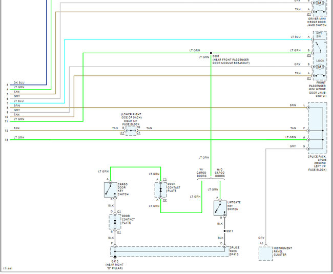
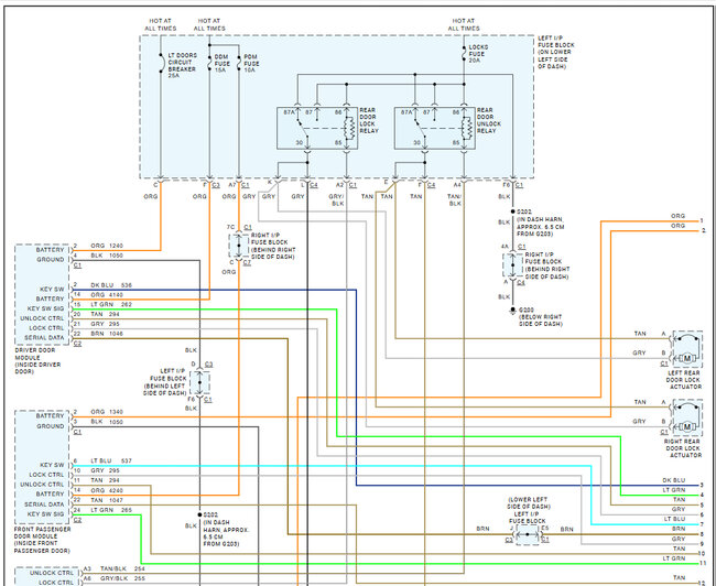
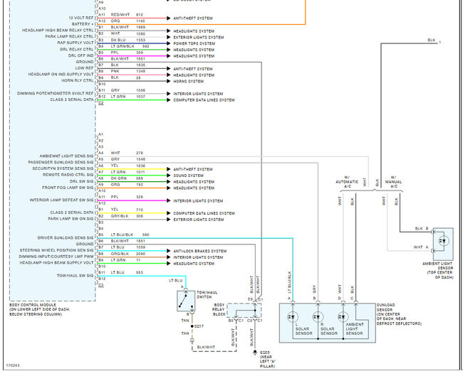
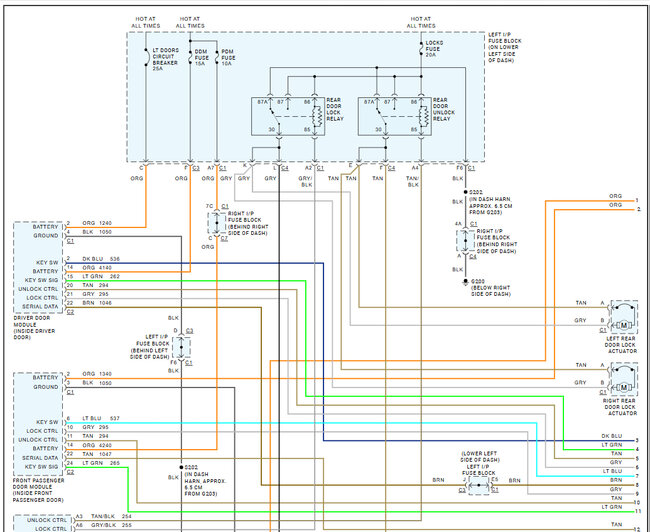
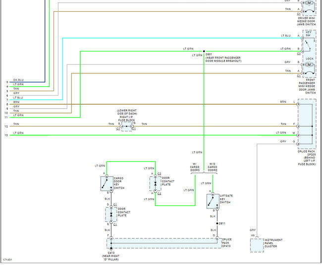
This sounds like the DDM is out, but here is the BCM and door lock wiring diagrams so you can go over the outputs and inputs. Also, did you try a CAN scan which can help give you the codes for a bad DDM? You can get a CAN scanner (Controller Area Network) which will work on most cars from Amazon.

Here is a video to show you how:

https://youtu.be/u-4syLc-ifQ

As you can see the BCM does not have much to do with the door locks. Check out the images (below). Please let us know what happens.
Was this
answer
helpful?
Yes
No
Tuesday, December 31st, 2024 AT 5:46 PM
Tiny
AIRICKZOWPA
  • MEMBER
  • 3 POSTS
Thanks for the reply. I should have clarified, these are 2 separate issues that happened at 2 separate times. I was an ASE Tech certified in Brakes and S&S, electrical diagnosis was not my forte.
Issue "A":
Roughly 5 years ago, the Pass Rear Door Ajar issue started, at first it was VEY random, but eventually it became permanent.
Issue "B":
Then approx 2 years ago the Driver Seat stopped moving or responding to ANY position switch input as well as at that time, the Driver Seat Heaters stopped working.

Issue A- Please tell me if my logic is correct.
Today, I went and checked the voltage readings at the BCM Connector C6 terminals a2 (RR Door Ajar) and a3 (LR Door Ajar). Since the LR Door Ajar switch is known to work properly, I got a baseline from it.
With the LR door closed, the voltage at a3 is 10.7v, opening the door causes this to drop to 0.0v
The voltage at a2 (for the RR door) is 0.5v and drops to 0.0v when opening the door.
To confirm proper operation of the switches, I swapped the terminals a2 and a3. With ck#748 (for RR door) plugged into terminal a3, the vehicle recognized the LR Door being opened when I opened the RR door. In my opinion, this confirmed proper switch function in the rear doors.

Issue B- Thinking of plugging in a new DDM/Switch and see if that solves the seat movement and heater issue. What is bizarre is that the adjustable pedals work fine and that switch plugs into the DDM.
Was this
answer
helpful?
Yes
No
Sunday, January 5th, 2025 AT 4:54 PM
Tiny
KEN L
  • MASTER CERTIFIED MECHANIC
  • 55,522 POSTS
The Pass Rear Door Ajar sounds like the latch is bad and I would try the DDM unplugging and check for corrosion on the connector and if okay I would replace the DDM.
Was this
answer
helpful?
Yes
No
Monday, January 6th, 2025 AT 10:06 AM
Tiny
AIRICKZOWPA
  • MEMBER
  • 3 POSTS
I checked the connections as well as the power/ground/fuses etc, and then replaced the DDM. No change.
Was this
answer
helpful?
Yes
No
Thursday, January 9th, 2025 AT 4:09 PM
Tiny
KEN L
  • MASTER CERTIFIED MECHANIC
  • 55,522 POSTS
Hmm, "My driver seat no longer moves" do you have power to the ORG wire at the seat movement controls?
Was this
answer
helpful?
Yes
No
Friday, January 10th, 2025 AT 9:30 AM

Please login or register to post a reply.