BCM need to know where mine is located?

Tiny
RICHARD8L
  • MEMBER
  • 2002 PONTIAC BONNEVILLE
  • 3.8L
  • 6 CYL
  • 2WD
  • AUTOMATIC
  • 290,000 MILES
Watched your BCM replacement video on YouTube and need to know where mine is located. I want to remove the piezo element from the BCM to eliminate the chimes ever going off. Need to know where located an if I have to reprogram it if I remove the piezo element and reinstall the BCM?
Monday, March 2nd, 2026 AT 12:55 PM

7 Replies

Tiny
STEVE W.
  • MECHANIC
  • 15,691 POSTS
Your car doesn't have a single BCM it instead has three modules that share the PCM duties. The Dash Integration Module, the Instrument Panel Module and the Rear Integration Module. However none of those sounds the chime, those come through the radio speakers. The various chimes start out at the switches and sensors, the data goes onto the data buss to the DIM which then sends a request for whichever chime note is requested. The radio then creates the correct chime from the table in it and sends the tone out to the speakers. There is no element that can be removed and there is no way to program out the chimes as they are not in the software but hardware (the chime info is part of the radios chipset)
Was this
answer
helpful?
Yes
No
Monday, March 2nd, 2026 AT 3:27 PM
Tiny
RICHARD8L
  • MEMBER
  • 4 POSTS
Thanks Steve W. Will disconnecting the radio then eliminate the chimes?
If there is no BCM, I wonder why Napa sells them for my car? See attached NAPA screenshot. Rock Auto sells one too.
Was this
answer
helpful?
Yes
No
Tuesday, March 3rd, 2026 AT 2:32 AM
Tiny
STEVE W.
  • MECHANIC
  • 15,691 POSTS
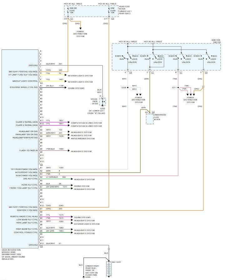
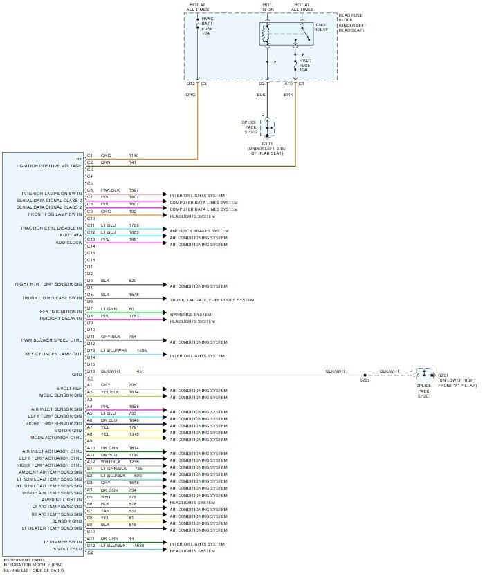
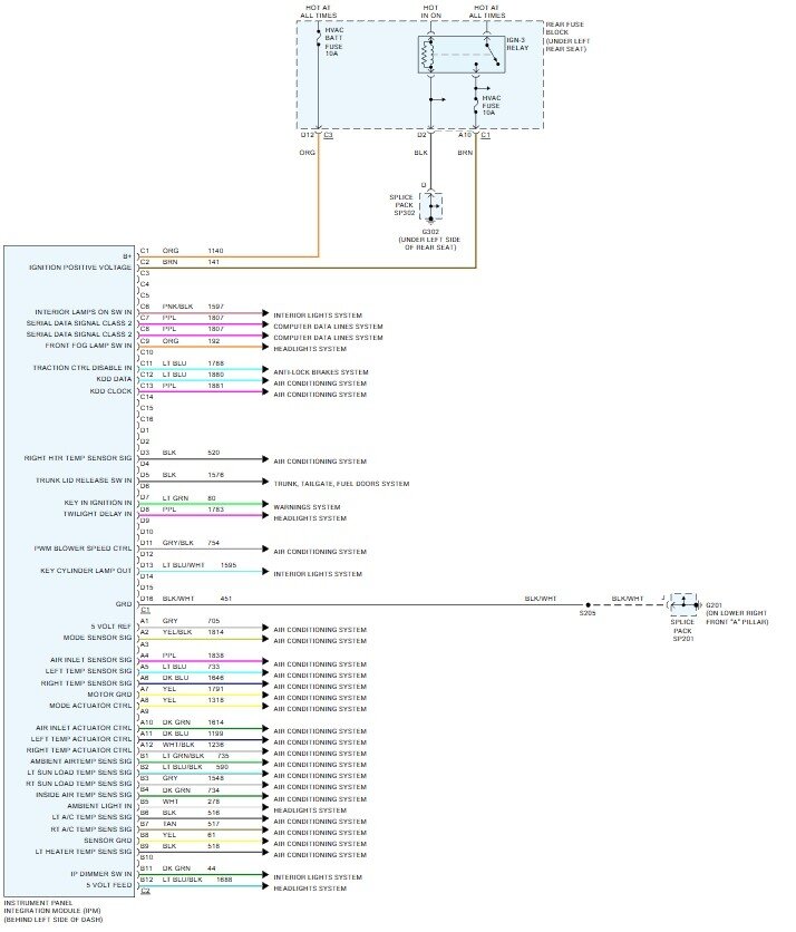
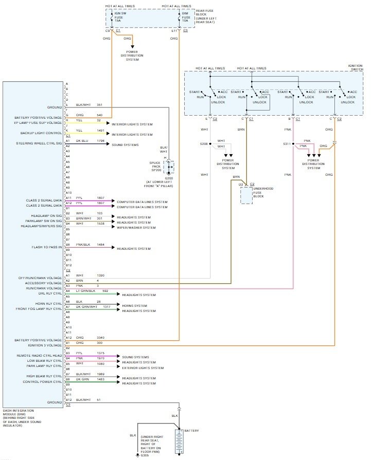
The part they sell as the BCM is actually the DIM, the Dash Integration Module. It's one of the three modules that control the body systems and one that is the most failure prone. Attached are the three circuit diagrams for the modules. In a vehicle with a single module BCM they integrate the three systems into more of a single module with maybe one or two specific functions as a different module depending on the options. Might I ask why you want to eliminate the chimes so much? Not a common issue that is asked. Depending on which chime it would stop them if you fully disconnect the radio, but then you are left with none of the important warning chimes either. If they are constantly going off there is usually some failure involved.
Was this
answer
helpful?
Yes
No
Tuesday, March 3rd, 2026 AT 3:15 AM
Tiny
RICHARD8L
  • MEMBER
  • 4 POSTS
The airbag light comes on quite regularly at which time the chime sounds. It's a real pain and I am not going to spend the time or money to troubleshoot and repair an airbag that I would rather not even have. I've been wearing a seat belt since I installed my own in my 59 Chevy back in 1964.
Was this
answer
helpful?
Yes
No
Sunday, March 8th, 2026 AT 5:12 PM
Tiny
STEVE W.
  • MECHANIC
  • 15,691 POSTS
Just use a scan tool to see which bag is setting the code. Takes about 30 seconds to track down the problem. Then see what it actually is, With an 02 it could be the clock spring in the column, but testing would easily show that. Safer to repair it than have the bag go off unexpectedly.
Was this
answer
helpful?
Yes
No
Sunday, March 8th, 2026 AT 8:12 PM
Tiny
RICHARD8L
  • MEMBER
  • 4 POSTS
I took your advice and ordered a scan tool. A Foxwell Auto Master Pro. It is supposed to work on my diesel truck too. Once I figure out how to use it, I will get back to you with the results. The chime had been coming on more often and I discovered the oil pressure gauge was reading zero. Pontiac hid the gauge at the lower left of the instrument panel so I had to look for it. Replaced the oil sensor and that problem with the chime went away.
Was this
answer
helpful?
Yes
No
Sunday, March 22nd, 2026 AT 4:18 AM
Tiny
STEVE W.
  • MECHANIC
  • 15,691 POSTS
Good that you found the source of the problem for the oil pressure. Take your time.
Was this
answer
helpful?
Yes
No
Sunday, March 22nd, 2026 AT 7:58 AM

Please login or register to post a reply.