Where is the BCM located?

Tiny
CUSFO
  • MEMBER
  • 2004 JEEP GRAND CHEROKEE
  • 4.0L
  • 6 CYL
  • 2WD
  • AUTOMATIC
  • 107,500 MILES
Power windows, doors, mirror on passenger side not working.
Wednesday, June 1st, 2022 AT 8:21 AM

1 Reply

Tiny
KASEKENNY
  • MECHANIC
  • 18,907 POSTS
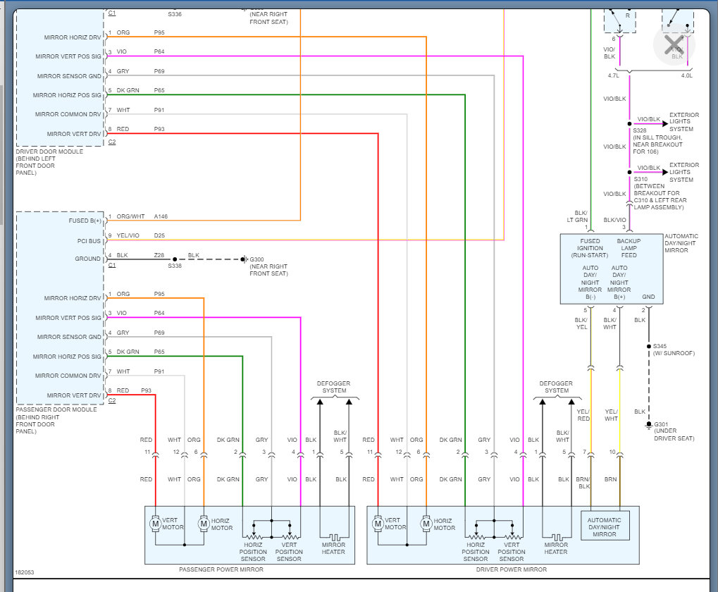
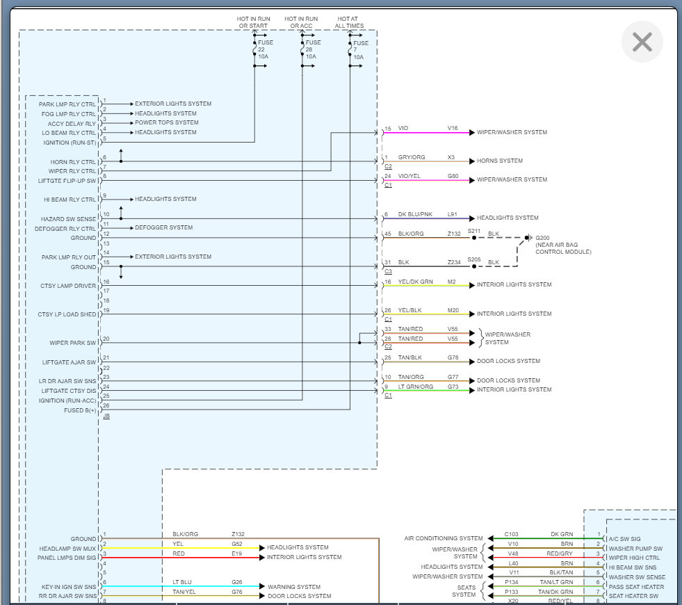
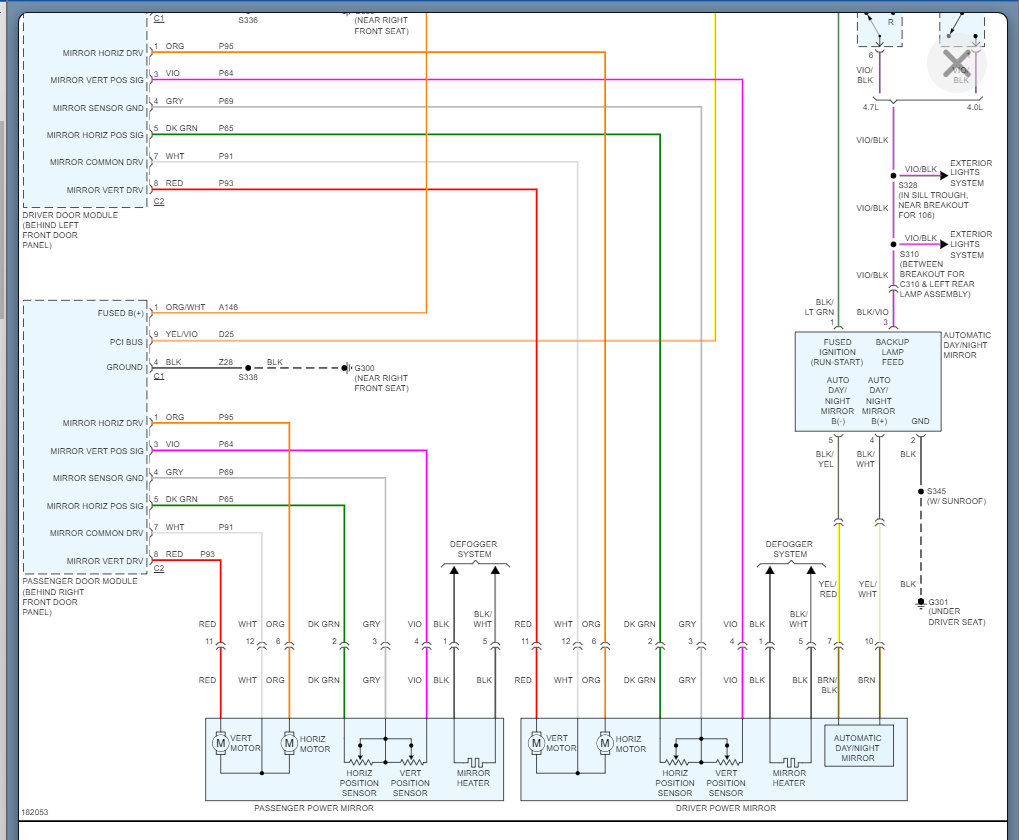
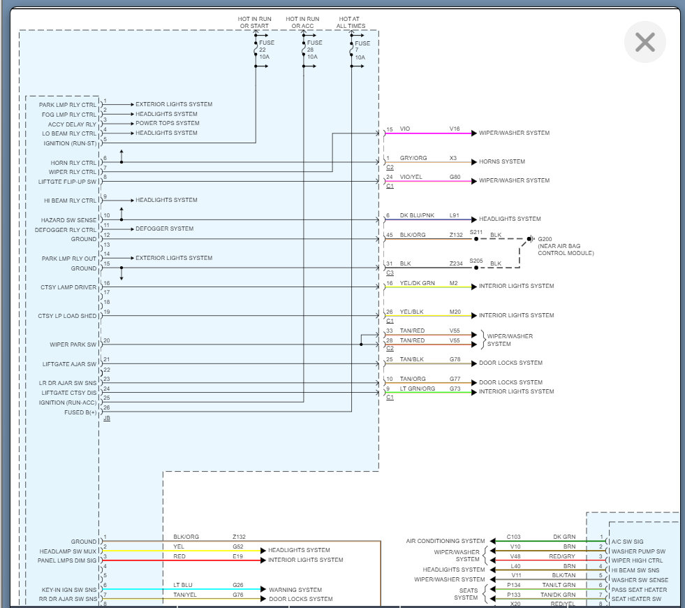
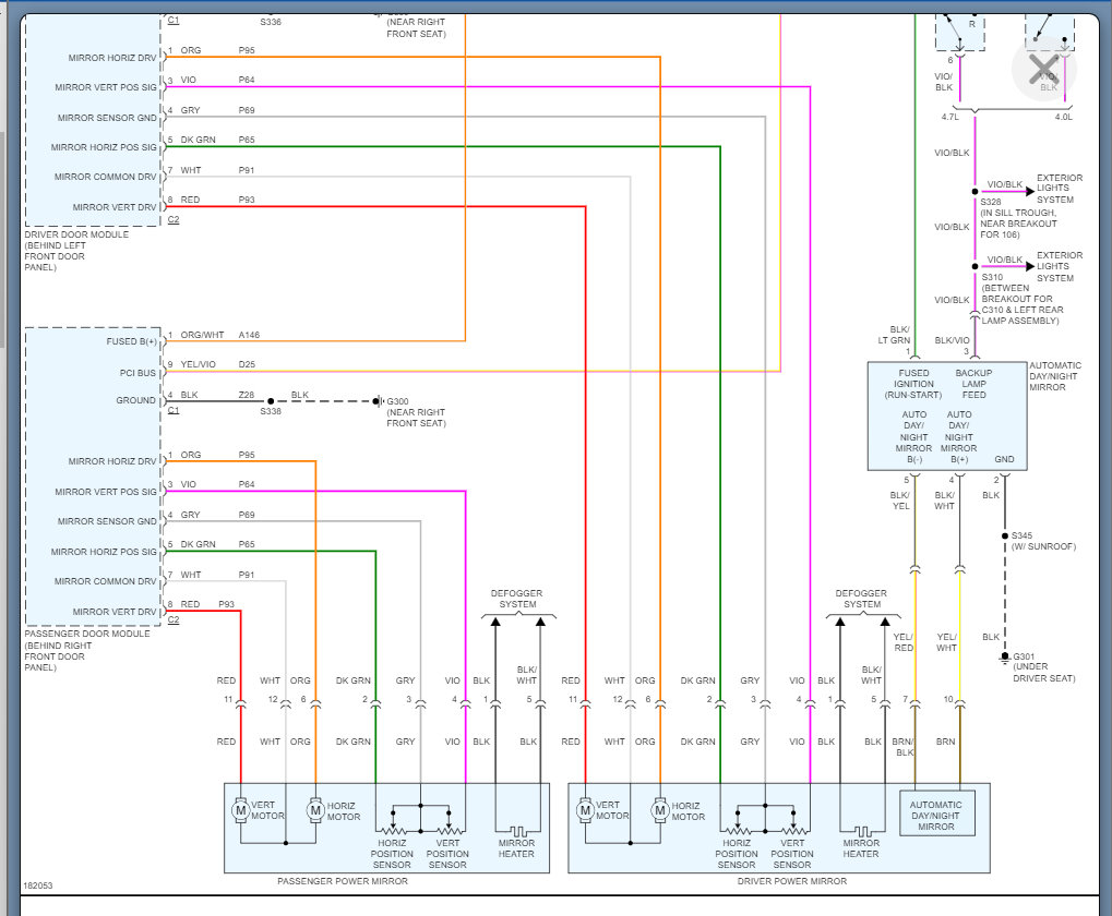
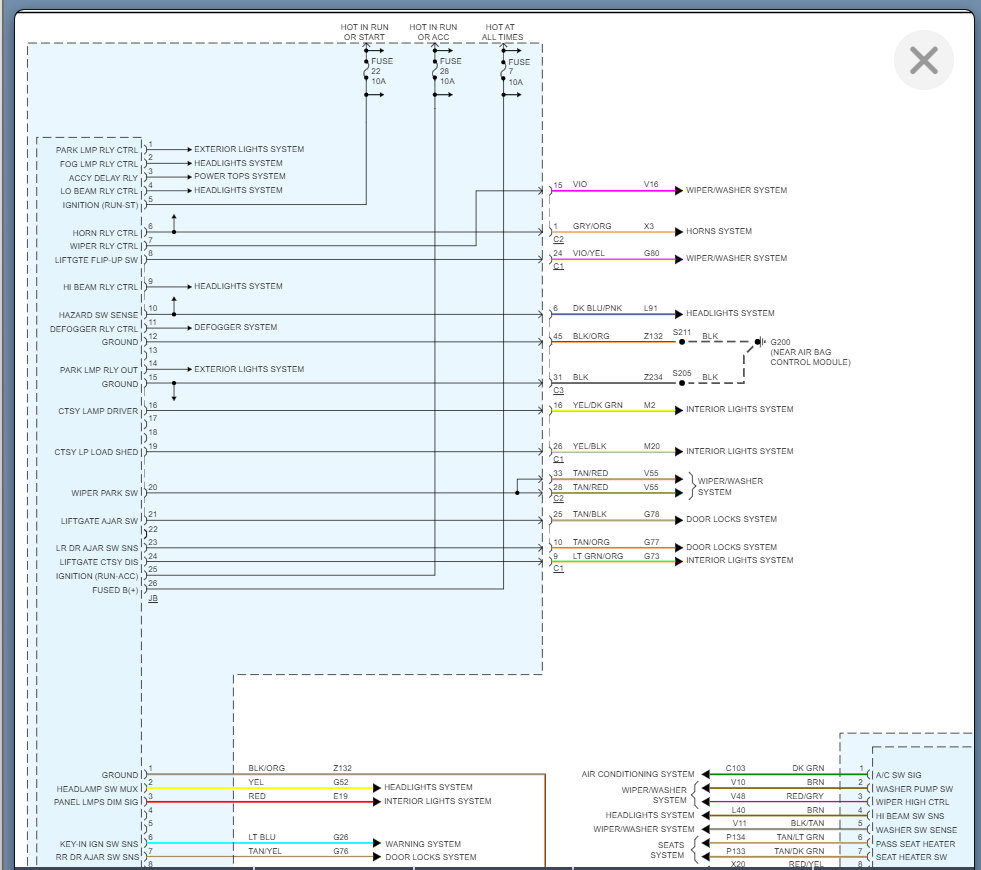
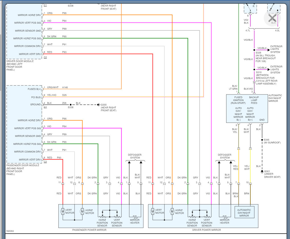
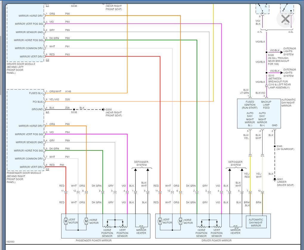
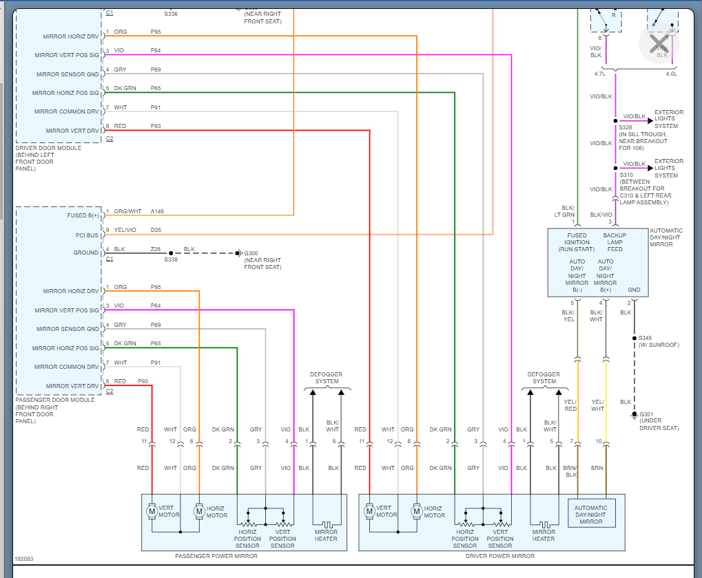
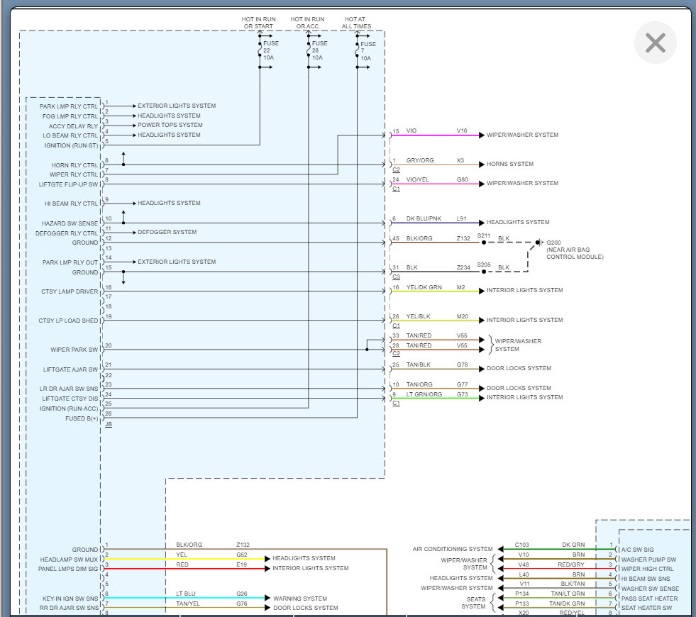
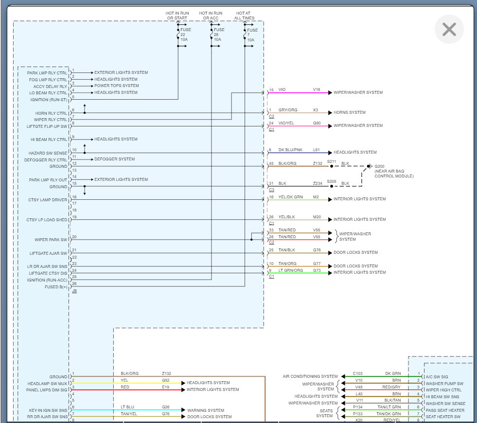
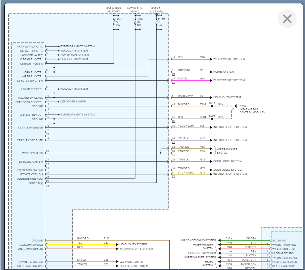
I am attaching the info on the BCM for this vehicle.

However, I would suggest testing the voltage on one of these things that is not working because it is most likely not the BCM.

This vehicle has a door module that will control each of these items so I would pick the mirror and see if you have voltage coming out of the PDM but voltage going in to the PDM from the switch.

https://www.2carpros.com/articles/how-to-check-wiring

I am attaching the info below on this for your review.

Let me know if you have questions on this.

Thanks
Was this
answer
helpful?
Yes
No
+1
Wednesday, June 1st, 2022 AT 1:08 PM

Please login or register to post a reply.