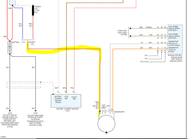
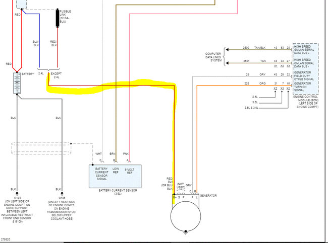
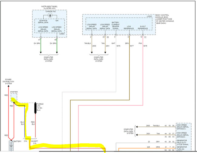
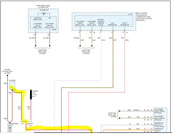
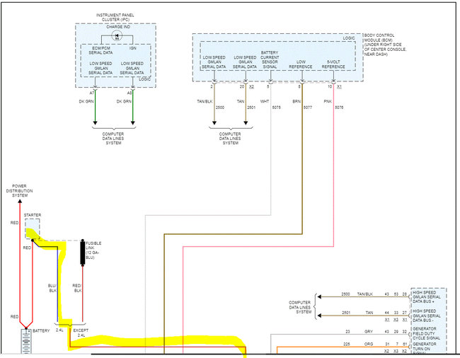
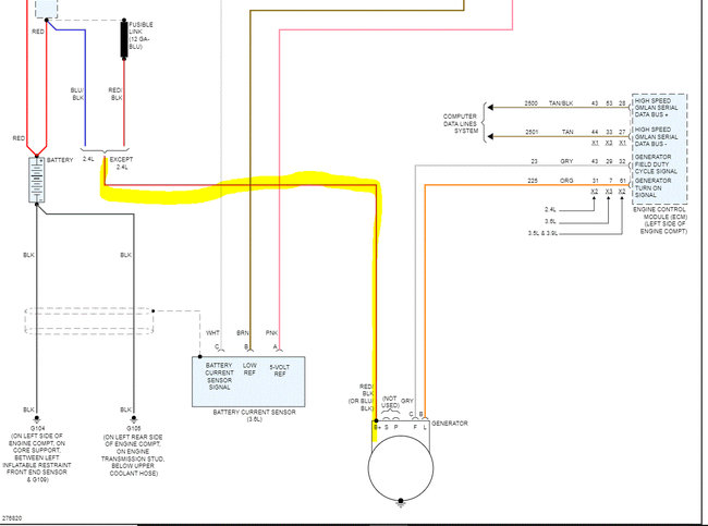
Had starter replaced. Battery light was on afterwards and car shut off while driving. Battery was drained. Had it recharged and it tested good. Alternator tested good. New starter tested good. Double checked wiring from starter and realized ground wire was connected to wrong place. Fixed that problem and double checked all other wire connections.
Car starts but battery light is still on, and I’m scared to drive and be stranded again.
What am I missing?
Car starts but battery light is still on, and I’m scared to drive and be stranded again.
What am I missing?
Nov 8, 2021 at 4:39 PM

