Battery light lit on dash

Tiny
MAILIBU1955
  • MEMBER
  • 2013 FORD FUSION
  • 2.0L
  • 4 CYL
  • TURBO
  • FWD
  • AUTOMATIC
  • 15,000 MILES
Alternator out put is 12.5. BENCH TEST alternator and it is functioning properly. Is there a repair I can perform with out taking the car to a dealer?Note, I've installed a different alternator with no improvement.
Friday, February 5th, 2016 AT 4:49 PM

9 Replies

Tiny
MHPAUTOS
  • MECHANIC
  • 31,937 POSTS
If no output itg will be either an internal short in the winding, faulty voltage reg or a blown diode in the rectifier, if it is only at 12.5 V on a bench test it must be an internal fault, and was this a test done with a proper alternator tester, or did you just spin it up?
Was this
answer
helpful?
Yes
No
Saturday, February 6th, 2016 AT 12:02 AM
Tiny
MAILIBU1955
  • MEMBER
  • 76 POSTS
Thanks for your interest. When the dash light first came on I used a volt battery tester on the battery. I load tested the battery. The battery tested good. With the same tester on the battery I checked voltage output and the voltage was about 12.5 volts. With very little change with RPM increase. I immediately replaced the alternator with no improvement. Keep in mind this car has only 15000 miles. I take the alternator apart bench tested everything. All tested good. I spoke to the Ford dealer. They said, for a $100. Dollars they would program the alternator to the car. That does not explain what happened. Presently I've taken the original alternator to a well known electrical repair shop (specializing in alternator overhauls ) he tested all part( I brought it to him disassembled) and all tested good. He reassembled and bench tested it, All was good. Hope you have an answer, Thanks, Bob
Was this
answer
helpful?
Yes
No
Saturday, February 6th, 2016 AT 2:06 PM
Tiny
CJ MEDEVAC
  • MECHANIC
  • 11,005 POSTS
DIFFERENT GUY

TEST THE BATTERY VOLTAGE W/ CAR OFF AT THE BATTERY TERMINALS

THEN DO THE EXACT SAME TEST/ THIS TIME WITH THE VEHICLE RUNNING

IF THERE IS NO IMPROVEMENT TO THE VOLTAGE ON THE VOLTMETER

THIS MIGHT BE SOME POSSIBILITIES

THE ALTERNATOR MAY BE BAD!

OR IT COULD BE GOOD! EXCEPT THE FOLLOWING COULD BE HAPPENING PREVENTING THE ALTERNATOR FROM REACHING THE BATTERY

CONNECTIONS AT THE BATTERY OR ALTERNATOR MAY BE SUFFERING TO INCLUDE POSSIBLE BROKEN WIRES

BLOWN FUSES IN THE CAR

FRIED FUSIBLE LINKS (MANY TIMES CAUSED FROM CROSSING UP THE JUMPER CABLES WHILE ATTEMPTING A JUMP START)

LET'S GET MR. ALTERNATOR REASSEMBLED AND EITHER TAKE IT TO AN AUTO PARTS STORE FOR A REAL "SPIN UP TEST". IF IT PASSES, BACK ON THE CAR. IF YOU NEED DIAGRAMS OR MORE ASSISTANCE, RETURN TO US WE'LL HELP YOU FIND SOME OF THE STUFF I MENTIONED.

SHOULD YOU NEED A NEW (REMAN IS FINE TOO!) ALTERNATOR, THIS LINK I'M PROVIDING BELOW MAY SAVE YOU $40!

"TRT41" WORKED FOR ME AGAIN, A COUPLE OF DAYS AGO! (REMEMBER THAT THERE ARE OTHER CODES THAT CAN WORK FOR LESSER PURCHASES). "TRT41" WILL KNOCK OFF $40 ON A PURCHASE OVER $100. THE LINK WILL EXPLAIN IT BETTER

https://www.2carpros.com/questions/2001-dodge-neon-milage-just-want-put-fliuds-their-locations

THE MEDIC
Was this
answer
helpful?
Yes
No
Saturday, February 6th, 2016 AT 2:45 PM
Tiny
MAILIBU1955
  • MEMBER
  • 76 POSTS
This sounds interesting. I've used two alternators, Both tested good. I will check wiring. Do you have any wiring inf? Thanks, Bob
Was this
answer
helpful?
Yes
No
Sunday, February 7th, 2016 AT 2:02 PM
Tiny
CJ MEDEVAC
  • MECHANIC
  • 11,005 POSTS
JUST LOOKED FOR CHARGING SYSTEM DIAGRAM IN "PRODEMAND"

SEEMS THEY WANNA KNOW A BUNCH OF INFO TO STEER ME TO THE RIGHT DIAGRAM

LET'S START WITH ENGINE SIZE/ SUB-MODEL/ MANUAL OR AUTOMATIC/ ANY OTHER DESIGNATION YOUR VEHICLE MAY HAVE. SOMETIMES THE VIN WILL CUT THRU ALL OF THE RED TAPE.

THEIR DIAGRAMS ARE REALLY GOOD, THEY SHOW WIRE COLORS, LOCATIONS OF THE COMPONENTS, ETC.

WAITING ON YOUR RESPONSE!

THE MEDIC
Was this
answer
helpful?
Yes
No
Sunday, February 7th, 2016 AT 5:53 PM
Tiny
MAILIBU1955
  • MEMBER
  • 76 POSTS
The VIN is3fa6pok95dr181643, this a 2013 ford fusion titanium front wheel drive. 2.0 engine turbocharged. Auto trans. With 15000 miles. Voltmeter reads 12.5 at battery with engine off. 13.5 voltage with engine running.I appreciate your help.
Was this
answer
helpful?
Yes
No
Tuesday, February 9th, 2016 AT 1:29 PM
Tiny
CJ MEDEVAC
  • MECHANIC
  • 11,005 POSTS
"PRODEMAND" SAYS YOUR VIN AIN'T RIGHT (DON'T MATTER) I USED YOUR OTHER INFO TO LOCATE THE CORRECT DIAGRAM

THANKS, ALL OF THAT INFO WAS VERY HELPFUL!

OK

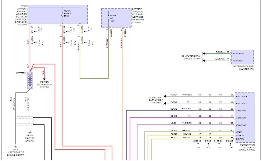
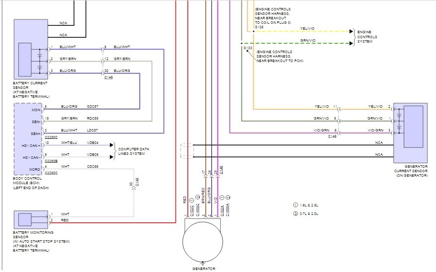
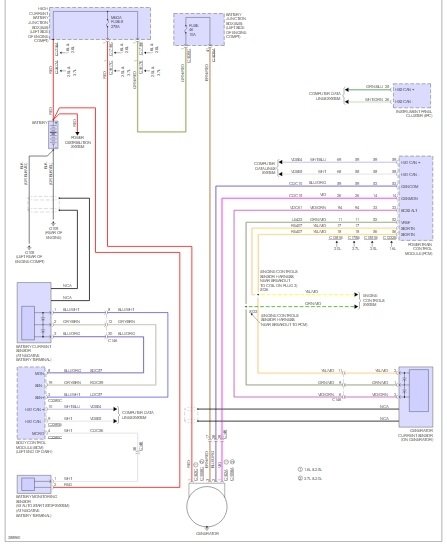
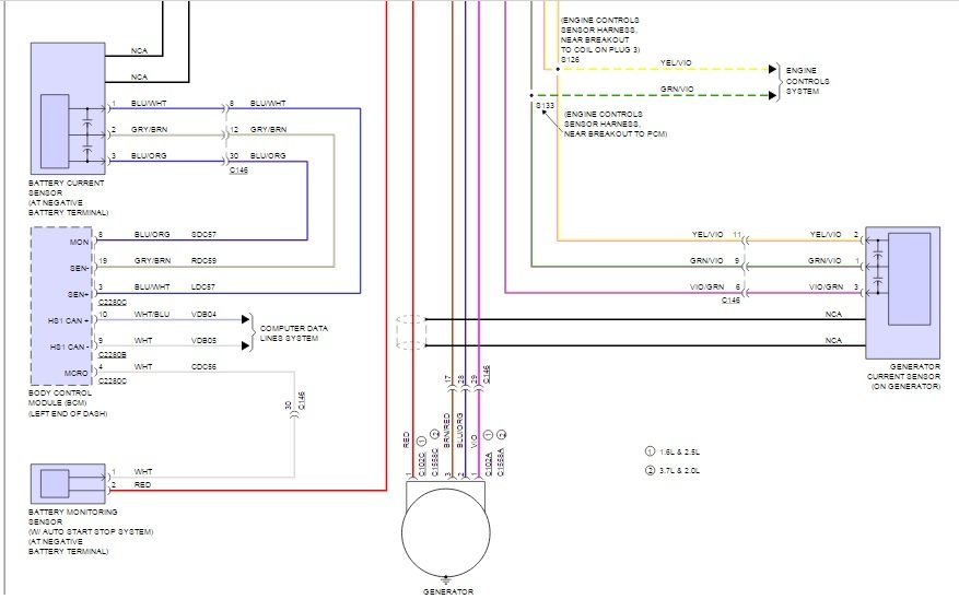
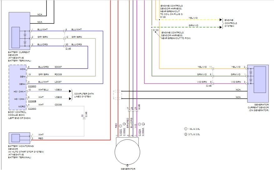
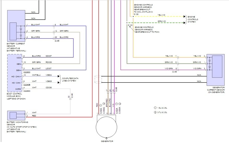
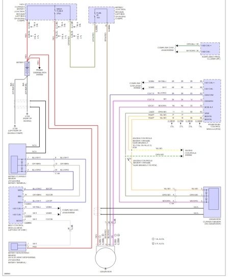
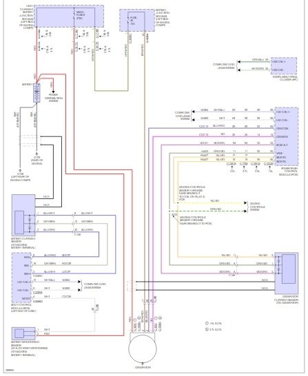
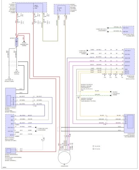
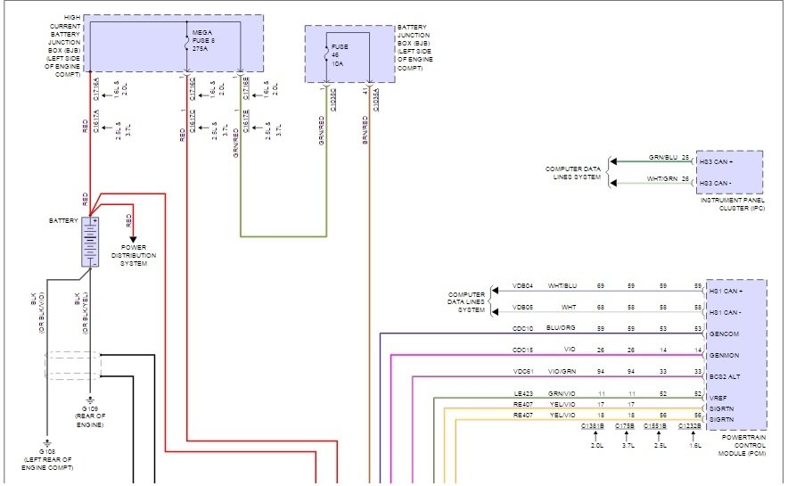
3 DIAGRAMS

1) FULL CHARGING DIAGRAM, PROBABLY TO SMALL TO READ WHEN I POST IT

2) TOP HALF OF THE SAME DIAGRAM

3) BOTTOM HALF OF THE SAME DIAGRAM

MAYBE IT WILL BE BIG ENOUGH TO READ

LEMME KNOW IF THIS HELPS

THE MEDIC
Was this
answer
helpful?
Yes
No
Tuesday, February 9th, 2016 AT 4:30 PM
Tiny
MAILIBU1955
  • MEMBER
  • 76 POSTS
Thanks for the diagrams. I have not been able to read them. Please help. Thanks, Bob
Was this
answer
helpful?
Yes
No
Friday, February 12th, 2016 AT 2:14 PM
Tiny
CJ MEDEVAC
  • MECHANIC
  • 11,005 POSTS
YOU CANNOT SEE THE 2nd AND 3rd DIAGRAMS (WHICH IS THE 1st DIAGRAM CUT IN HALF)?

YOU ARE CLICKING ON THEM TO ENLARGE THEM?

IF YOU ARE ON A COMPUTER, THEY SHOULD SHOW UP PRETTY GOOD!

LEMME KNOW THE DEAL, I'LL SEE IF I CAN DO ANY BETTER IF NEED BE

THE MEDIC
Was this
answer
helpful?
Yes
No
Saturday, April 23rd, 2016 AT 7:46 PM

Please login or register to post a reply.