Thursday, August 24th, 2023 AT 11:48 AM
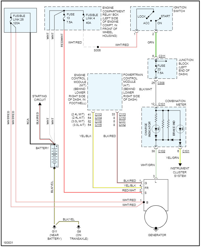
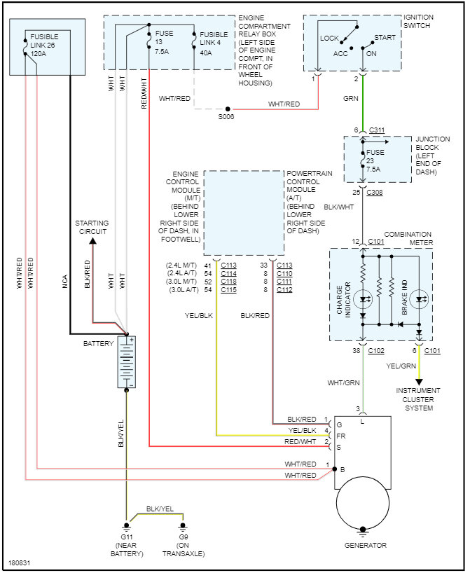
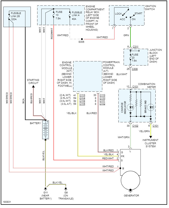
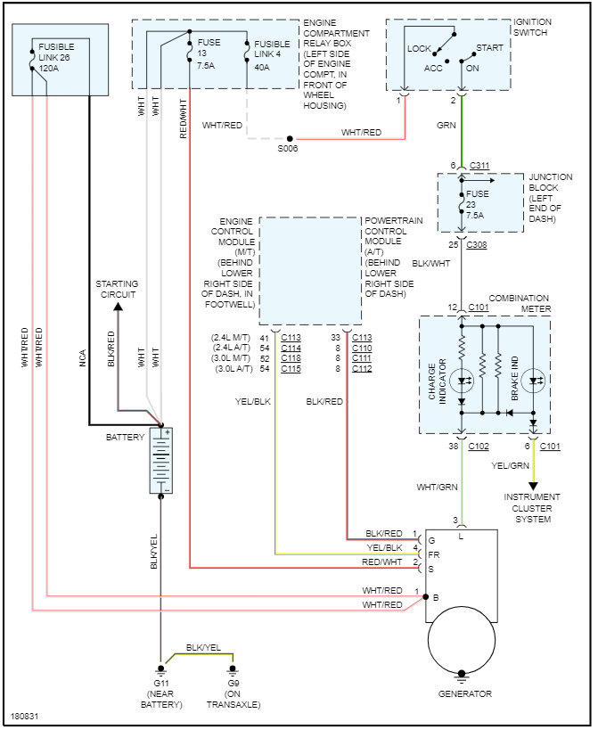
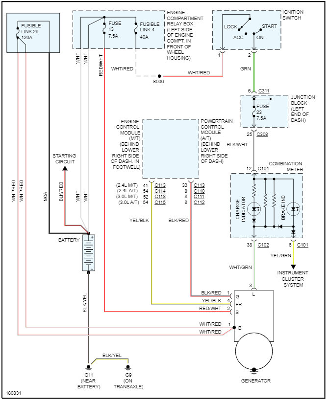
About 2 weeks ago our daughter was driving home and noticed the battery light came on. We have replaced the alternator, the battery, and the ECM. The light is still on. We called the number on the paperwork that came with the ECM, and they told us it sounds like we got a bad ECM. So, we took it back and got another ECM. The battery light is still on. We have no idea what else it could be or why the battery light remains on. Any suggestions or help would be greatly appreciated. Thanks!


