The battery does charge on the Charger but drains when driving?

Tiny
JWM369OG
  • MEMBER
  • 2004 FORD ESCAPE
  • 3.0L
  • V6
  • 2WD
  • AUTOMATIC
  • 190,000 MILES
I replaced the alternator and battery. It was good for two days then the battery light came on again and it's not charging.
Sunday, October 16th, 2022 AT 12:42 PM

1 Reply

Tiny
CARADIODOC
  • MECHANIC
  • 34,489 POSTS
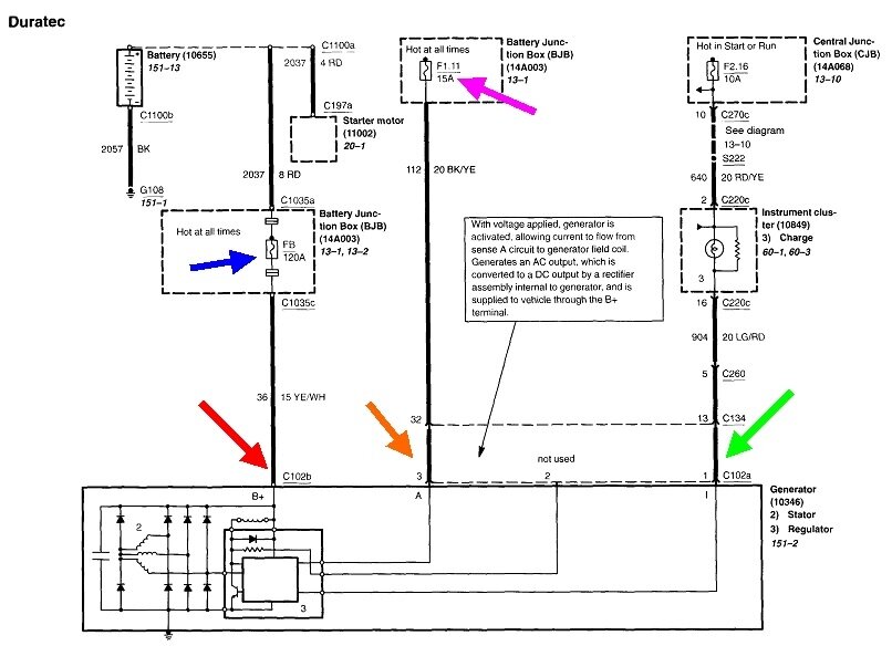
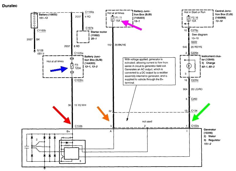
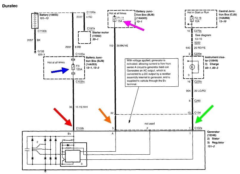
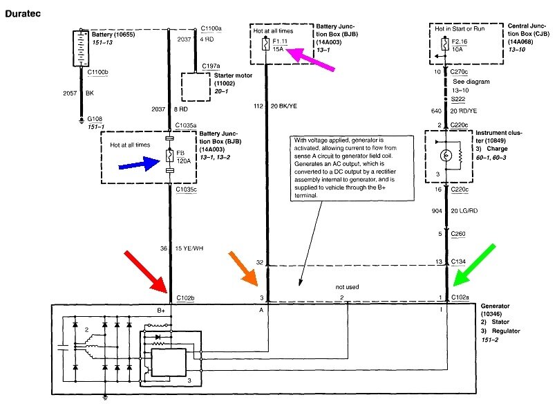
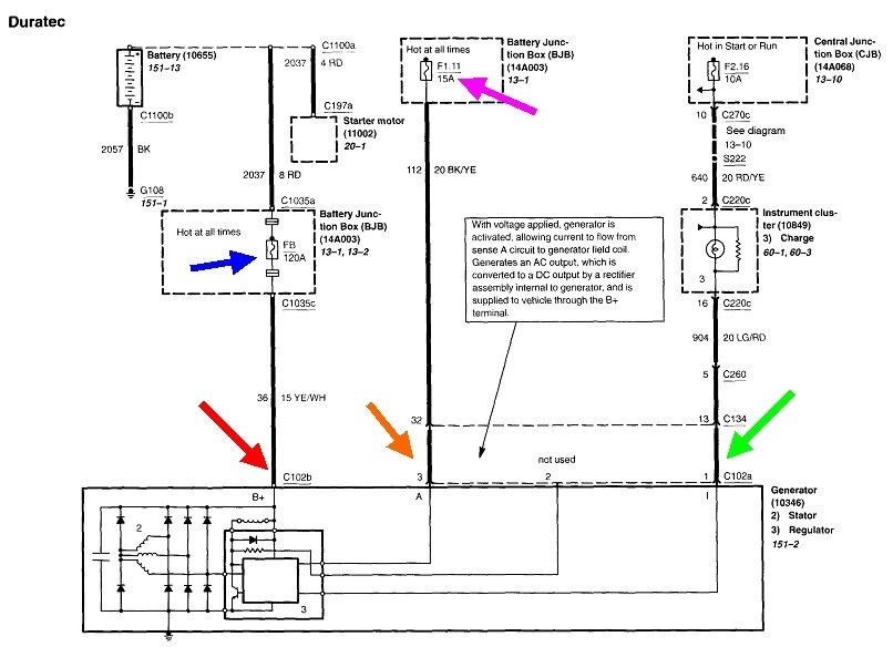
The first step is to observe the "Battery" light on the dash. It should turn on when you turn the ignition switch to "run". That is the circuit that provides the turn-on signal to the voltage regulator. If the light doesn't turn on, we'll need to look at the light green / red wire plugged into the back of the generator.

Next, there must be 12 volts all the time on the other two wires at the back of the generator. You'll need to poke the voltmeter's test probe through the rubber seal alongside the black / yellow wire to take the reading, (orange arrow in the diagram). To be valid, this reading should be taken while the plug is still connected. A test light works well for this test. If you aren't familiar with either one, here's links to some related articles:

https://www.2carpros.com/articles/how-to-use-a-test-light-circuit-tester

https://www.2carpros.com/articles/how-to-use-a-voltmeter

If 12 volts is missing on this wire, check fuse F1.11.

The fat yellow / white wire must have 12 volts all the time, (red arrow). If that is missing, check the 120-amp fuse FB. That is a really large one and is likely to be bolted into the fuse box. If it's blown, it was most likely caused by the old generator being shorted, or it was touched by a wrench that also touched ground at the same time. You'd have seen a large spark.

Let me know what you find.
Was this
answer
helpful?
Yes
No
Sunday, October 16th, 2022 AT 5:51 PM

Please login or register to post a reply.