Monday, September 3rd, 2018 AT 3:49 AM
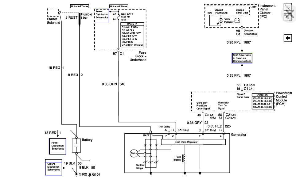
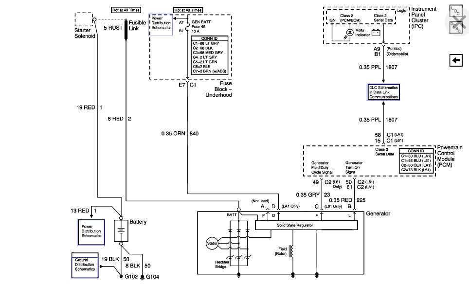
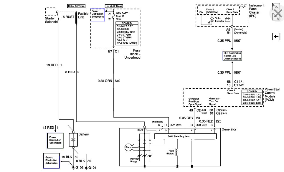
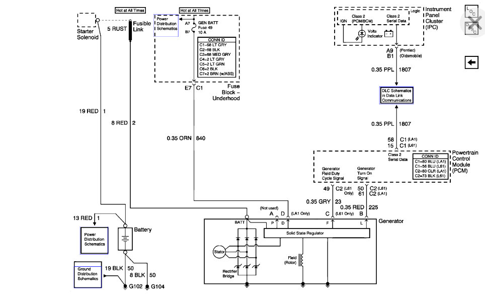
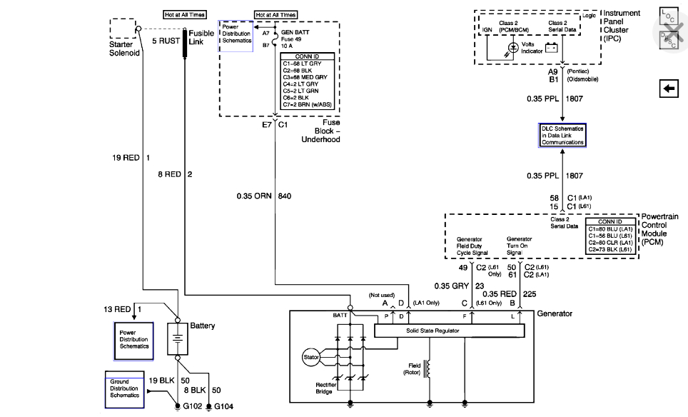
Just replaced my spark plugs a week ago on my car and accidentally arced out the main cord on the alternator. After that car would not keep a charge and thought I fried the alternator. I replaced the alternator three days ago. I have a battery I bought a week and a half ago and I still lose power while driving. I got the battery tested and it was good. Alternator seems to be working, yet I still lose power while driving. Battery does not last for more then half an hour of driving after I put it at a full charge. Can someone please give me some advice what I should look at next?




