Tuesday, March 21st, 2023 AT 7:37 AM
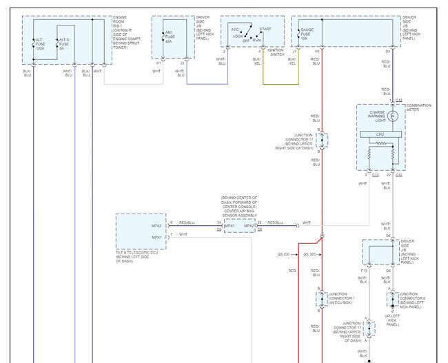
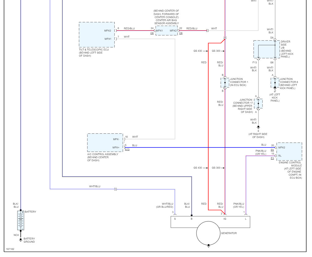
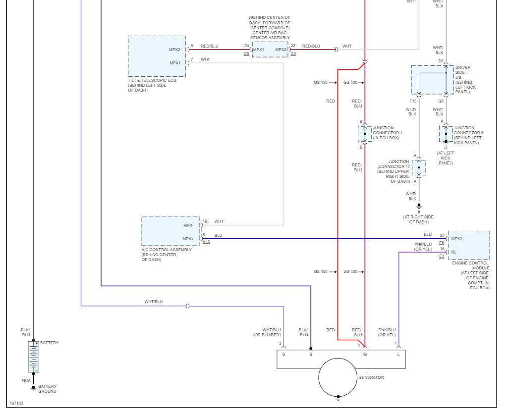
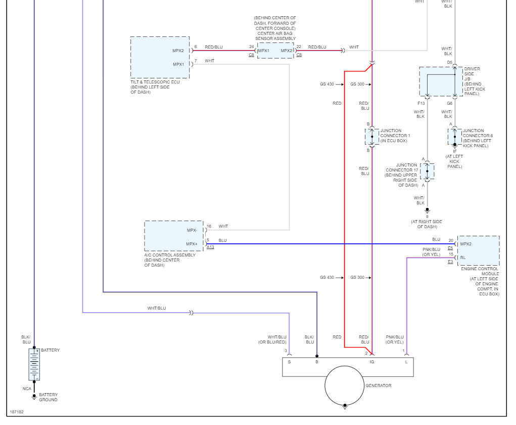
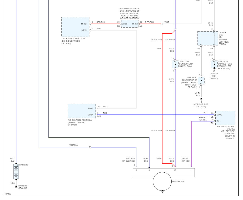
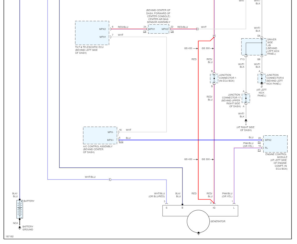
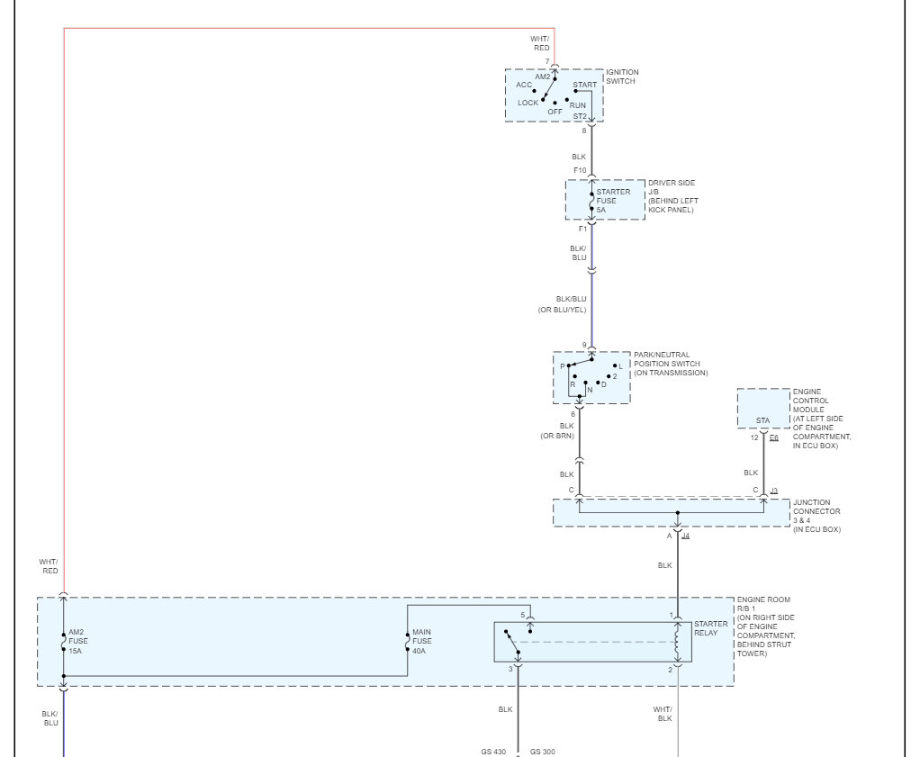
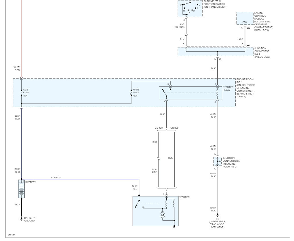
The vehicle battery indicator light does come on sometimes. I have checked the battery voltage and it is okay and the alternator seems to be fine and sometimes the vehicle will not crank. Please could I get the circuit diagram for both the charging system and starting. Thank you very much. This site has been of help to me. I really appreciate.





