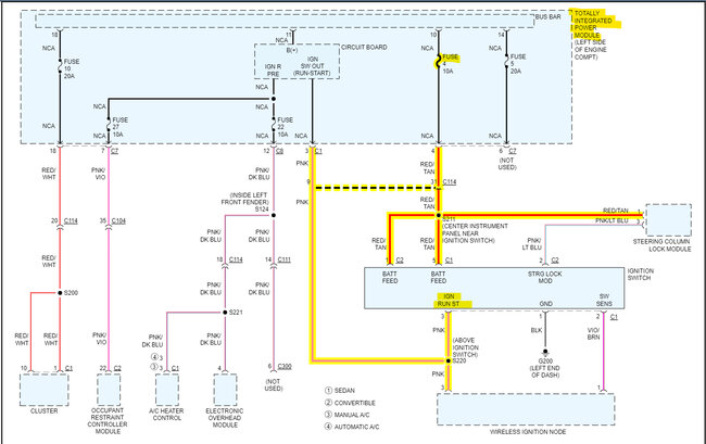
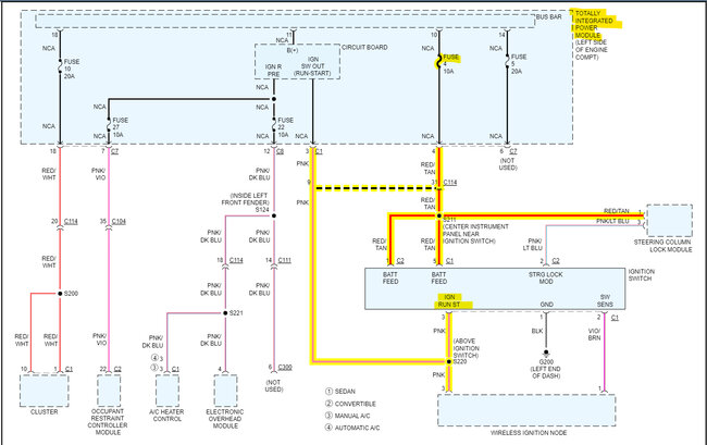
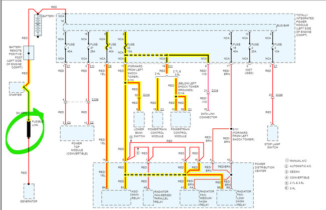
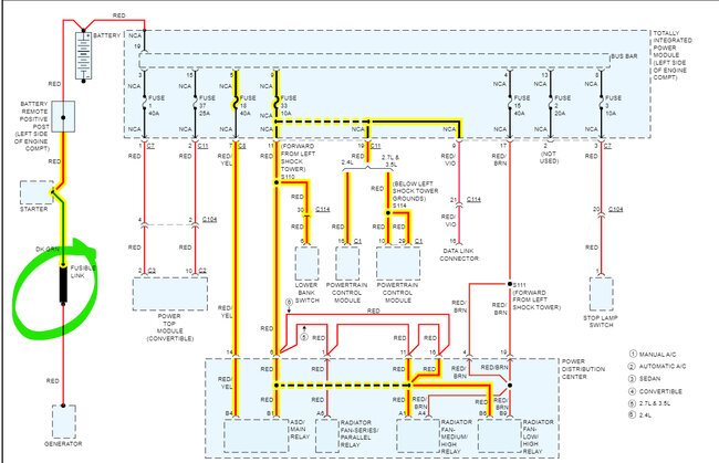
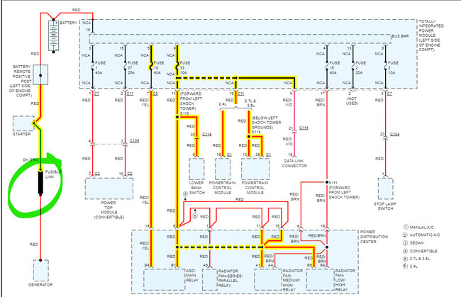
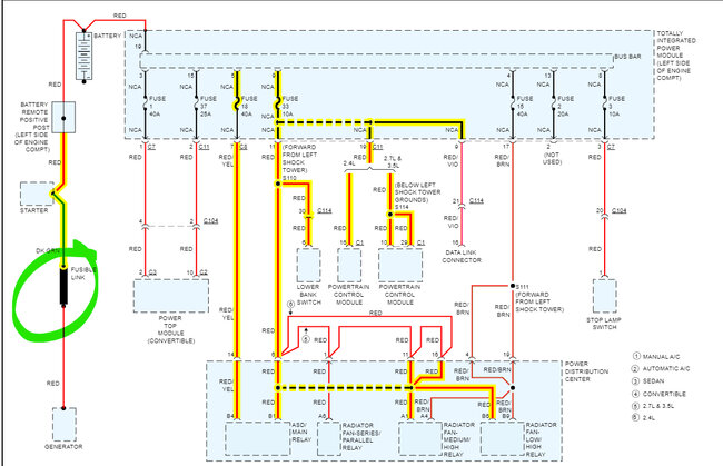
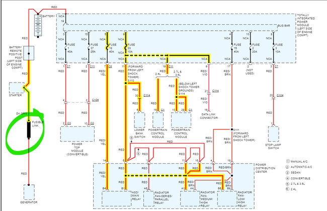
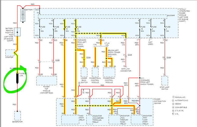
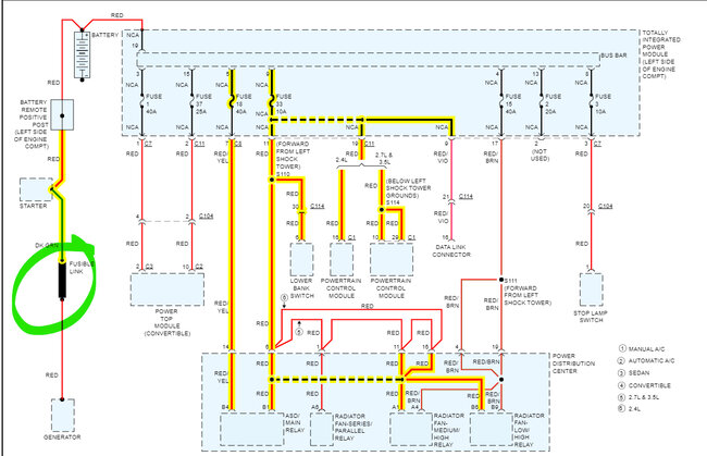
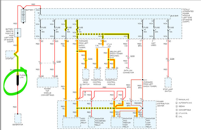
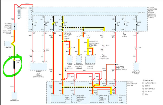
Wednesday, February 1st, 2023 AT 10:02 AM
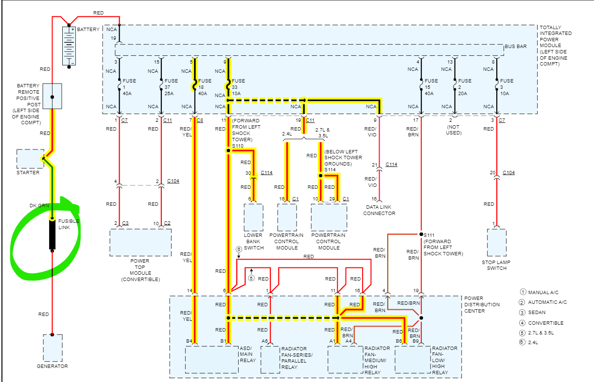
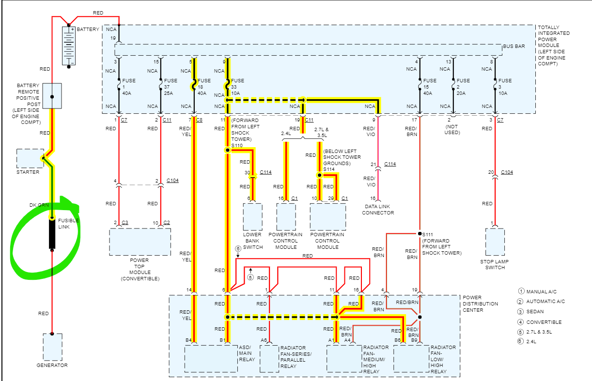
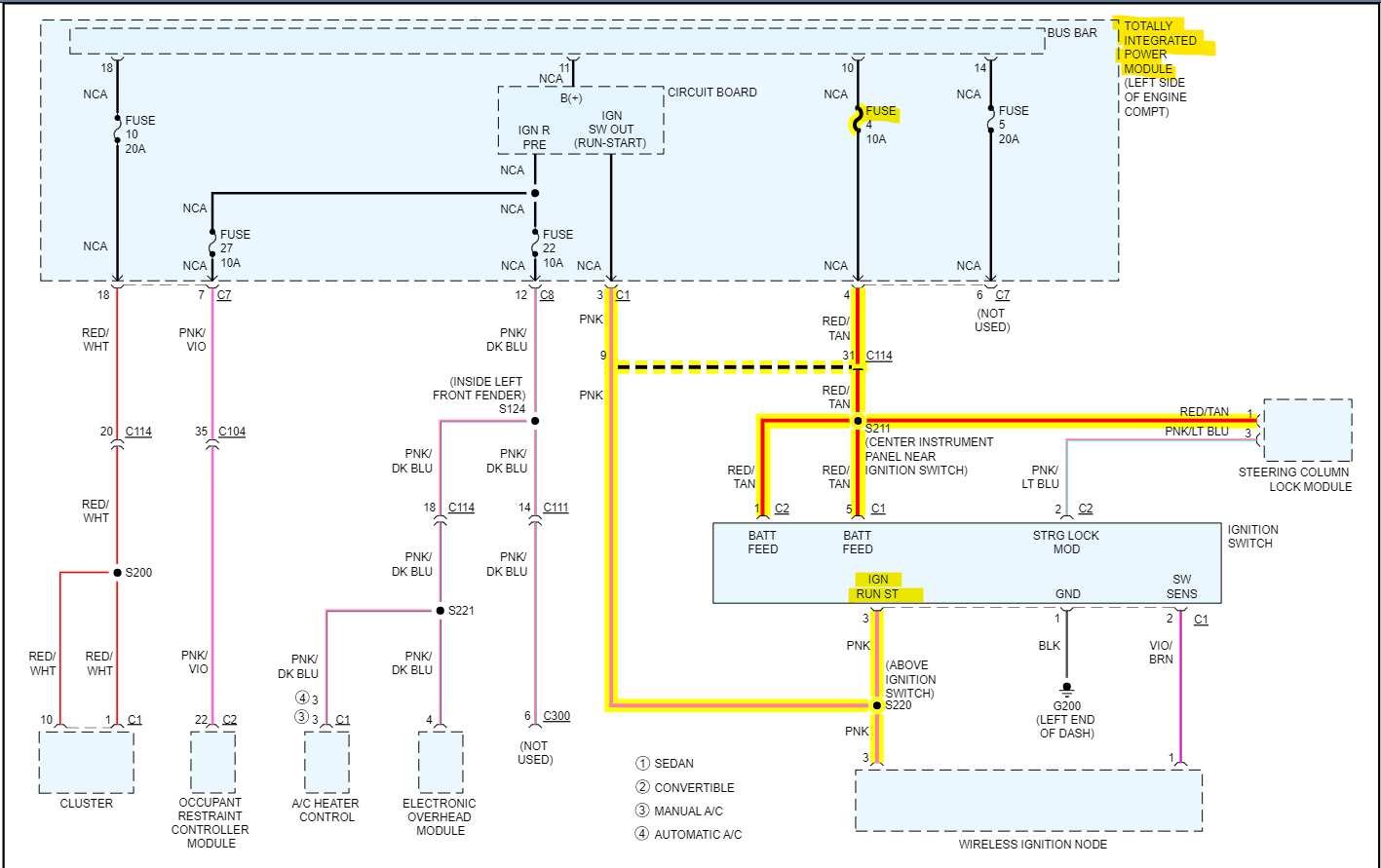
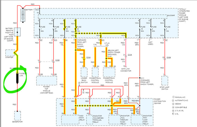
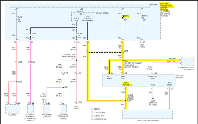
I put a battery charger (we call trickle charge) on the car all night but apparently, I hooked the charger up to battery backwards now car won’t start. So, I need to know which fuse is the fuse that hopefully stops anything worse happening and if all the fuses r fine where do I go from there?







