Battery fuse 100 Amp keeps blowing

Tiny
REBECCA MAE BAUSE
  • MEMBER
  • 2002 HONDA ACCORD
  • 2.6L
  • 4 CYL
  • AUTOMATIC
  • 196,000 MILES
My car shut off while I was driving It. Now I have no power at all and every time I replace the fuse It blows.
Saturday, January 4th, 2020 AT 2:06 AM

1 Reply

Tiny
SCGRANTURISMO
  • MECHANIC
  • 4,897 POSTS
Hello,

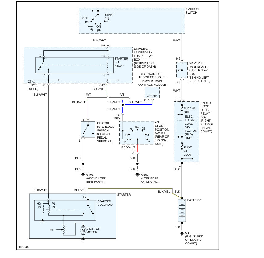
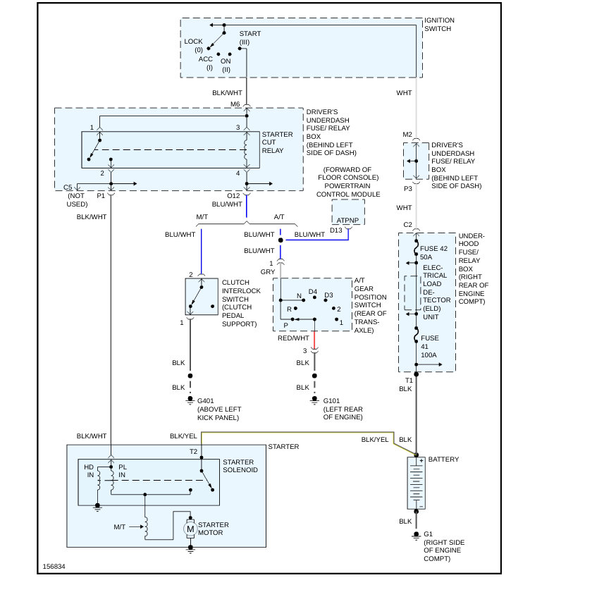
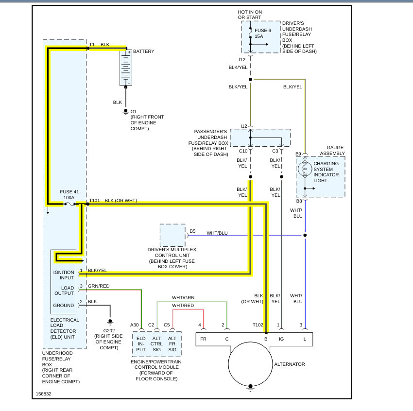
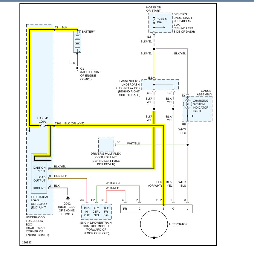
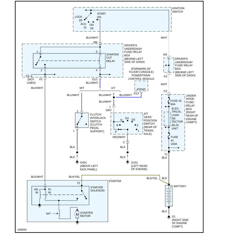
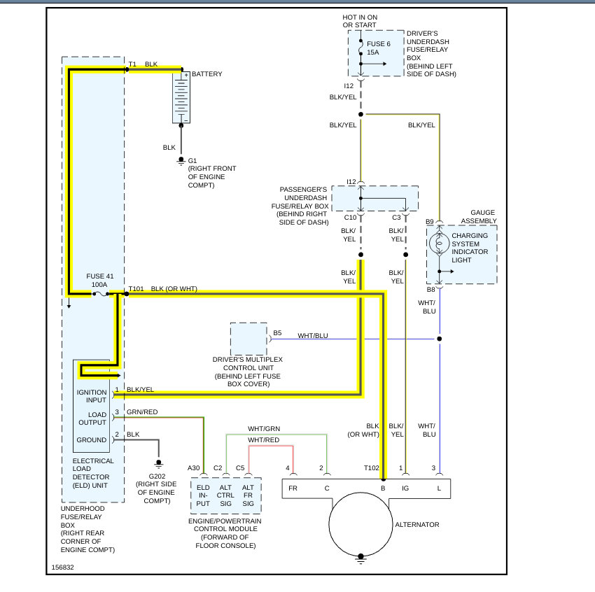
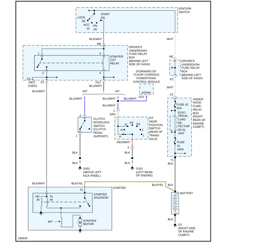
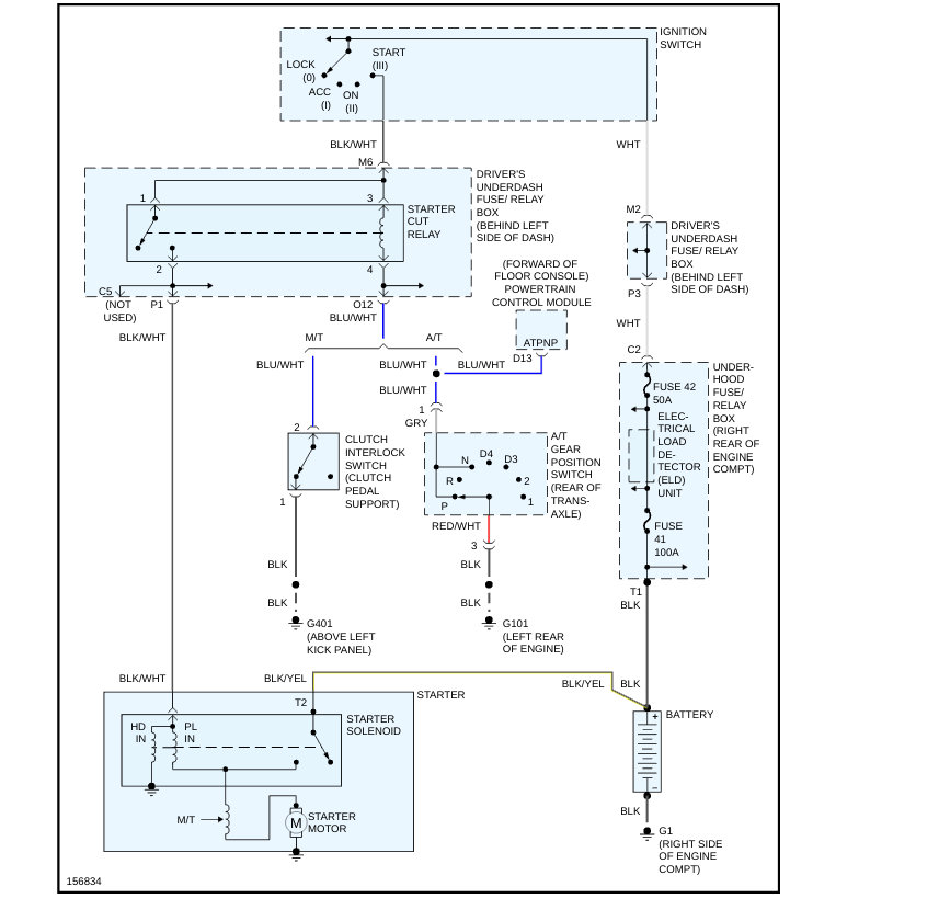
Your fuse blows because there is a short to ground in the circuit[s] that it is protecting. This happens because of Ohm's Laws. Ohm's law are the laws that govern electricity. This one of Ohm's laws states that one of the three properties of electricity is constant[Voltage - Voltage is always constant in an automobile-Battery Voltage] and one of the remaining two properties goes down[Resistance - Resistance goes to zero when a short to ground happens because there is now a direct path back to the battery's negative terminal] then the final property must go up proportionally[Amperage - Amperage rises to battery amperage]. This is more Amps then the fuse is rated for and it blows "POP", or to be more precise, it melts, creating an open in the circuit and protecting whatever component that the circuit was designed to service, or the circuits load. In the diagrams down below I have included the starting and charging circuits for your vehicle as well as a guide on how to find short to grounds in an automotive electrical circuit for you. You will need to use a Digital Multi-meter to go through these guides, so here is a link down below explaining how to use one, if needed:

https://www.2carpros.com/articles/how-to-use-a-voltmeter

Please go through these guides and get back to us with what you find out. I have high lighted the wires to check for you as well.

Thanks,
Alex
2CarPros
Was this
answer
helpful?
Yes
No
Saturday, January 4th, 2020 AT 5:15 AM

Please login or register to post a reply.