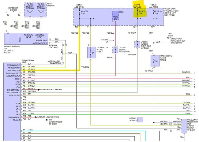
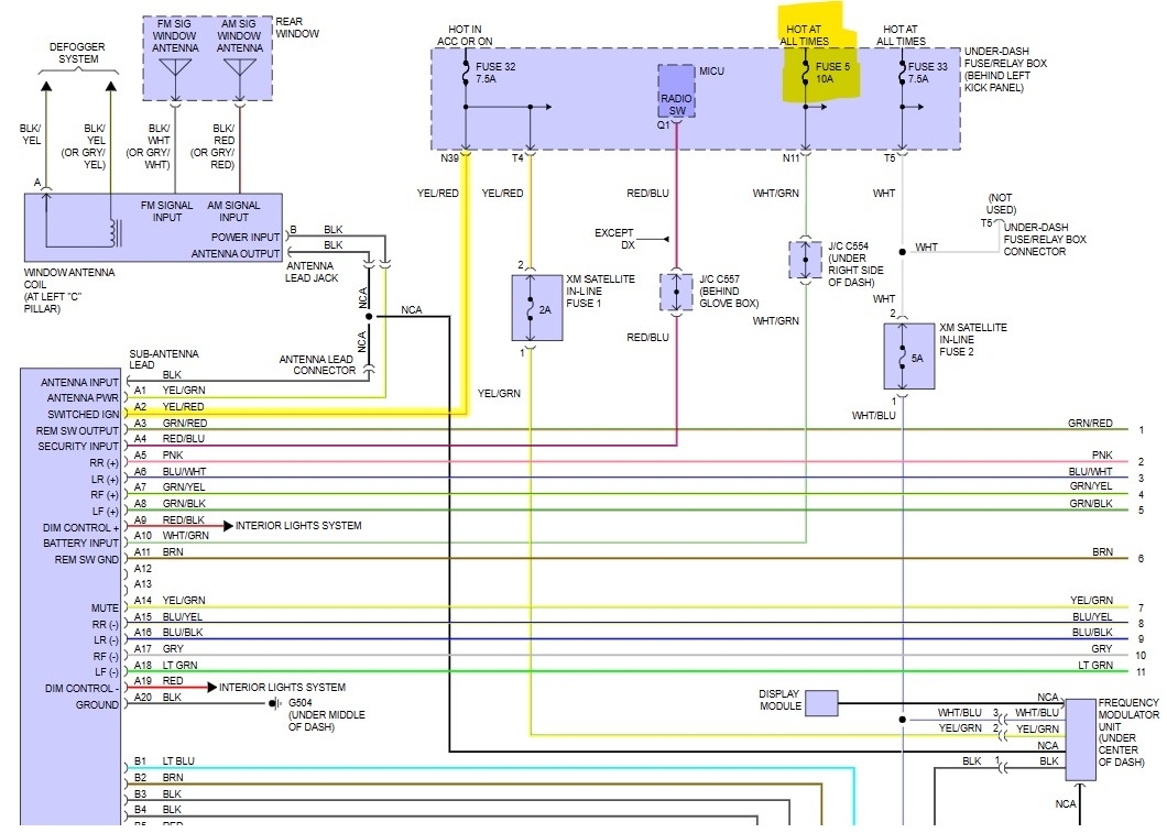
Wednesday, March 1st, 2023 AT 8:57 PM
My car has a new battery new alternator new starter but still is draining overnight my radio does not work. It comes on but no volume but when my car is off, I can still hear what sounds like the CD fuzzy noise sound, but my radio does not work. So next morning my battery drained. Please help.




