Battery drain, electrical or sleep mode?

Tiny
COUNTRY BOY PRIDE
  • MEMBER
  • 2004 FORD F-150
  • 4.6L
  • V8
  • 2WD
  • AUTOMATIC
  • 200,000 MILES
After locking doors set alarm or even leave unlocked driver's door switches stay lit and all windows will still work. They should shut down when they open the door and key off. But the driver's door stayed lit all other switches passenger and back door lights turned off. I think this is what's draining my battery, but I don't know where to start looking for what shuts them down. Any help would be a help. Thanks
Thursday, February 24th, 2022 AT 9:07 AM

1 Reply

Tiny
JACOBANDNICKOLAS
  • MECHANIC
  • 110,194 POSTS
Hi,

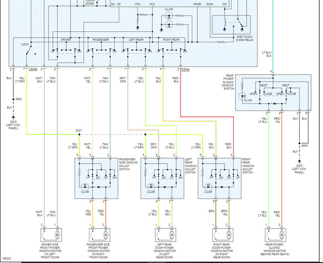
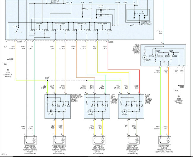
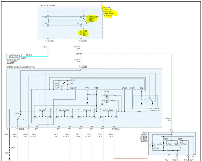
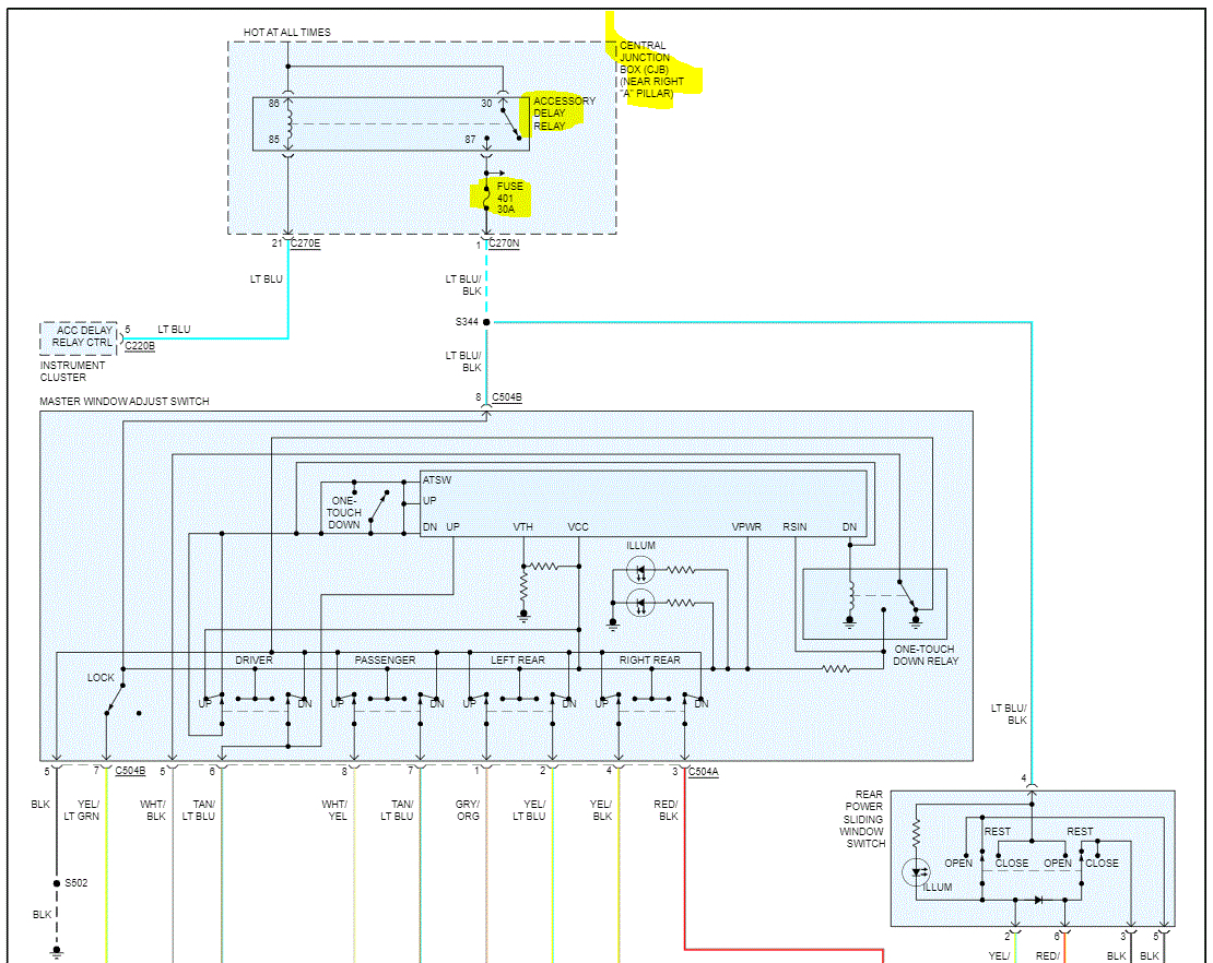
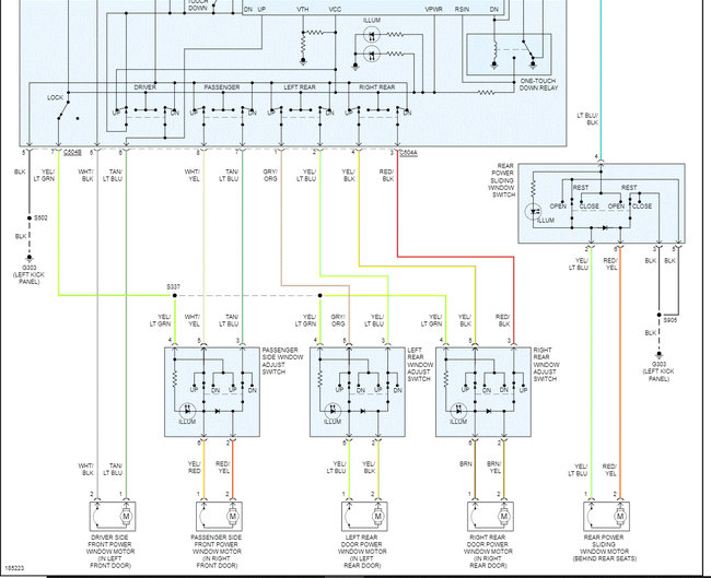
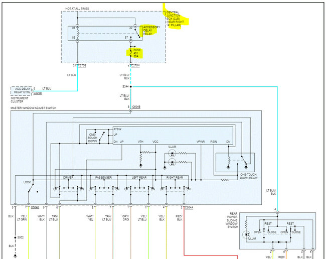
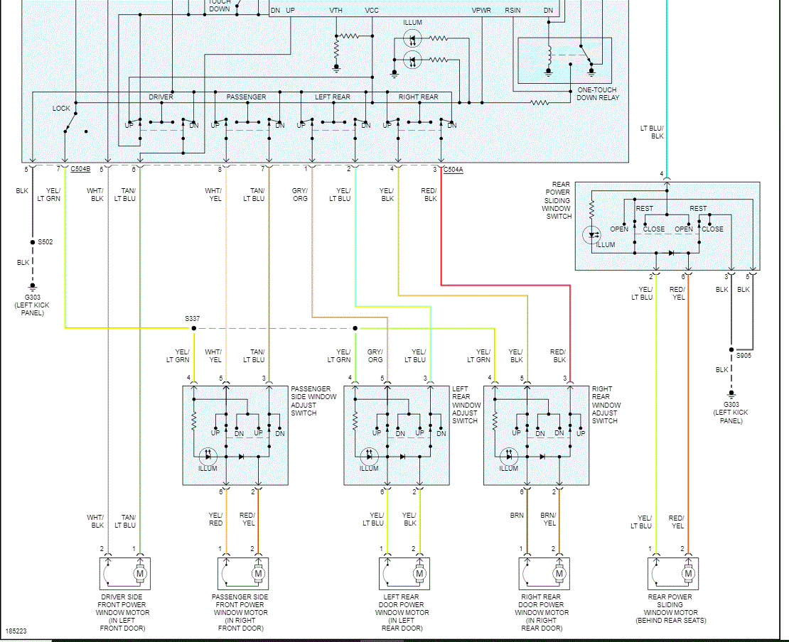
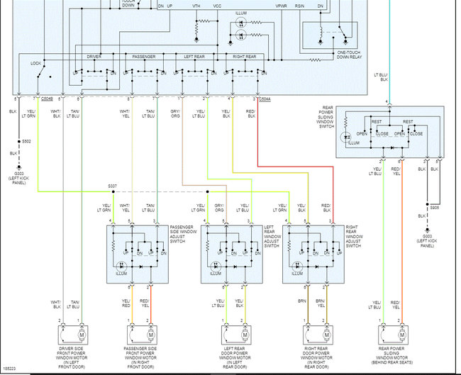
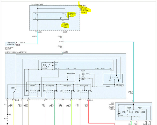
First, I attached the wiring schematic below for you to review. Interestingly, there is power at all times available to the windows. However, for them to work, the accessory delay relay needs to be actuated. When that happens, power is sent to the main driver's door switch. From the switch, power is sent to the window motors.

For the motors to work, a ground path is provided (also by the switch) based on request.

In this case, the first thing I suspect is bad is the accessory delay relay. Remove it, check to make sure the pins in the relay box are not damaged or indicating a short, and then check the relay itself. It could be stuck on.

Here is a link that explains how to test a relay:

https://www.2carpros.com/articles/how-to-check-an-electrical-relay-and-wiring-control-circuit

If there is another relay with the same part number, switch them as a test.

If the relay is good, then we have constant power from the accessory delay relay which is actuating the relay when the key is off, and the system should shut down.

If you look below, I attached the wiring schematic for the circuit, so you have a reference. Test the relay and let me know what you find.

Take care,

Joe

See pics below.
Was this
answer
helpful?
Yes
No
Thursday, February 24th, 2022 AT 7:25 PM

Please login or register to post a reply.