Friday, January 2nd, 2026 AT 12:11 AM
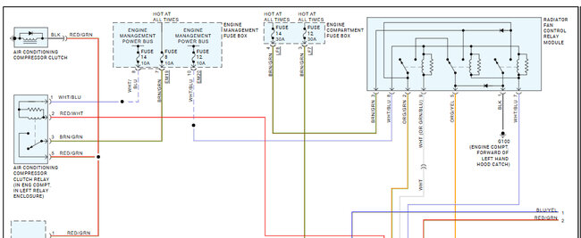
Car has battery drain. Already tried to pull fuses one at a time with volt meter or test light and could not isolate the circuit. It seems that the instrument cluster could be involved in the cause of the drain. Are there any common areas that are causes of battery drain on this model car? I have to re-ask this question as my original question got deleted or erased somehow.


