Sunday, December 22nd, 2019 AT 5:28 PM
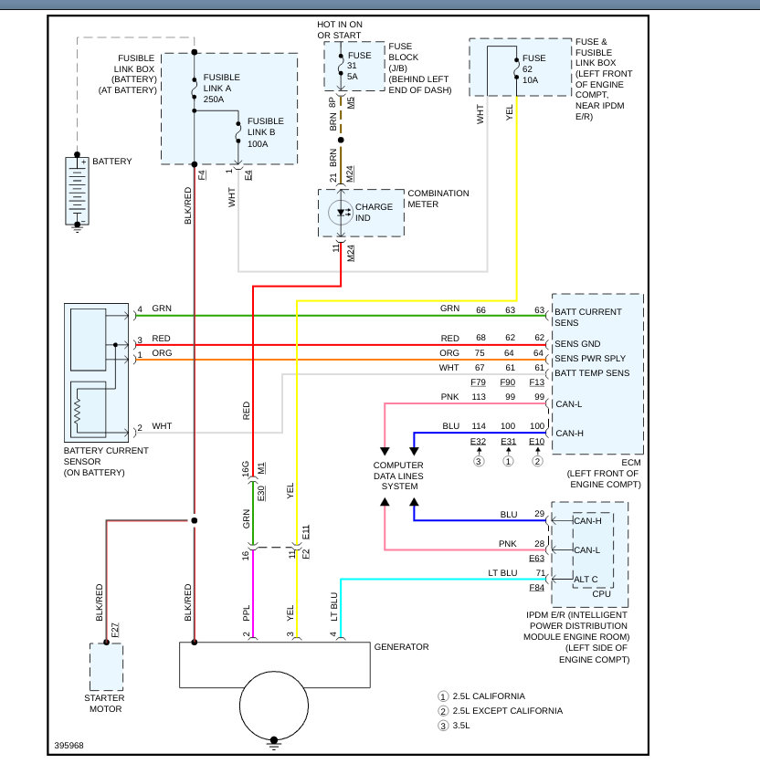
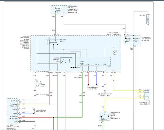
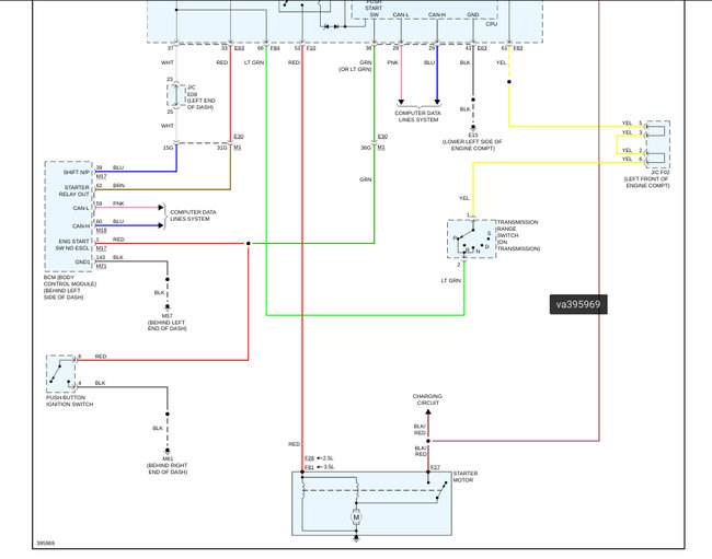
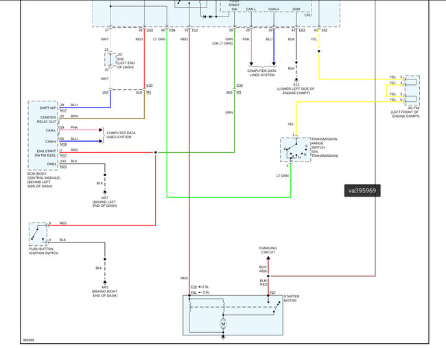
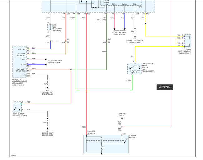
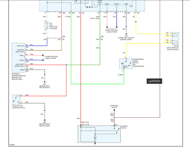
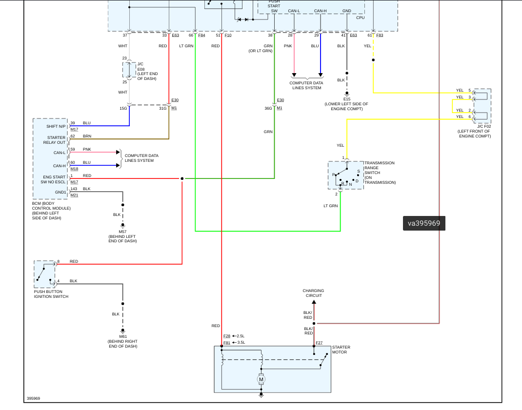
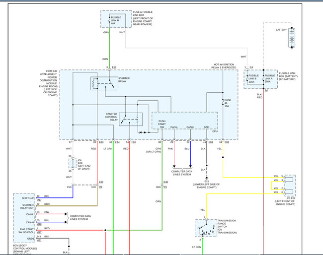
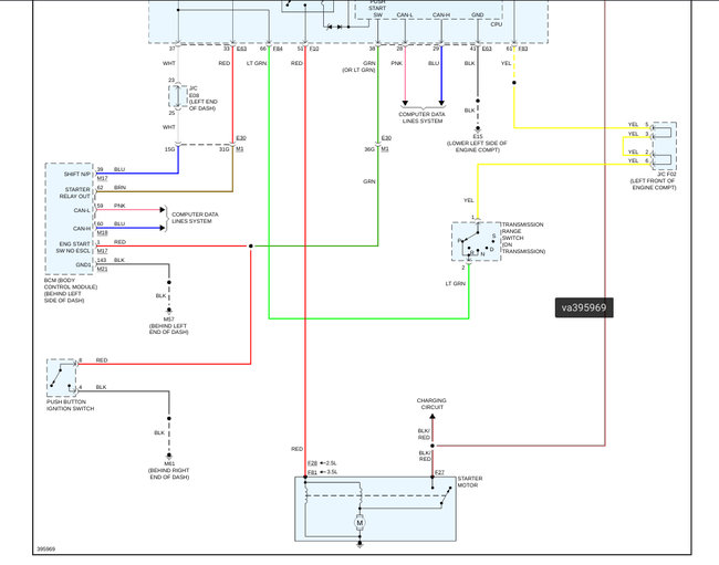
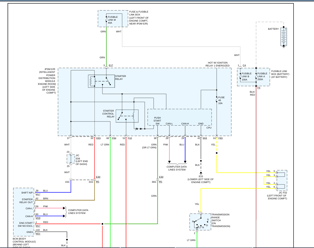
Out of nowhere my car wouldn't start this morning. Interior lights working as we as radio. The car was trying to turn over but wouldn't. After a few tries starting clicking. - Opened the hood saw a lot of corrosion on the terminal as well as the connector. Scraped the terminal off. Tried to jump-start - again the car tried to turn over but wouldn't. Then started clicking again. Took the battery to auto zone for battery check they said it was dead. Installed new battery however the terminal bolt broke due to corrosion. Could the battery cables be bad? There is corrosion on that as well (positive) if so how do I change them myself? Is there a way to test that's the issue?















