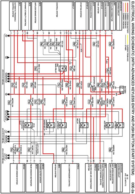
Prior to the change the OEM Panasonic battery had been in use for roughly six years and was nearing what I believe to have been its natural lifespan. I have had to get jump starts, recharge the battery and even on occasion had rough turn overs.
I purchased a class 35 Kirkland battery at Costco that was slightly bigger than the OEM, it also had a higher crank rating as well.
I disconnected the bracket, removed the negative lead (closest to the front of the vehicle) and then the positive lead (closest to the steering wheel) and removed the old battery. I inserted the new battery and began the process of reconnection; positive lead and then negative.
However, when attempting to reconnect the negative lead, sparks fly, smoke and the horn blows without ending, the headlight go on and the engine sounds like it is revving. I quickly removed the lead noticing that it had been burnt and even the battery pole had been burnt.
Figuring I probably reconnected in the wrong order, I tried to reverse the order and yielded the exact same symptoms.
Googling around I ensured there were no draws from the vehicle, lights, door ajar, trunk opened and tried to reconnect the battery - no change.
I tried to reconnect and use my key-fob to disable the alarm, no success.
I even tried to reconnect the old battery to see if there was simply a problem with the old one and the same thing happens.
Not sure what to do.
Monday, November 13th, 2017 AT 8:24 AM








