Backup lights fuse keeps blowing

Tiny
JOHNNY901
  • MEMBER
  • 1999 FORD RANGER
  • 3.0L
  • V6
  • 2WD
  • AUTOMATIC
  • 195,600 MILES
The fuse to my backup lights blows when the engine is running, and when shifting from park, the fuse doesn't blow when you just turn the key on and shift from park.
Wednesday, April 20th, 2022 AT 2:04 PM

1 Reply

Tiny
KASEKENNY
  • MECHANIC
  • 18,907 POSTS
This could be a couple things, but we need to start with unplugging the bulbs and find out if the fuse still blows.

Basically, there is a short to ground which is causing the fuse to blow so we need to make sure the bulbs are not the cause. It is unlikely but the easiest thing to check.

Next, we need to check the harness for a short to ground as you likely have a rub through and as you start the engine and drive, the harness touches this rub through to a piece of metal and it grounds out and blows the fuse.

https://www.2carpros.com/articles/how-to-check-wiring

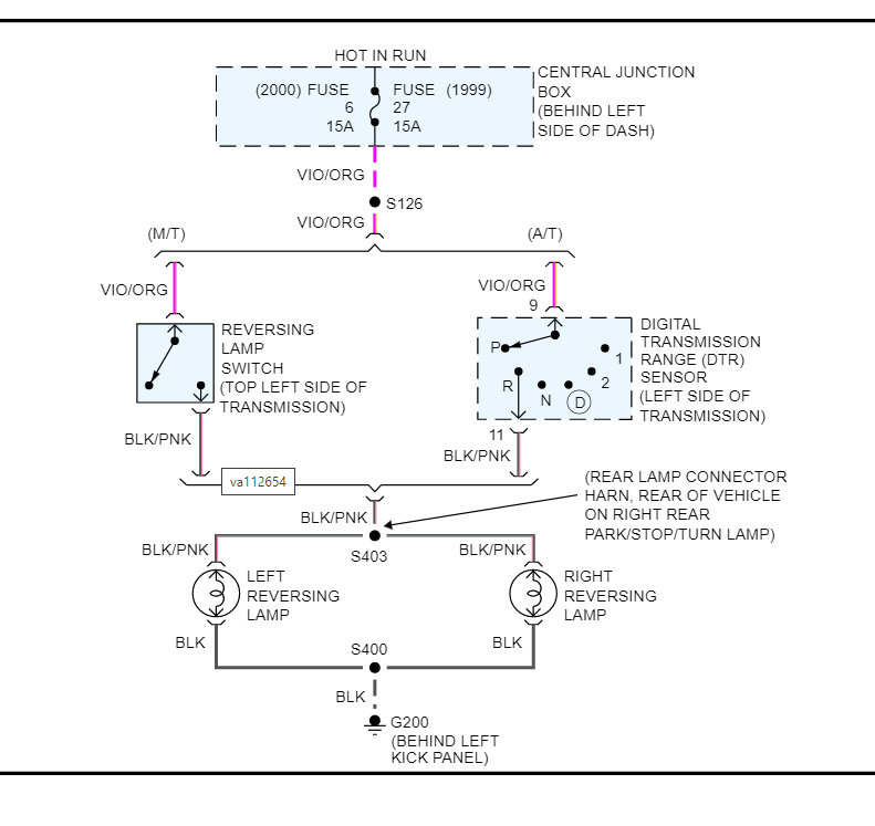
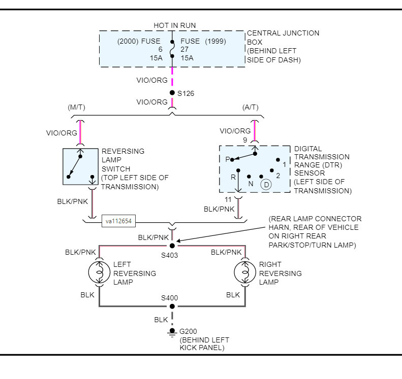
I attached the wiring diagram below because if we can't find anything, I would just run a new wire to the range sensor and then to the lights. Basically, this is where the rub through is most likely going to be so we can just eliminate this wiring by running a new one.

Let me know if you have questions. Thanks
Was this
answer
helpful?
Yes
No
Thursday, April 21st, 2022 AT 2:29 PM

Please login or register to post a reply.