Monday, January 27th, 2020 AT 12:34 PM
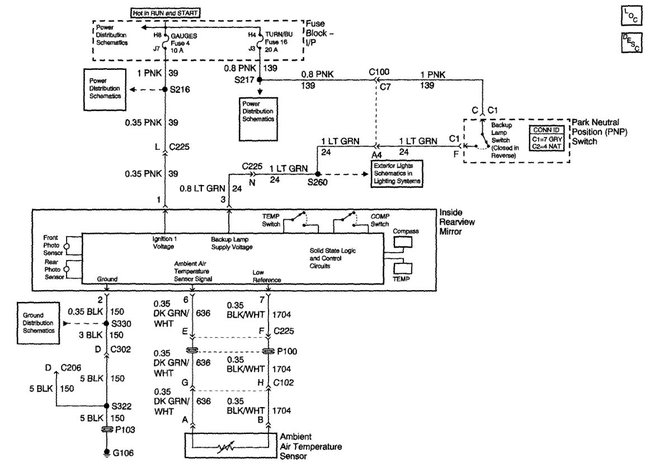
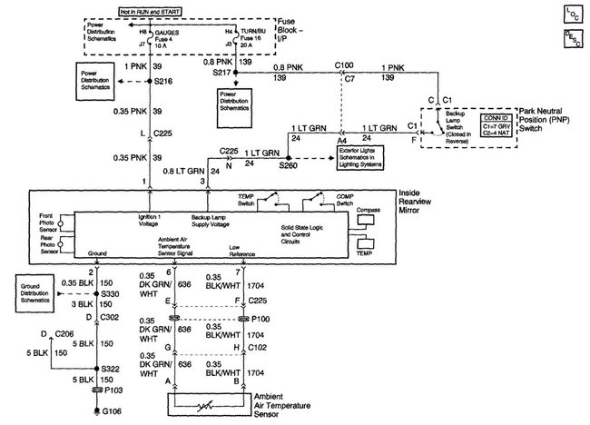
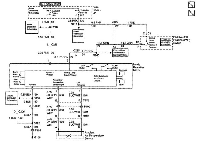
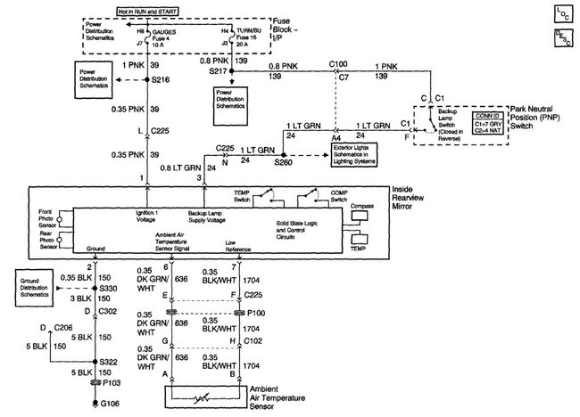
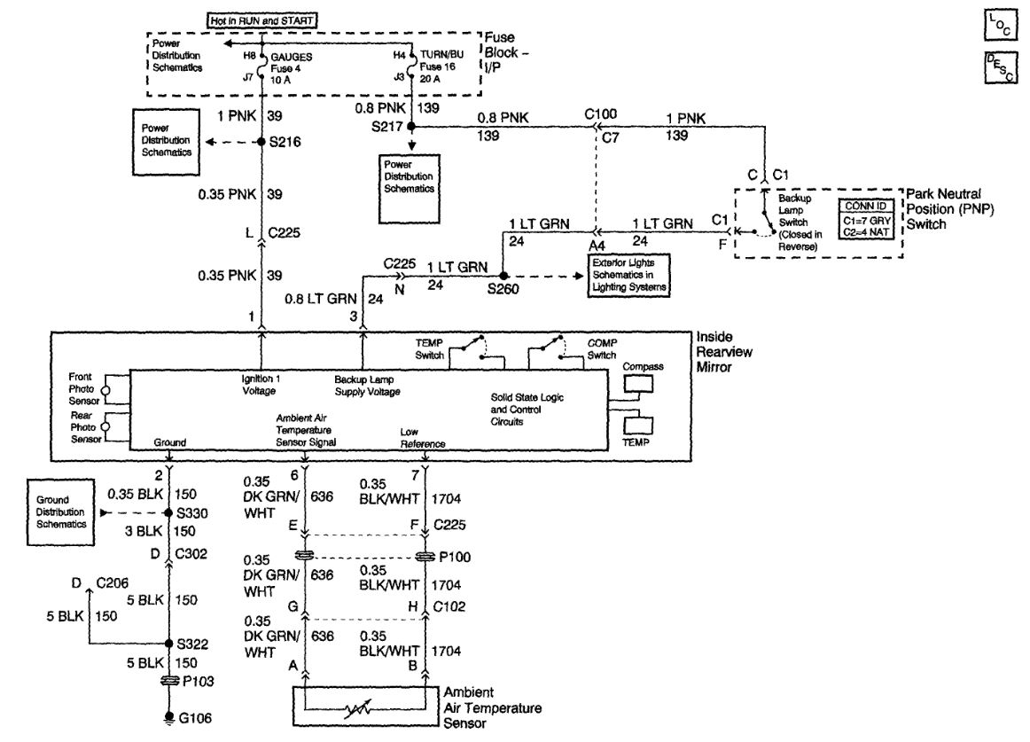
I am installing a backup camera and am trying to locate a place under the dash to tie the reverse sensor wire to the wire feeding the backup lights. I could route the wire under the vehicle to the backup lights but would prefer to do it under the dash if possible. I would like a specific location to do that. Thank you






