reverse lights not working

1998 LINCOLN TOWN CAR
152 MILES • 4 CYL • AUTOMATIC
Avatar
ANDREA FRANKLIN
  • MEMBER
  • 1 POST
my reverse lights dont work can you help me fix it?.
May 29, 2016 at 7:56 PM
Repair Safety Notice: This information is for general instructional purposes only. Vehicle repair can be dangerous. Verify all information, follow manufacturer service procedures, use proper tools and safety equipment, and consult a qualified repair shop when needed.
Advertisement
Avatar
DANNY L
  • CAR REPAIR CONTRIBUTOR
  • 5,648 POSTS
Hello, I'm Danny.

It sounds like you might be having one or two different issues with the reverse lights. The neutral safety switch controls the reverse light circuit. Here is a tutorial showing how to test electrical wiring:

https://www.2carpros.com/articles/how-to-check-wiring

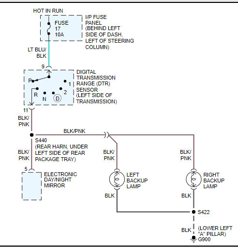
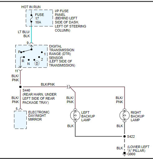
I've attached a picture below of the neutral safety switch location on the transmission and the wiring diagram below of the reverse light circuit for your car. As far as the wiring I would test to see if you have a good ground to start. Hope this helps and thanks for using 2CarPros.
Jan 29, 2021 at 11:59 PM
Advertisement