Reverse lights not working?

Tiny
JR9261018
  • MEMBER
  • 2006 CHRYSLER PT CRUISER
  • 2.4L
  • 4 CYL
  • 2WD
  • AUTOMATIC
  • 120,000 MILES
Can anyone give me electrical diagram for the backup light? Thanks
Tuesday, November 20th, 2018 AT 6:59 AM

8 Replies

Tiny
STEVE W.
  • MECHANIC
  • 15,700 POSTS
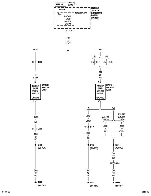
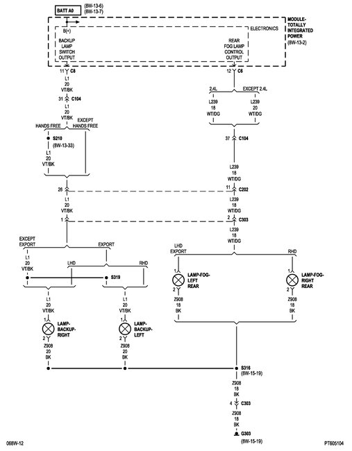
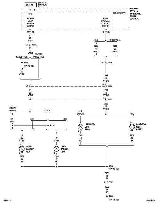
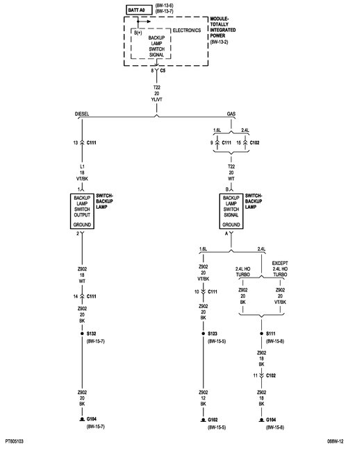
There are a couple for this because of the way the system works. The reverse light switch grounds the circuit into the TIPM (smart fuse block) which uses an internal relay to turn on the reverse lights.
To test which side of the system the problem is on requires you to access the connectors on the TIPM Specifically pin 8 in connector 5 and pin 11 in connector 8. With those two pins you can test if the problem is in the switch side, the TIPM itself or in the light side of the system. All you need is a simple fused jumper wire a test light and turning on the key.

If you apply a ground to pin 8 in C5 and the lights come on the problem is in the switch or its wiring. Then you go to the switch and apply ground to pin B on it. If the lights come on there the wiring from the switch to the TIPM is good. Apply ground to pin A and shift into reverse. If the lights come on now the issue is in the ground path from the switch to chassis. If they do not come on the issue is the switch itself.

On the power/light side you shift into reverse and check that there is power at pin 11 in C8. If there is power there but the lights are not on you connect the fused jumper wire to power and test your way down to the back up lights.
Was this
answer
helpful?
Yes
No
Tuesday, November 20th, 2018 AT 9:14 AM
Tiny
JR9261018
  • MEMBER
  • 49 POSTS
Okay, does the TIPM get signal from the transmission range sensor to turn on the back up light?
Was this
answer
helpful?
Yes
No
Tuesday, November 20th, 2018 AT 5:28 PM
Tiny
STEVE W.
  • MECHANIC
  • 15,700 POSTS
Yes, uses the same ground feed to activate the lights.
Was this
answer
helpful?
Yes
No
Wednesday, November 21st, 2018 AT 7:42 AM
Tiny
JR9261018
  • MEMBER
  • 49 POSTS
Sorry, I am confused. So if the backup light wont turn on when put gear in reverse so the problem could be TRS or Tipm. I have intermittent problem when I turn key to run position engine off. You will see what is in the video and the backup lights will not turn on. However, the car starts and runs but goes in limp mode. Parts replaced because of the same problem PCM and TIPM.
Was this
answer
helpful?
Yes
No
Wednesday, November 21st, 2018 AT 8:56 AM
Tiny
STEVE W.
  • MECHANIC
  • 15,700 POSTS
Were these new parts that were programmed to your vehicle or used ones? What codes do you have in the system now? Intermittent issues on Chrysler products commonly turn out to be bad grounds or connectors. If you can get the codes we can start from there.
Yes the TIPM in a Chrysler controls 99.9& of the electronics in the car. (There are ways to bypass some of them by adding relays outside the box, but in your case we need to figure out what is causing it to limp mode first.
Was this
answer
helpful?
Yes
No
Wednesday, November 21st, 2018 AT 12:14 PM
Tiny
JR9261018
  • MEMBER
  • 49 POSTS
P0882 the PCM for certain reason does not send voltage to control transmission relay. Also, I know when the car will not shift by turning key to run position engine off if I see what is in the video I will know the car will go to limp mode also the gear on dash board all of them get selected or disappear. Also no back up light and I do not hear the fuel pump prime like I said all this is intermittent.
Was this
answer
helpful?
Yes
No
Wednesday, November 21st, 2018 AT 6:07 PM
Tiny
STEVE W.
  • MECHANIC
  • 15,700 POSTS
From that I would bet you have a bad ground or connector. Could you make a list of the things that do not work when you are seeing the problem? The more items the easier it would be to track to a common point. Plus it would narrow down the wiring diagrams needed.
Was this
answer
helpful?
Yes
No
Wednesday, November 21st, 2018 AT 7:24 PM
Tiny
JR9261018
  • MEMBER
  • 49 POSTS
I got a new TIPM that seemed to fix it thank you.
Was this
answer
helpful?
Yes
No
Thursday, November 22nd, 2018 AT 7:46 AM

Please login or register to post a reply.