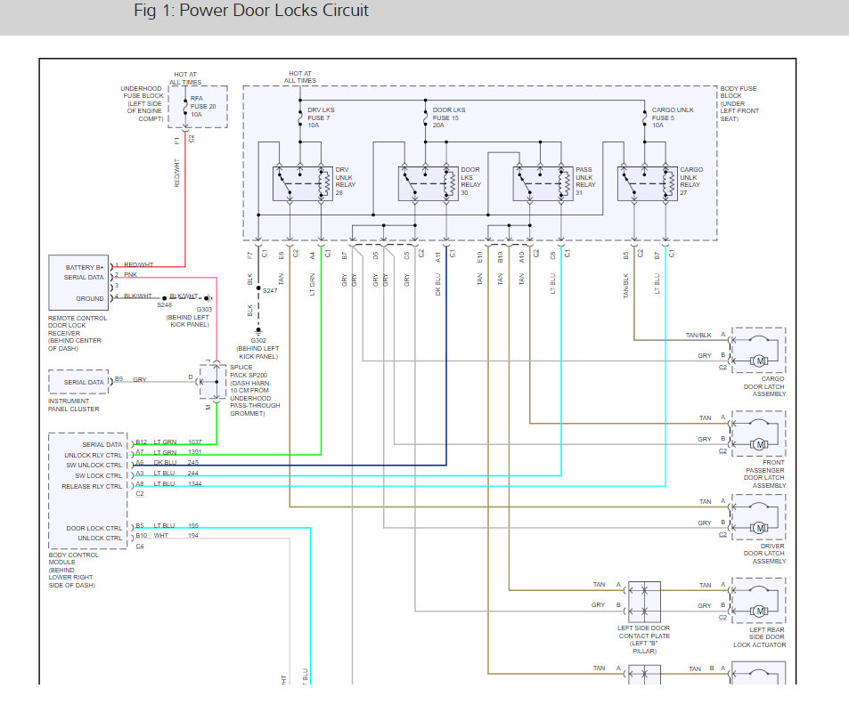
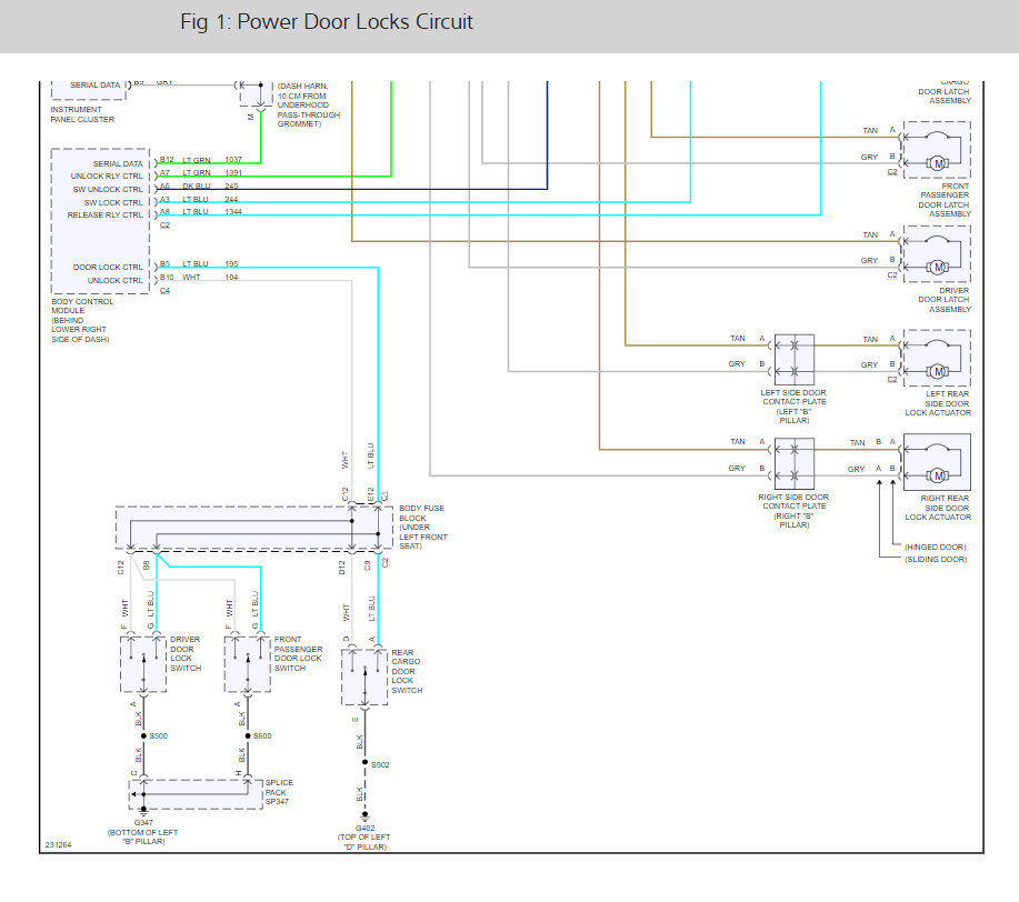
Friday, November 15th, 2019 AT 7:24 AM
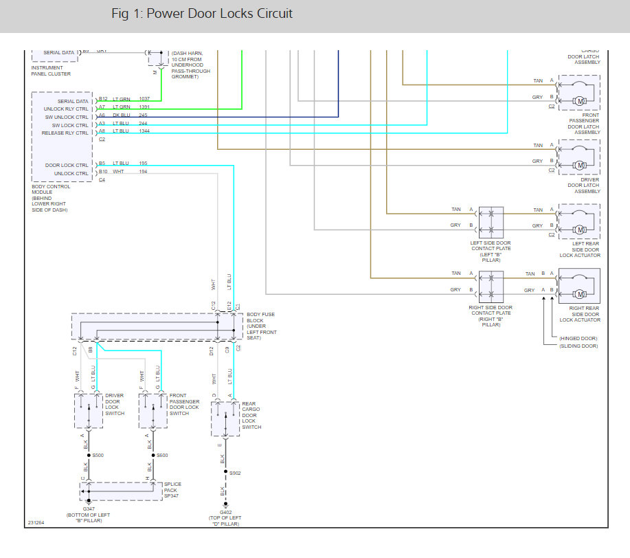
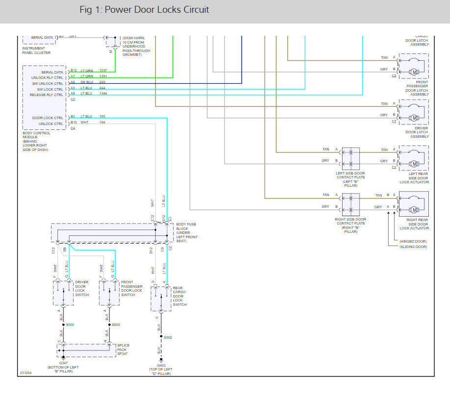
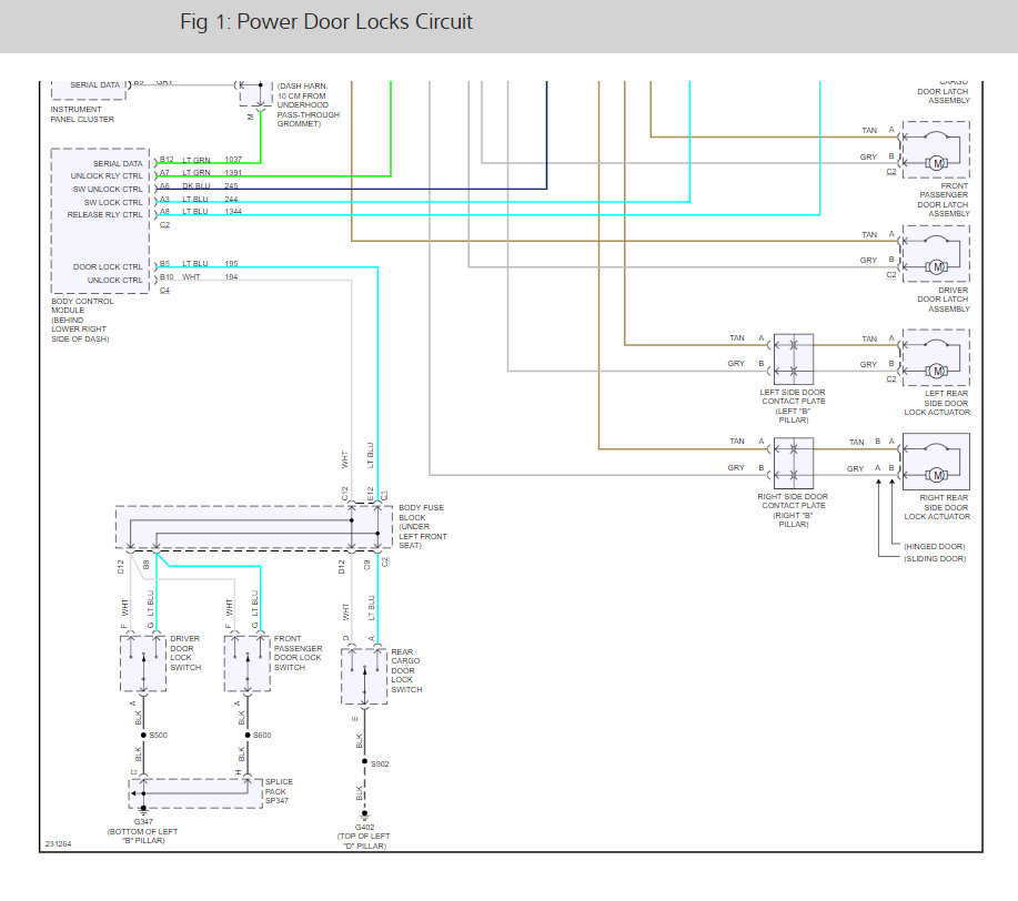
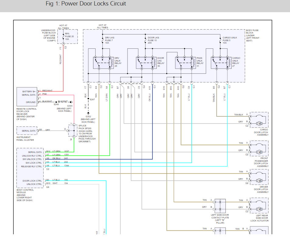
Hi, my back door locks with the key fob but will not open with the key fob. I installed a brand new actuator assembly and the problem remains the same.













