Back door will not lock/unlock

Tiny
JDR5
  • MEMBER
  • 2007 CHEVROLET AVALANCHE
  • V8
  • 2WD
  • AUTOMATIC
  • 77,000 MILES
My rear drivers side door will not lock or unlock with drivers control panel or key fob. The window works fine. I replaced the actuator and still no luck. All other doors work perfect.
Monday, January 21st, 2019 AT 7:32 PM

1 Reply

Tiny
STEVE W.
  • MECHANIC
  • 15,688 POSTS
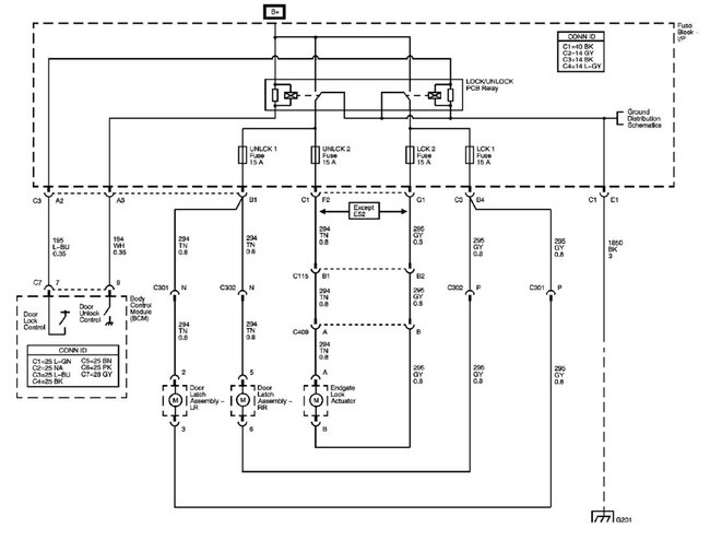
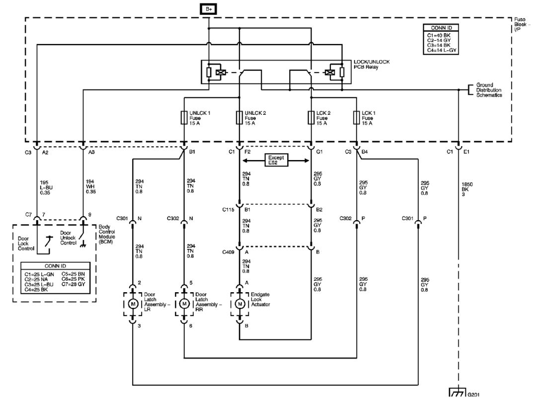
Most likely a broken wire that sends the command to the actuator. Both of the rear locks are on the same power feed circuit until they split to each rear door so it isn't a fuse or both rear doors would not operate. The feed wires come through the cabin and back to the pillar, then through the accordion boot and into the door. They are a tan wire and a gray wire. There is a connector near the boot between the door and pillar and the connector at the actuator itself. The wires tend to break in that boot due to being flexed. My first test would be to use a simple test light or a voltmeter connected in place of the actuator. It should light when lock/unlock is used. If it doesn't then you need to remove the boot and test at the next connector. If you still have nothing look close at the wires going into the connector and look for signs of wire failure. If you still find nothing you will need to trace the wires up to the fuse box on the instrument panel. Attached is the wiring for them. C301 is the connector between the door and the body.
Was this
answer
helpful?
Yes
No
Monday, January 21st, 2019 AT 8:12 PM

Please login or register to post a reply.