Friday, June 23rd, 2017 AT 6:32 PM
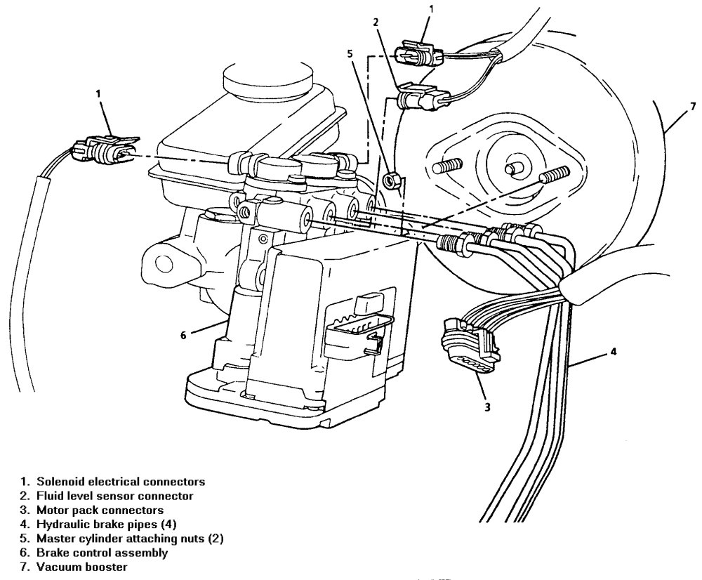
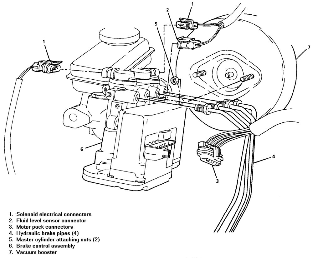
The rear brake lines on my Lumina I changed and would like to know where they hook up? Which wheel hooks up to which hole on the master cylinder?



