Wednesday, March 5th, 2025 AT 10:32 AM
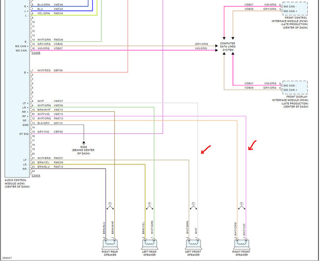
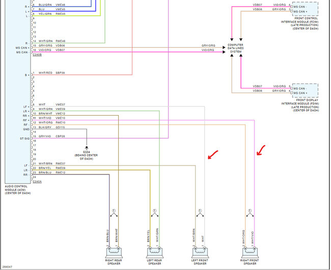
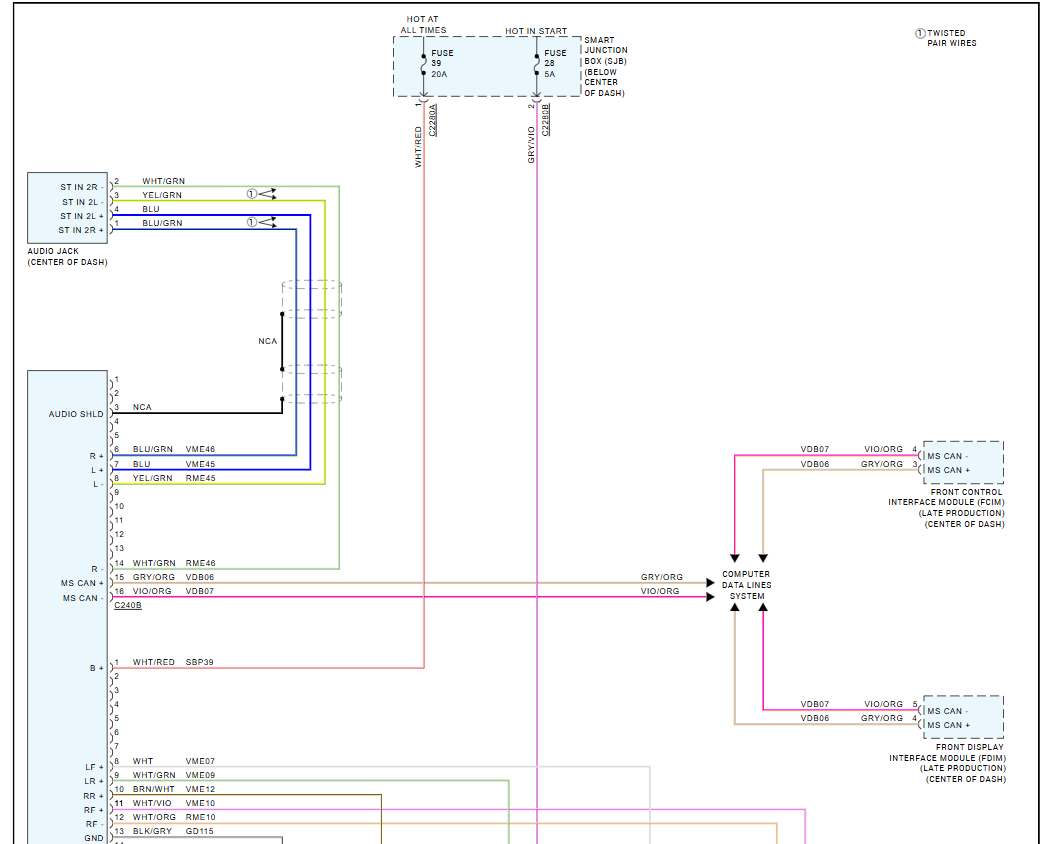
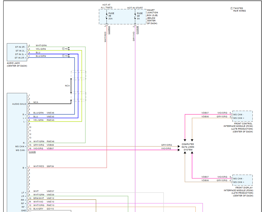
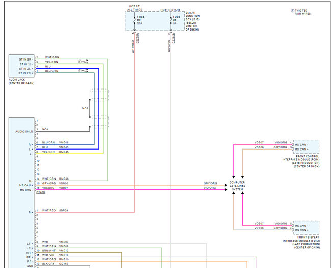
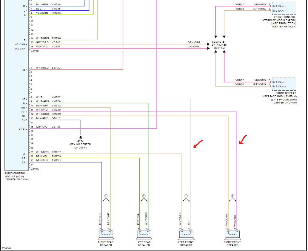
I am getting an ACM code B1031-60, when the radio goes through a scan it finds maybe 3 or 4 stations. When I try to connect to the bluetooth. The car does not show up as an available device. I am also getting B2404-60, except there are no audio steering wheel buttons, so I am not sure what that is related to.










