AWD lights on fault codes I get U100-00 / C1841-13?

Tiny
ANDRIN ATEM
  • MEMBER
  • 2015 ACURA RDX
  • 3.5L
  • 6 CYL
  • 4WD
  • AUTOMATIC
  • 13,454 MILES
Hi Pros, can I have the AWD diagram can bus signals, light stays on dash, and these are the fault codes I get U100-00 / C1841-13. Please take a look at the images I sent.
Monday, September 30th, 2024 AT 1:42 PM

7 Replies

Tiny
KEN L
  • MASTER CERTIFIED MECHANIC
  • 55,522 POSTS
These codes are on because the steering wheel angle sensor needs to be replaced.

U1000-00 - CAN Communication Malfunction:

C1841-13 - VSA (Vehicle Stability Assist) Sensor Malfunction:

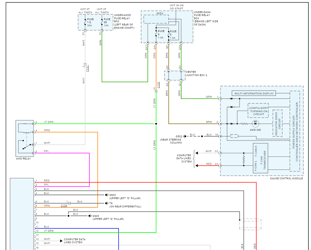
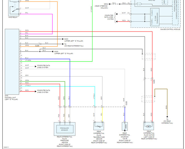
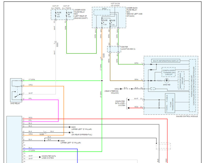
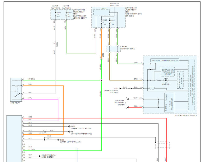
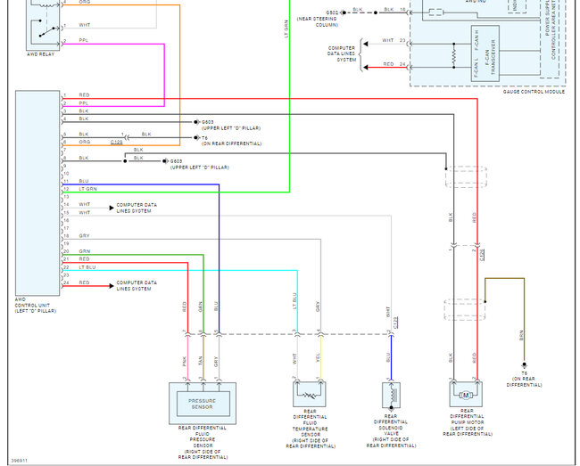
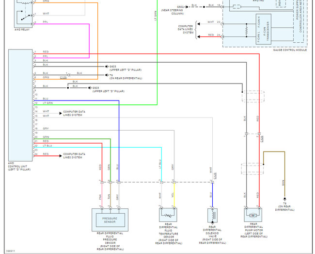
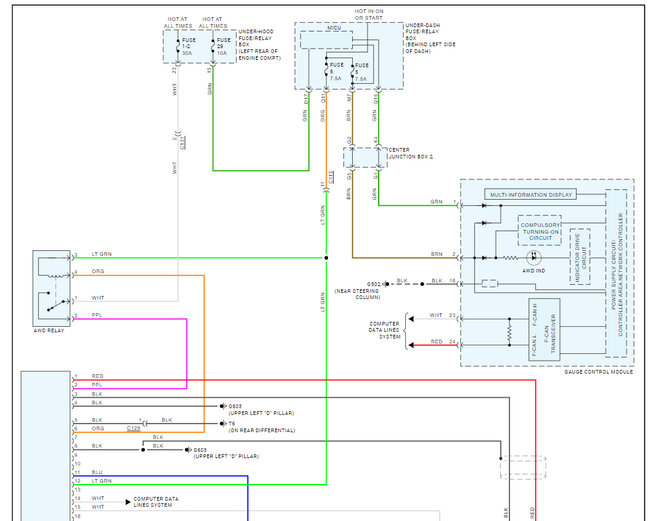
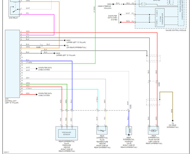
Here is how the job is done to help fix the problem, also clear the codes once the repair is completed. I have included the CAN bus wiring diagrams as you requested. Check out the images (below). Please upload pictures or videos in your response of any problems so we can see what to help you with.
Was this
answer
helpful?
Yes
No
Tuesday, October 1st, 2024 AT 11:09 AM
Tiny
ANDRIN ATEM
  • MEMBER
  • 422 POSTS
Hi, the great Ken, thank again for the info's, let me make use of them and let you know what the results turn out to be.

I appreciate.
Was this
answer
helpful?
Yes
No
Tuesday, October 1st, 2024 AT 11:54 AM
Tiny
KEN L
  • MASTER CERTIFIED MECHANIC
  • 55,522 POSTS
You are welcome, let me know :)
Was this
answer
helpful?
Yes
No
Wednesday, October 2nd, 2024 AT 8:58 AM
Tiny
ANDRIN ATEM
  • MEMBER
  • 422 POSTS
Sure
Was this
answer
helpful?
Yes
No
Wednesday, October 2nd, 2024 AT 10:29 AM
Tiny
ANDRIN ATEM
  • MEMBER
  • 422 POSTS
I reprogrammed the steering angle sensor, the fault does not show up again, but I do still have the AWD light coming on and off in different intervals.

Let me provide new codes I have.
Was this
answer
helpful?
Yes
No
Thursday, October 10th, 2024 AT 2:53 AM
Tiny
ANDRIN ATEM
  • MEMBER
  • 422 POSTS
Hi Ken, please help get me diagram for the can high and can low for this fault, so I can follow the can bus network to see where the communication ends.
Was this
answer
helpful?
Yes
No
Thursday, October 10th, 2024 AT 9:21 AM
Tiny
KEN L
  • MASTER CERTIFIED MECHANIC
  • 55,522 POSTS
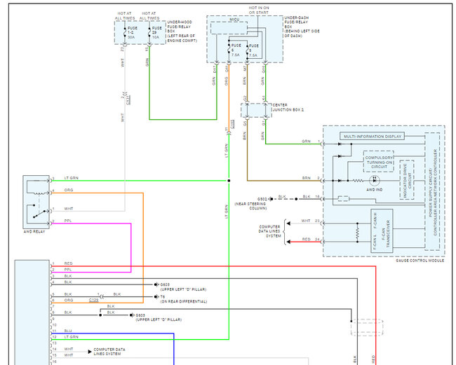
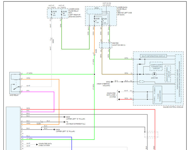
Sure, here is the high and low speed CAn BUS wiring diagrams with a guide to help you with the testing.

https://www.2carpros.com/articles/how-to-check-wiring

Check out the images (below). Please let us know what happens.
Was this
answer
helpful?
Yes
No
Thursday, October 10th, 2024 AT 12:03 PM

Please login or register to post a reply.