Thursday, November 19th, 2020 AT 10:22 PM
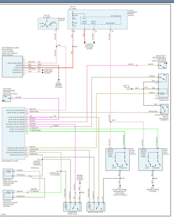
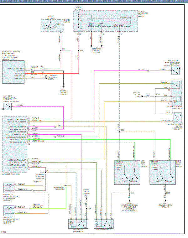
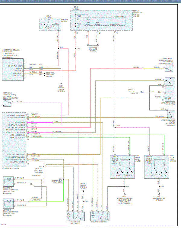
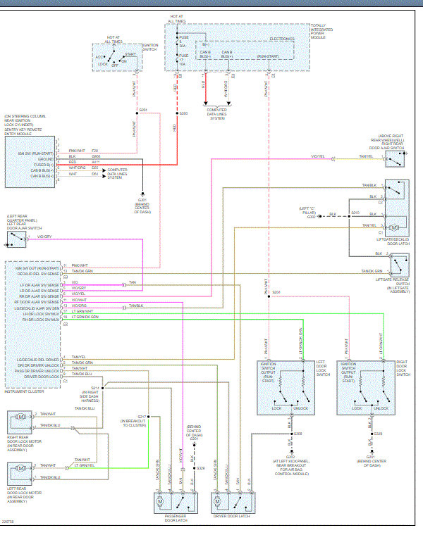
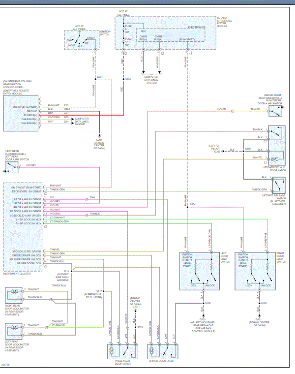
Automatic door locks worked fine when I bought the car a few weeks ago, but now they don't. The door locks are not locking or unlocking when using the key fob (remote keyless entry) or when using any of the automatic door lock buttons in the vehicle. When the lock button is pressed on the key fob the security system is armed (hazard lights flash, red blinking light activates), but the doors don't lock. Alternatively, when the unlock button is pressed on the key fob the security system is disarmed (hazard lights flash, red blinking light stops), but the doors don't unlock. I was in the middle of a compression test on the vehicle when it happened, so the battery was hooked up to a charger and multiple turnovers were performed to complete the test. Currently, the car starts, runs and drives perfectly. I have checked all fuses, none are blown. I have checked all grounds and they all appear clean and in tact. There are no check engine lights or codes picked up by my scanner. It's almost as if I activated a setting that needs to be reversed or have blown a fuse that I'm unaware of. Your help is appreciated!





