Auto door locks drains battery

Tiny
NOELLE DENAULT
  • MEMBER
  • 2002 SATURN SL2
  • 1.9L
  • 4 CYL
  • AUTOMATIC
  • 90,000 MILES
So, I need to pull their fuses. Need to know where they're located, and if not labelled, which ones to pull.
Sunday, May 3rd, 2020 AT 1:48 PM

2 Replies

Tiny
CJ MEDEVAC
  • MECHANIC
  • 11,005 POSTS
So.

Miss NOELLE DENAULT

I jumped onto another tab (I made sure to be safe, no one else was on my tab)

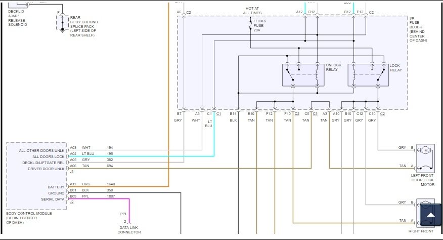
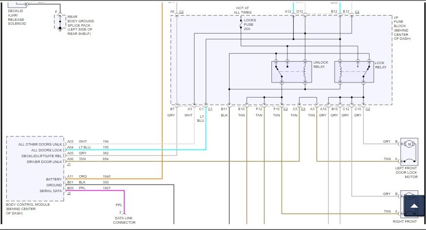
I got on "Prodemand" and looked up your door lock system wire diagram

Again, no one else was there, it was safe for me to take a few screenshots!

Beings that that site is a pay site, I cannot use traditional copy and paste techniques to get diagrams.

Here at 2carpros we are allowed to screenshot some of their info (I reckon we're special or something!)

Anyway,

It took three shots to get the diagram big enough to read.

They stack on one another. (Pics at bottom)

I insured they overlapped so that no information got lost. You will notice a little duplication on the adjoining shots.

I went ahead and got the whole deal in case you might need other information.

Notice there are rectangles around some of the items, this would show those items are together in a compartment/ etc.

There is also text right beside the rectangles explaining "what it is" and "where it is located" on the vehicle.

Your fuses are normally at the top of the diagram.

Let us know if this helps you!

The (Safe!) Medic
Was this
answer
helpful?
Yes
No
Sunday, May 3rd, 2020 AT 7:14 PM
Tiny
KEN L
  • MASTER CERTIFIED MECHANIC
  • 55,291 POSTS
Here are the fuse locations. This guide can help as well:

https://www.2carpros.com/articles/car-battery-dead-overnight

Check out the diagrams (below). Please let us know what happens.

Was this
answer
helpful?
Yes
No
Tuesday, May 5th, 2020 AT 10:50 AM

Please login or register to post a reply.