Can I get an audio speaker wired diagram?

Tiny
VICMONT06
  • MEMBER
  • 2014 KIA SOUL
  • 4 CYL
  • 120,000 MILES
Need diagram radio please.
Monday, March 28th, 2022 AT 8:13 PM

3 Replies

Tiny
BORIS K
  • MECHANIC
  • 836 POSTS
Hello,

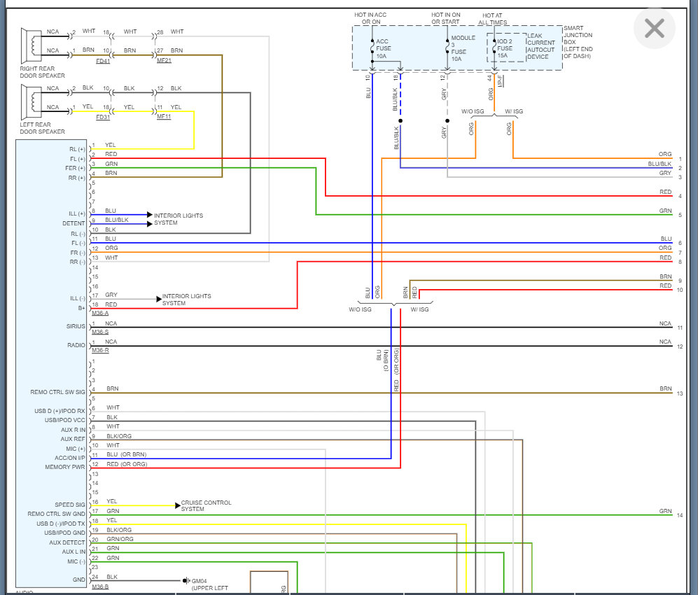
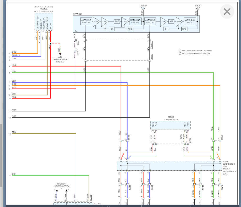
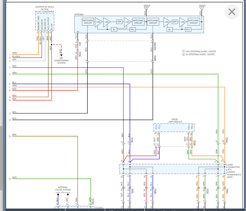
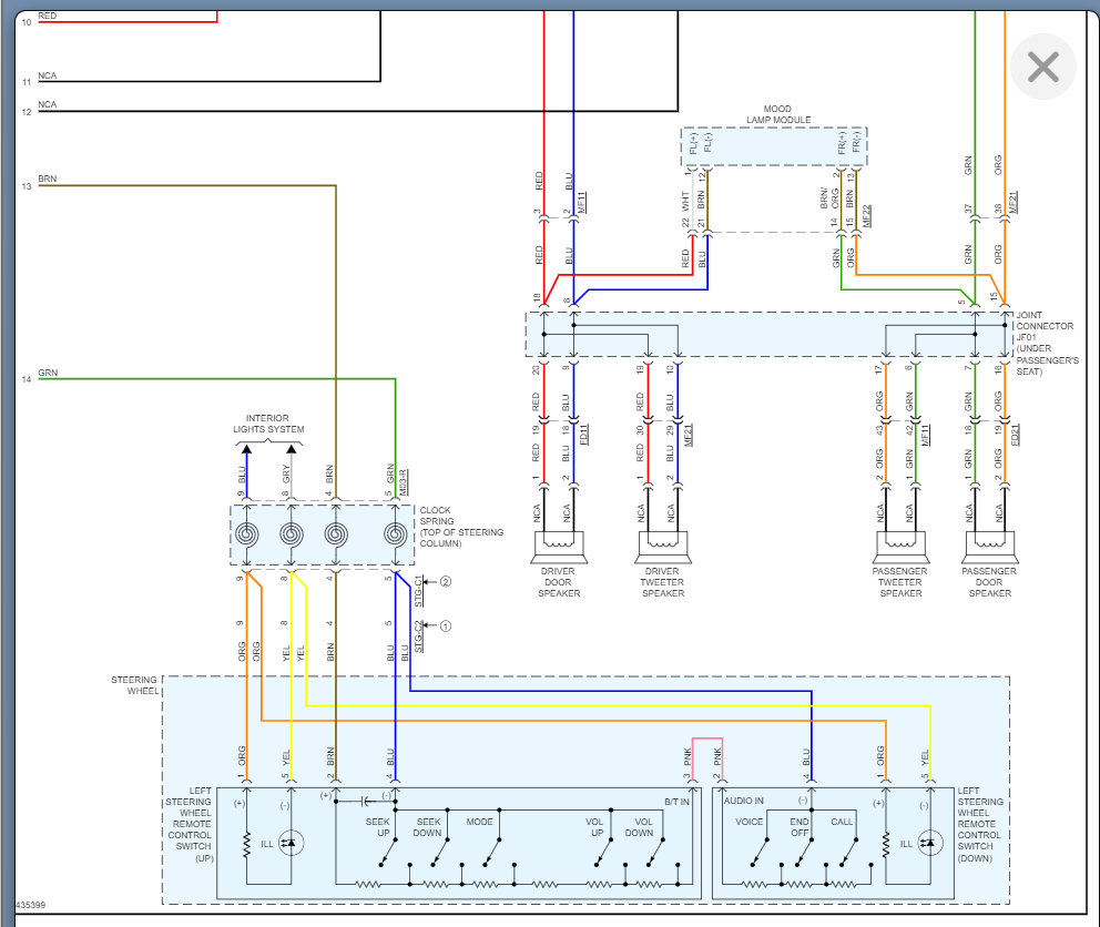
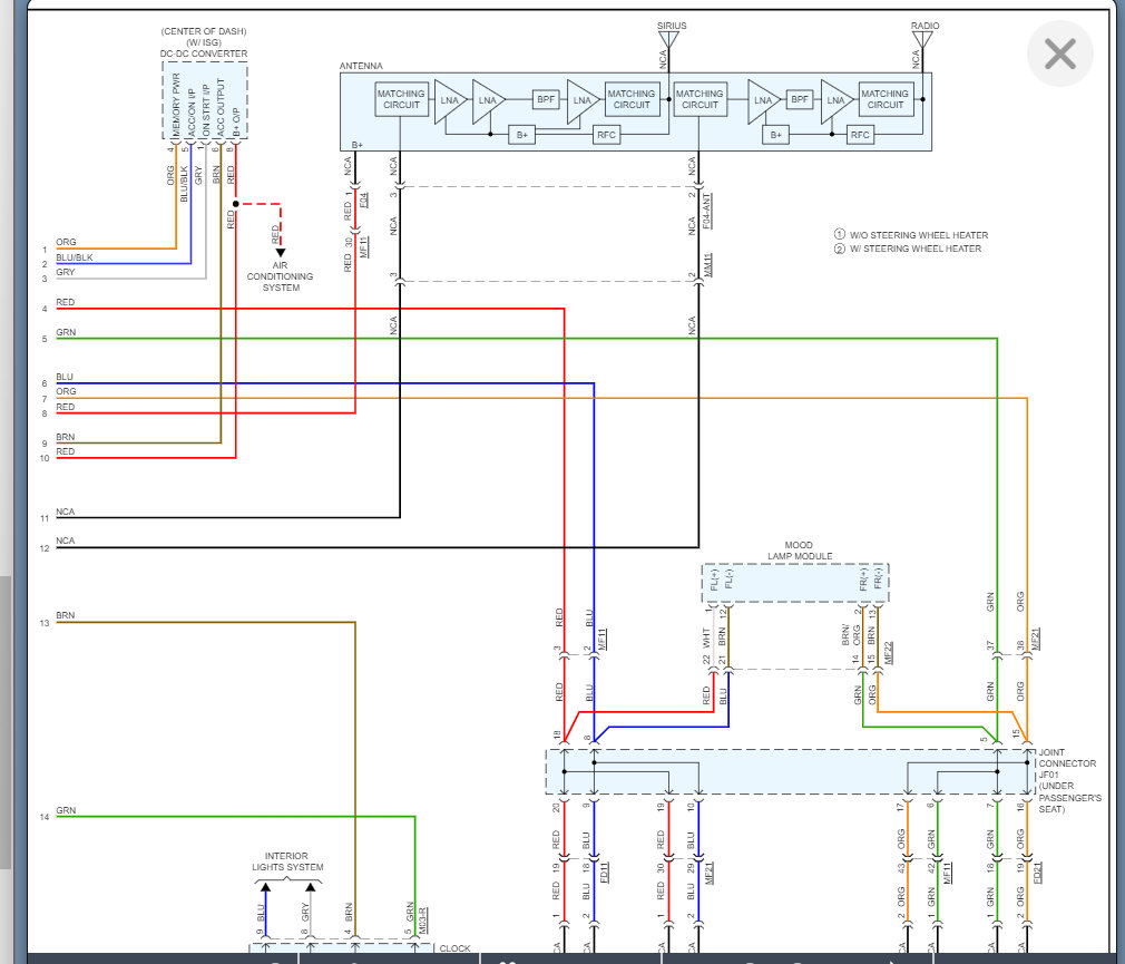
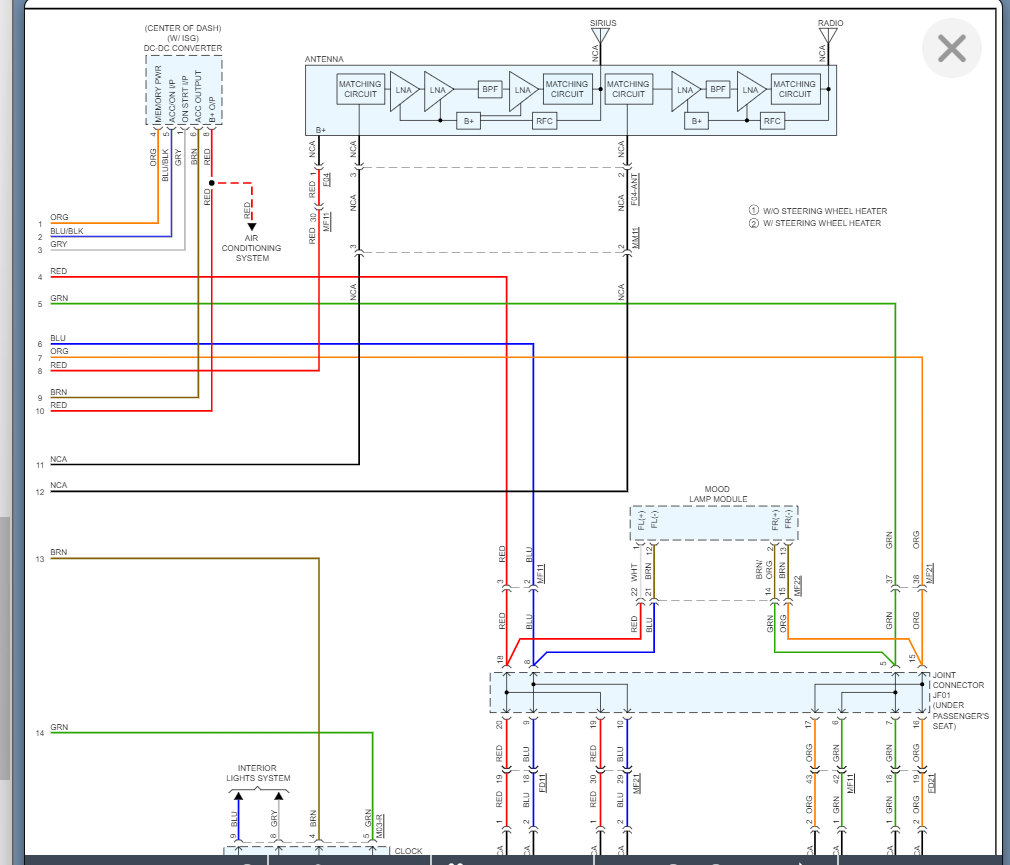
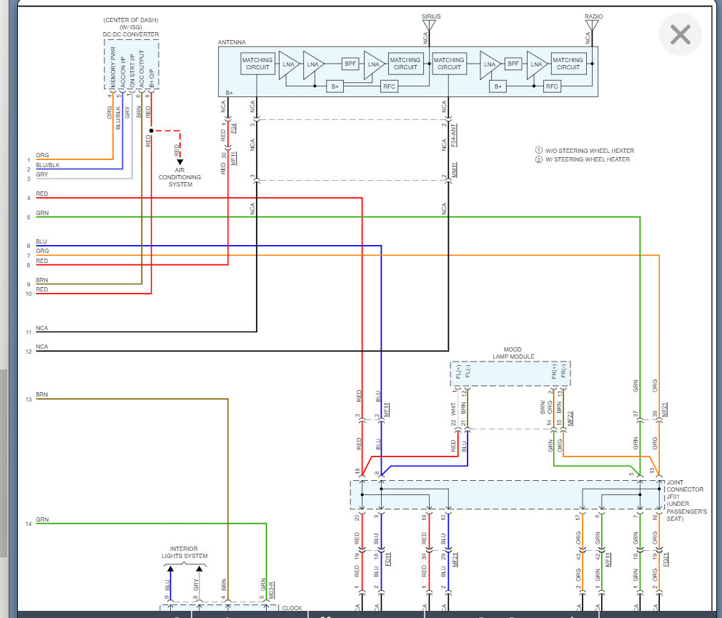
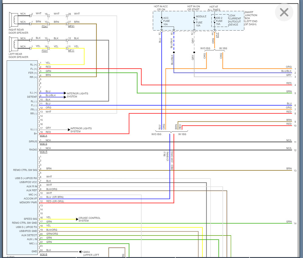
There are several options of the radio wiring diagram depending on the equipment level of your vehicle.

Please see below for the speaker wiring diagram.

Let us know how you get along.

Cheers, Boris
Was this
answer
helpful?
Yes
No
Tuesday, March 29th, 2022 AT 6:07 AM
Tiny
VICMONT06
  • MEMBER
  • 2 POSTS
And the tweeters are connected with the front speakers if yes are in serial o parallel. I want to connect amplifier, so I want to know how is the wired connection.
Was this
answer
helpful?
Yes
No
Wednesday, March 30th, 2022 AT 7:17 PM
Tiny
KASEKENNY
  • MECHANIC
  • 18,907 POSTS
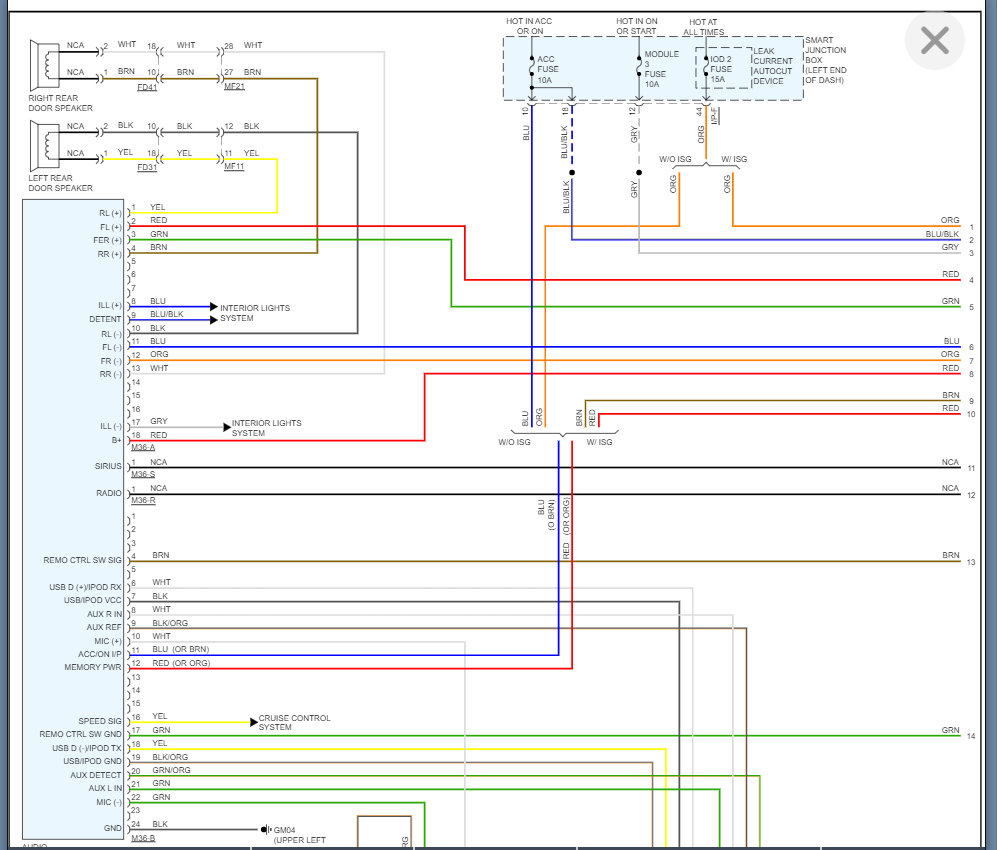
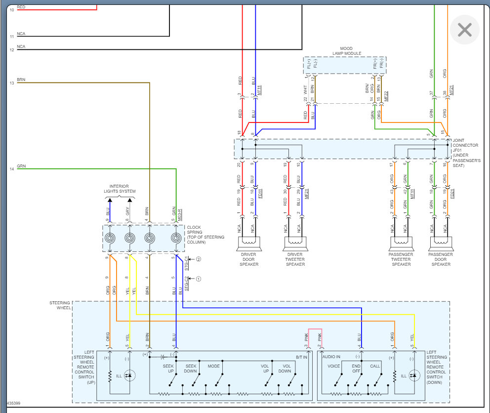
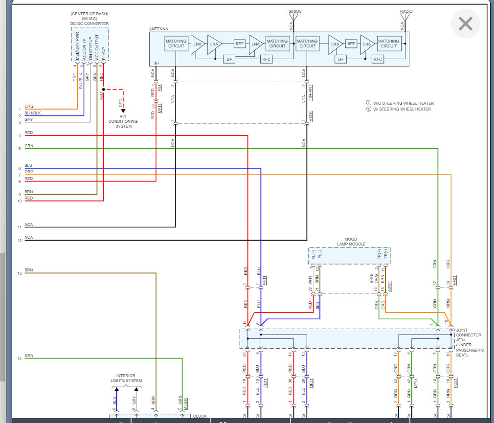
Just to jump in on this, it sounds like if you want to add an amp then you have the system that doesn't contain one. Also, I assume you don't have nav but if you do have tweeters then I am attaching the wiring diagrams below.

However, if you are looking to add an amp then the speakers are wired directly to the amp in series.

Take a look at this diagram and let us know if you have more questions.

Thanks
Was this
answer
helpful?
Yes
No
Sunday, April 3rd, 2022 AT 8:47 AM

Please login or register to post a reply.