Manually turning the engine causes the ASD relay to close momentarily

Tiny
JLPIERCE
  • MEMBER
  • 1993 DODGE DAKOTA
  • 5.2L
  • V8
  • 2WD
  • AUTOMATIC
  • 168,000 MILES
On in initial "key on" the relay does not close. Shorting the wire to pin 51, at the PCM, closes the relay and gives me fuel press. And spark. Manually turning the engine causes the ASD relay to close momentarily (when it receives signal from cam sensor). Same results on three PCM's, one rebuilt.

Thanks,
Jack
Tuesday, June 26th, 2018 AT 3:16 PM

9 Replies

Tiny
AL514
  • MECHANIC
  • 5,584 POSTS
You might want to check all the ECM powers and grounds. Sound like you have a broken wire somewhere. Check under the fuse box that the ASD relay is in and make sure those pins are good. They corrode underneath and can be a pain to find.
Was this
answer
helpful?
Yes
No
-1
Wednesday, May 5th, 2021 AT 9:53 AM
Tiny
JLPIERCE
  • MEMBER
  • 4 POSTS
No corrosion found from bottom of ASD to PCM.
I am lost, but I feel the following is true, but I am ready to be corrected.

ASD closes when shorting at PCM pin 51, would indicate a satisfactory circuit. ASD closing with cam sensor signal would also indicate a satisfactory circuit.
Was this
answer
helpful?
Yes
No
Wednesday, May 5th, 2021 AT 9:53 AM
Tiny
JLPIERCE
  • MEMBER
  • 4 POSTS
I have good grounds (pin 11 and 12) and good battery and ignition voltage supply to PCM.
Was this
answer
helpful?
Yes
No
Wednesday, May 5th, 2021 AT 9:53 AM
Tiny
KEN L
  • MASTER CERTIFIED MECHANIC
  • 55,281 POSTS
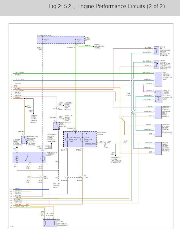
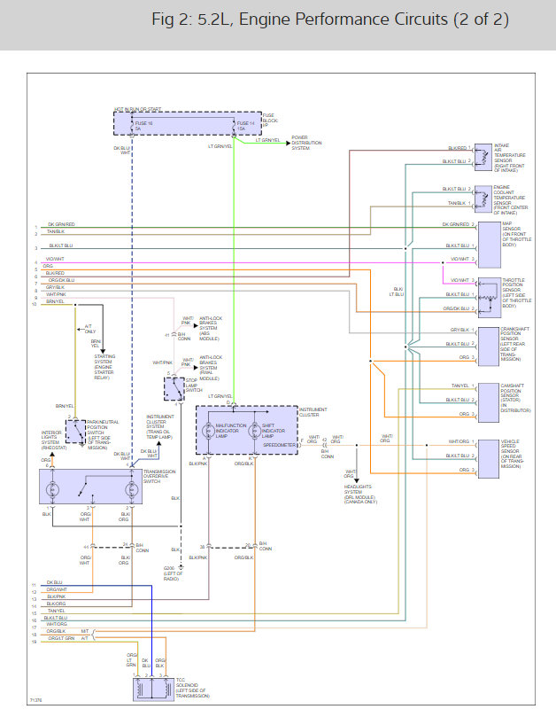
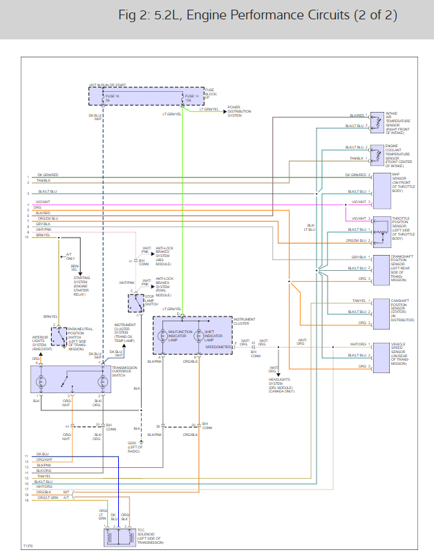
Is the security light flashing when you try to start the car? It sounds like a computer issue not closing the relay, but we should check the wiring. Here is a guide to help you and the ASD relay wiring diagrams:

https://www.2carpros.com/articles/how-to-check-wiring

Check out the diagrams (below). Please let us know what you find.

Cheers, Ken
Was this
answer
helpful?
Yes
No
-2
Wednesday, May 5th, 2021 AT 9:53 AM
Tiny
JLPIERCE
  • MEMBER
  • 4 POSTS
FYI.
I finally found the problem! The PCM evidently will not close and hold the ASD without proper (in time) cam sensor input. I rotated the distributor rotor 180 degrees and the engine fired right up.
Thanks for your help.
Jack
Was this
answer
helpful?
Yes
No
+1
Wednesday, May 5th, 2021 AT 9:53 AM
Tiny
KEN L
  • MASTER CERTIFIED MECHANIC
  • 55,281 POSTS
Glad you could get it fixed, that kind of problem can be tough. Please use 2CarPros. Com anytime we are here to help.

Cheers, Ken
Was this
answer
helpful?
Yes
No
Wednesday, May 5th, 2021 AT 9:53 AM
Tiny
BULLHEAD73
  • MEMBER
  • 6 POSTS
Hey Jack, are you saying that the PCM would not close the ASD at the initial 2 second prime or at cranking? I'm troubleshooting a similar issue on a 1999 Jeep WY 4.7L. It's almost like I don't get the close signal to the ASD but if I bump the engine over several times, it magically appears and starts.
Was this
answer
helpful?
Yes
No
Tuesday, December 31st, 2024 AT 11:37 AM
Tiny
KEN L
  • MASTER CERTIFIED MECHANIC
  • 55,281 POSTS
Please start a new thread, this question is for a Dodge. Post your new question here, you must be logged in.

https://www.2carpros.com/questions/new
Was this
answer
helpful?
Yes
No
-1
Wednesday, January 1st, 2025 AT 10:15 AM
Tiny
BULLHEAD73
  • MEMBER
  • 6 POSTS
Same issue same manufacturer.
Was this
answer
helpful?
Yes
No
Wednesday, January 1st, 2025 AT 10:23 AM

Please login or register to post a reply.