Anti theft system

Tiny
PENDOEDLI2
  • MEMBER
  • 1999 FORD EXPLORER
  • 6 CYL
  • 2WD
  • MANUAL
  • 120,000 MILES
I put new battery cables and ends on it and it will not even turn over now. I was told it is the anti theft system so need to know how to reset or bypass the anti theft system. Somebody said unhook the battery and leave it sit for at least two days and it will reset itself, but I need my car. I have chemotherapy tomorrow.
Monday, June 18th, 2018 AT 1:28 PM

1 Reply

Tiny
JACOBANDNICKOLAS
  • MECHANIC
  • 110,192 POSTS
Hi and thanks for using 2CarPros. Com.

The anti-theft system that is causing the problem is a passive anti theft system. It does not matter how long you disconnect the battery, it will not reset if there is a problem. Now, with that said, my guess is that something different has happened. If, in fact, you lost the key to the vehicle, a dealer would have to reprogram it so the PCM (power control module) and the PATS system recognized each other.

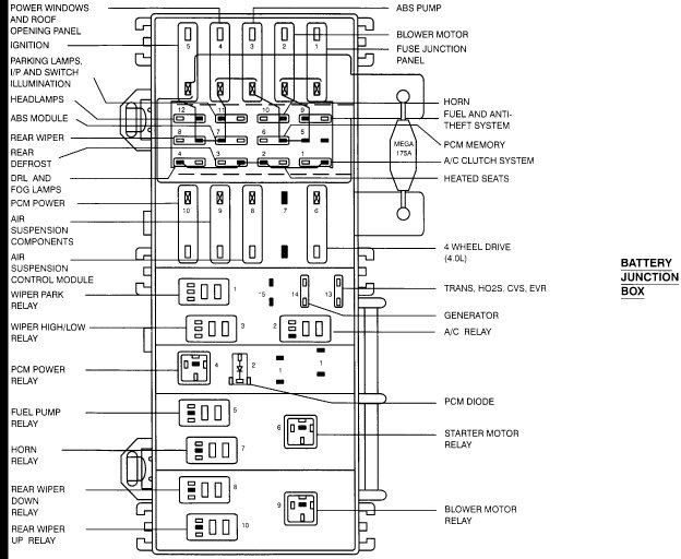
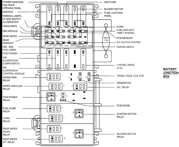
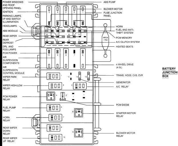
Since you replace the battery terminals, I would suggest checking the main engine fuses located in the power distribution box. I attached two pictures for your review. The first is of the maxi fuses in the vehicle. Note that number 5 is for the ignition. Check to make sure that fuse is clean, tight, and not blown.

Check that and let me know what you find.

Take care,
Joe
Was this
answer
helpful?
Yes
No
Tuesday, June 19th, 2018 AT 8:09 PM

Please login or register to post a reply.