Friday, August 29th, 2025 AT 12:55 PM
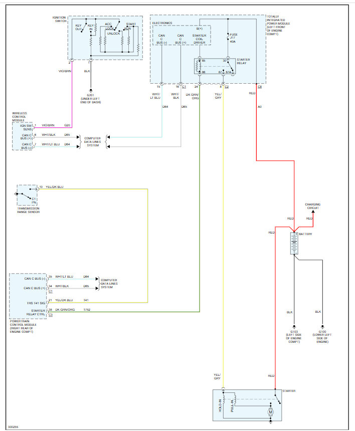
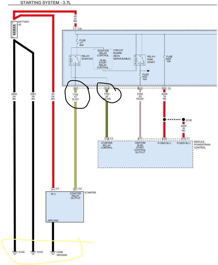
I purchased the Jeep with a bad engine. I drove it into my shop, and replaced the short block. Now the starter won't engage. I removed the starter relay and jumped the terminals. The starter turns over. I switched relays. Still not working. I cleaned all chassis grounds, and even installed one directly to the negative battery terminal. Neither key fob will lock or unlock the car. The power windows do not work. I unhooked the battery to recharge it. When I reconnected it, no lights came on when I turned the key to run. When I locked and unlocked the drivers door, then the dash lights came on with the key. I checked the key fob batteries. Both are at 1.6 volts. The jeep sat outside for a month while I located an engine. Is this all caused by the anti-theft system? I also sent in the TIPM and had it checked. No problems found. There are no codes stored.




