Anti theft module location

Tiny
JEFF WRIGHT2
  • MEMBER
  • 2001 JEEP GRAND CHEROKEE
  • 6 CYL
  • 200,000 MILES
I bought this vehicle with this problem, so I went through all the reset procedures, didn't work. I think it has to many sensors giving a signal at once, so I want to exactly where the anti theft module is located, either on the vehicle or in the PCM, or BCM. Also if I could get a copy of the complete schematics of both.
Thank you,
Jeff
Saturday, May 11th, 2019 AT 11:39 PM

1 Reply

Tiny
DANNY L
  • MECHANIC
  • 5,648 POSTS
Hello Jeff, I'm Danny.

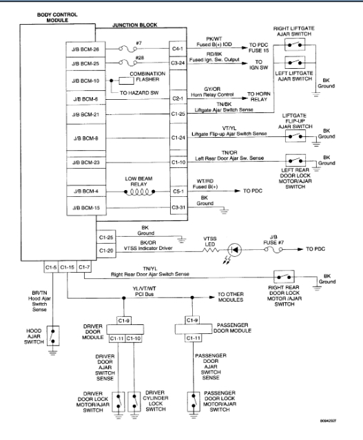
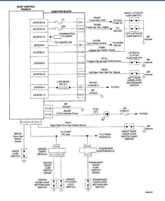
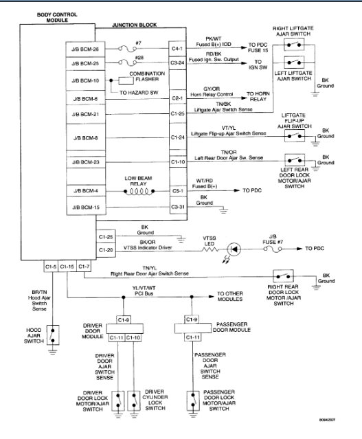
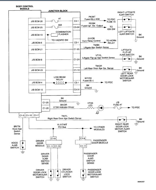
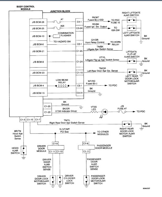
The information for anti-theft goes through the BCM. There are two door modules you should check first for this reason. Here is a tutorial showing you how to check wiring:

https://www.2carpros.com/articles/how-to-check-wiring

If there is the slightest voltage drop in either of these modules the vehicle will think it's being stolen/broke into. I've attached pictures/diagram below (circled in red the door modules).It will give false readings to the BCM. Hope this helps and feel free to ask any questions.Thanks for using 2CarPros.
Danny-
Was this
answer
helpful?
Yes
No
-1
Sunday, May 12th, 2019 AT 12:26 AM

Please login or register to post a reply.