Anti theft deterrent reset?

Tiny
HMAC300
  • MECHANIC
  • 48,601 POSTS
Could be a switch bad but have it scanned it may be a body module problem.
Was this
answer
helpful?
Yes
No
+1
Friday, July 24th, 2020 AT 11:36 AM (Merged)
Tiny
NFL4GMAN
  • MEMBER
  • 1 POST
  • 2002 CHEVROLET SILVERADO
  • V8
  • 2WD
  • AUTOMATIC
  • 22,589 MILES
I've been having this problem for sometime now and I will tell you what I have done. Early in the mornings I go to get in my truck and I push the keyless entry button and get no response, this is a factory installed system (Clifford). If I leave it sit and the wheather warms up the keyless system works. So, I thought maybe the battery was failing so I replaced it and that seemed to do the trick for a couple of weeks. But, now I'm back to square one. Could this be the alternator or the security system. I'm lost with this. Please give me any advice you can. Please ask more questions if you more info. Thanks and God Bless
Was this
answer
helpful?
Yes
No
Friday, July 24th, 2020 AT 11:36 AM (Merged)
Tiny
MASTERTECHTIM
  • MECHANIC
  • 4,750 POSTS
First of all the clifford alarm is not factory installed, but rather it is subletted to a alarm shop. I find usually its shoddy installation of alarm or keyless entry that is the problem.
Was this
answer
helpful?
Yes
No
Friday, July 24th, 2020 AT 11:36 AM (Merged)
Tiny
MMIKE1234
  • MEMBER
  • 1 POST
  • 2002 CHEVROLET SILVERADO
  • 100,000 MILES
My used 2002 Silverado has the anti theft feature and I don't know the unlock codes. After the battery was changed my radio no longer works. How can I obtain the security unlock code? Or do I have to take to dealer?
Was this
answer
helpful?
Yes
No
Friday, July 24th, 2020 AT 11:36 AM (Merged)
Tiny
JACOBANDNICKOLAS
  • MECHANIC
  • 110,192 POSTS
You will need to see a dealer to get that bypassed.
Was this
answer
helpful?
Yes
No
-2
Friday, July 24th, 2020 AT 11:37 AM (Merged)
Tiny
MANNING75
  • MEMBER
  • 1 POST
  • 2001 CHEVROLET SILVERADO
  • 306,000 MILES
Security and battery flashes on the message board. Everything electrical seems to work, but the starter will not make a sound, and I can hear relays engage when I turn the ignition to the start position. There is not a problem with the starter.
Was this
answer
helpful?
Yes
No
Friday, July 24th, 2020 AT 11:37 AM (Merged)
Tiny
SATURNTECH9
  • MECHANIC
  • 30,869 POSTS
Have you had the battery tested and made sure the battery cables are clean and tight? The lights take a lot less power then the starter.
Was this
answer
helpful?
Yes
No
Friday, July 24th, 2020 AT 11:37 AM (Merged)
Tiny
MAXIMILIAM
  • ADMIN
  • 436 POSTS
The battery has 12.36vdc, via my meter. I need to know how to reset the security system. I've replaced the key cylinder, and Will not crank.

Manning75
Was this
answer
helpful?
Yes
No
+1
Friday, July 24th, 2020 AT 11:37 AM (Merged)
Tiny
SATURNTECH9
  • MECHANIC
  • 30,869 POSTS
All of the gm security systems from 2000 on don't disable the starter they disable the fuel injectors. You said the starter was inop?You can relearn the pass lock by trying to start it then letting the key go back to the run position till the security light turns off or stops flashing or turns off. Then turn the key off for ten seconds. Then repeat the steps two more times. The ssecurty could be flashing from the doors being open. Ho do you know the starter is good.
Was this
answer
helpful?
Yes
No
Friday, July 24th, 2020 AT 11:37 AM (Merged)
Tiny
BRETCRICK
  • MEMBER
  • 1 POST
  • 2000 CHEVROLET SILVERADO
  • 5.7L
  • V8
  • 4WD
  • AUTOMATIC
  • 130,000 MILES
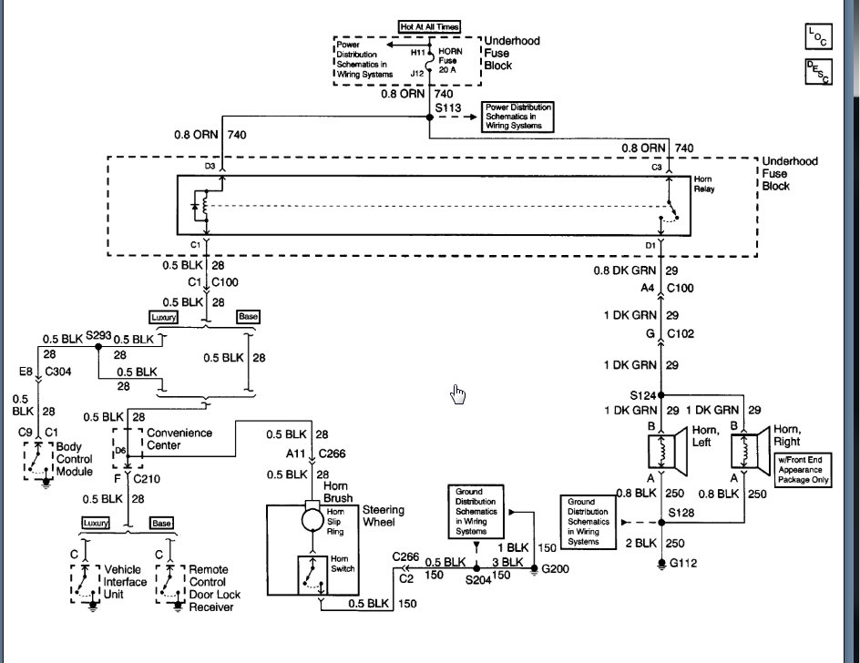
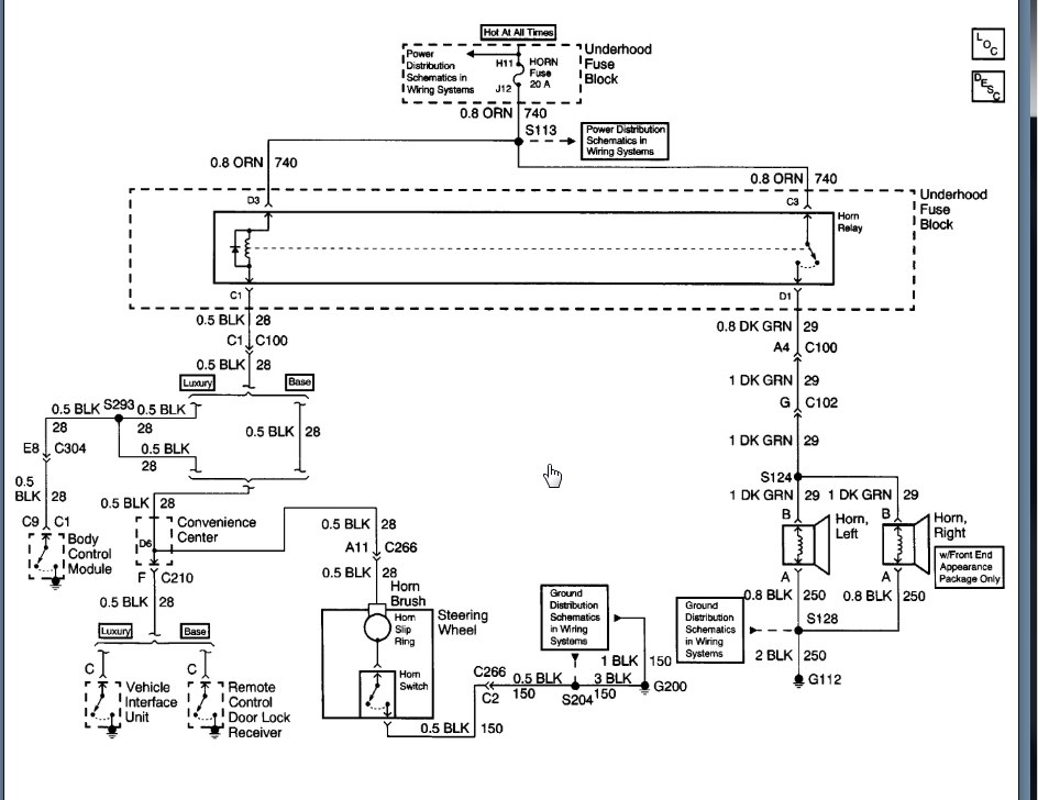
Where is the horn located at for my alarm system? Mine doesn’t make any sound when alarm goes off just lights flash.
Was this
answer
helpful?
Yes
No
Friday, July 24th, 2020 AT 11:37 AM (Merged)
Tiny
KASEKENNY
  • MECHANIC
  • 18,907 POSTS
Does the horn work when you press the horn switch on the steering wheel? You have a horn on the left and right. It appears the one on the left side (driver's) is for alarm. I would just check to see if you have power going to the horn when the alarm is on. If you do then the diagram in the horn isn't working and just needs to be replaced.
Was this
answer
helpful?
Yes
No
Friday, July 24th, 2020 AT 11:37 AM (Merged)
Tiny
BLUEMOON67
  • MEMBER
  • 1 POST
  • 2000 CHEVROLET SILVERADO
Electrical problem
2000 Chevy Silverado V8 Two Wheel Drive Automatic

How do you reset or correct a passlock code?
Was this
answer
helpful?
Yes
No
Friday, July 24th, 2020 AT 11:37 AM (Merged)
Tiny
JACOBANDNICKOLAS
  • MECHANIC
  • 110,192 POSTS
Are you refering to the fob? If not, refer to the owner's manual for directions about changing the combination on the door. You must, however, know the old pass code to do it.
Was this
answer
helpful?
Yes
No
Friday, July 24th, 2020 AT 11:37 AM (Merged)
Tiny
BKAEMPFE1989
  • MEMBER
  • 36 POSTS
  • 2005 CHEVROLET SILVERADO
  • 102 MILES
I moved my alarm around under my dash and now truck start for one sec then dies fuel is good so is fuel pump I hear it working and truck ran perfect before I did this any ideas or do you know how to reset the passlock thing I have been hearing about this is really troubling me I only have this one way of getting around and now it wont work
Was this
answer
helpful?
Yes
No
Thursday, September 3rd, 2020 AT 6:13 PM (Merged)
Tiny
BKAEMPFE1989
  • MEMBER
  • 36 POSTS
I heard about a system reset were I leave key in on position and wait ten min and go to off and then back to on repeat process 3 time but in doing this my security light isn't on I don't know if it supposed to be on while I try this
Was this
answer
helpful?
Yes
No
+1
Thursday, September 3rd, 2020 AT 6:13 PM (Merged)

Please login or register to post a reply.