Monday, June 16th, 2025 AT 3:46 PM
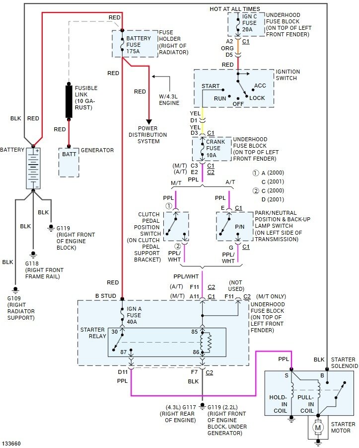
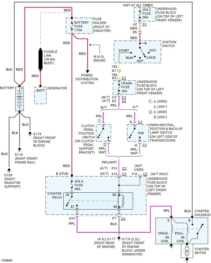
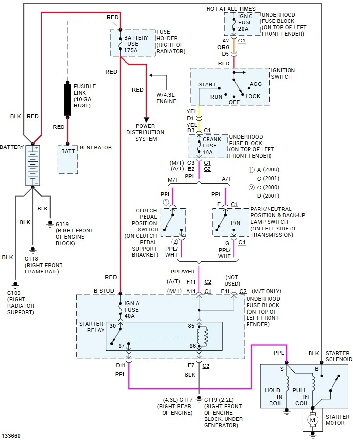
The red light under dash is working for alarm but 3 wires not hooked up, so pushing clutch in to start will not start. I heard about a 'paperclip bypass you can use with a paperclip inserted into the clutch bypass module. Will this method work since the red light under dash is on? Any other help would be greatly appreciated. I know I'm reaching, but the truck has been down for months and I can't afford to have it towed to fix it. I just need to get it running. It will still start rolling downhill. Thanks!

