PCM/BCM/immobilizer location

Tiny
CATAFINA
  • MECHANIC
  • 98 POSTS
Ignition relay and computer control relay Please!
Was this
answer
helpful?
Yes
No
Saturday, October 20th, 2018 AT 6:42 PM
Tiny
JACOBANDNICKOLAS
  • MECHANIC
  • 110,194 POSTS
No ignition relay. The MFI relay is under the hood.
Was this
answer
helpful?
Yes
No
+1
Saturday, October 20th, 2018 AT 7:48 PM
Tiny
CATAFINA
  • MECHANIC
  • 98 POSTS
You gave me this: need to know where is this at?

I did the resetting of the antitheft in this website, also try this on the Mitsubushi Outlander @ justanswer

Okay what has probably happened is that the Key fob lost its programming.

This you can reprogram yourself.

This is what you have to do :

1. Locate the Data Port under drivers side dashboard usually located to the right of steering column.

2. Insert keys in ignition and leave in the OFF position.

3. Make sure there are metal contact pins in terminals 1 and 4 and connect the Data Port terminals 1 and 4 with a
suitable jumper wire, leave the jumper wire connected throughout the programming procedure. Make sure you
know which terminals are 1 and 4.

4. Within 10 seconds after connecting the jumper wire, press the Hazard Switch 6 times. Note: The doors will
automatically lock and unlock once at this time indicating that the system is in the programming mode.

5. Press the LOCK button on the remote to be registered three times within 10 seconds. Upon successful
programming, the door will lock and unlock once.

6. Repeat step 5 with up to 4 remotes (including any existing remotes) within one minute. After completing each
programming, the doors will lock and unlock once.

7. Disconnect the programming wire and remove the keys from the ignit

Note: On 4/5 I don't hear the doors locking/unlocking no sound at all, here's the ignition relay-below
Was this
answer
helpful?
Yes
No
Sunday, October 21st, 2018 AT 12:16 AM
Tiny
JACOBANDNICKOLAS
  • MECHANIC
  • 110,194 POSTS
Hi Raz. It is under hood on the driver's side near firewall in the relay box. I think that is what you needed. Let me know if it is not.

I am starting to get confused, lol.
Was this
answer
helpful?
Yes
No
Sunday, October 21st, 2018 AT 8:11 PM
Tiny
CATAFINA
  • MECHANIC
  • 98 POSTS
Not yet will tackle this together (relay box) where the starter/horn and MFI relays located at. Tried jumping the starter and it crank over pour some gas in the throttle body will not start-change battery on the fobs still the same. You call the shot I will change. Tired of fooling around with this beast.
Was this
answer
helpful?
Yes
No
Sunday, October 21st, 2018 AT 8:30 PM
Tiny
JACOBANDNICKOLAS
  • MECHANIC
  • 110,194 POSTS
Raz, how have you been? Why aren't you answering on here?

Anyway, I think the body control module (etacs) has failed. It doesn't happen often, but it does happen.
Was this
answer
helpful?
Yes
No
Monday, October 22nd, 2018 AT 4:31 PM
Tiny
CATAFINA
  • MECHANIC
  • 98 POSTS
Joe, do I have to reprogram the ETACS after installing it or I have to take it to a dealer-can you help me find one. I have to go back to the hospital dunno if am coming out or what
Once again thank you for everything take care

Jess
Was this
answer
helpful?
Yes
No
Monday, October 22nd, 2018 AT 7:18 PM
Tiny
JACOBANDNICKOLAS
  • MECHANIC
  • 110,194 POSTS
Raz, it does need flashed/programmed. Where are you located? I am not familiar with dealers near you but I will try to find one.

Let me know.
Was this
answer
helpful?
Yes
No
Monday, October 22nd, 2018 AT 7:24 PM
Tiny
CATAFINA
  • MECHANIC
  • 98 POSTS
Guamm It would be appreciated, let me try the ignition lock switch for the heck of it, but where-the reason is it has to come on before the starter relay energizes.
Was this
answer
helpful?
Yes
No
Tuesday, October 23rd, 2018 AT 7:13 PM
Tiny
CATAFINA
  • MECHANIC
  • 98 POSTS
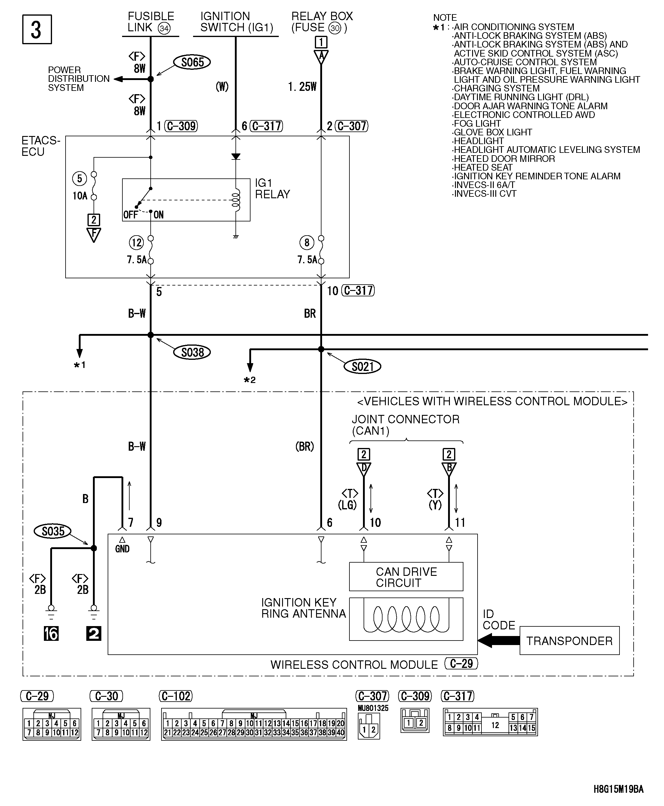
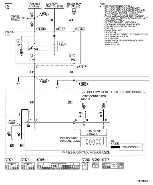
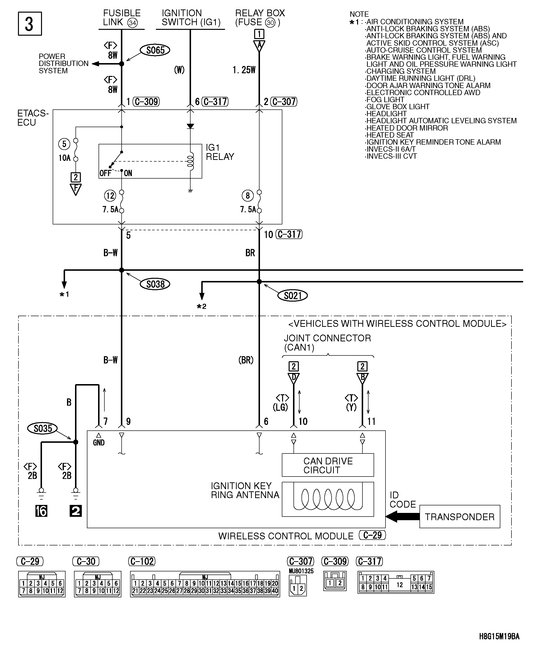
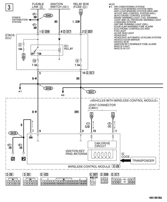
Joe. Can you check again for the ignition relay 2.4 liter and where is it located. It powers the WCM and also the MFI powers the Ignition system
Was this
answer
helpful?
Yes
No
Saturday, October 27th, 2018 AT 11:15 PM
Tiny
JACOBANDNICKOLAS
  • MECHANIC
  • 110,194 POSTS
Raz:
Here are the relays.
Was this
answer
helpful?
Yes
No
Saturday, October 27th, 2018 AT 11:53 PM
Tiny
CATAFINA
  • MECHANIC
  • 98 POSTS
Any luck on the ETACS?
Was this
answer
helpful?
Yes
No
Monday, October 29th, 2018 AT 12:50 AM
Tiny
JACOBANDNICKOLAS
  • MECHANIC
  • 110,194 POSTS
Nothing.
Was this
answer
helpful?
Yes
No
Monday, October 29th, 2018 AT 5:10 PM
Tiny
CATAFINA
  • MECHANIC
  • 98 POSTS
Joe, gonna check something can you provide a schematic/diagram for the start circuit from the ignition switch to the starter motor
Was this
answer
helpful?
Yes
No
Monday, October 29th, 2018 AT 7:04 PM
Tiny
CATAFINA
  • MECHANIC
  • 98 POSTS
This is the engine compartment fuse/relay box-the relays boxes you given me is entirely different then what I have. After checking most of it -its pointing to the ETACS

See below-this what I have
Was this
answer
helpful?
Yes
No
Tuesday, October 30th, 2018 AT 12:58 AM
Tiny
JACOBANDNICKOLAS
  • MECHANIC
  • 110,194 POSTS
Interesting. That is not the picture I have. I have a feeling it is the module.
Was this
answer
helpful?
Yes
No
Tuesday, October 30th, 2018 AT 5:10 PM
Tiny
CATAFINA
  • MECHANIC
  • 98 POSTS
That is what I have physically. What modules the WCM' ETACS or the PCM am prepared to change it no matter what lets get to the bottom of this getting too long on this.
Was this
answer
helpful?
Yes
No
Tuesday, October 30th, 2018 AT 5:15 PM
Tiny
JACOBANDNICKOLAS
  • MECHANIC
  • 110,194 POSTS
Pic 1 KOS module
Pic 2 and 3 WCM
Pic 4 and 5 ETACS / ECU
Was this
answer
helpful?
Yes
No
Tuesday, October 30th, 2018 AT 6:00 PM
Tiny
CATAFINA
  • MECHANIC
  • 98 POSTS
KOS module what does it really do
Was this
answer
helpful?
Yes
No
Tuesday, October 30th, 2018 AT 6:14 PM
Tiny
CATAFINA
  • MECHANIC
  • 98 POSTS
Looking for the KOS Module no where to be found underneath as picture describe/resemble nothing there-suppose to be there right side of steering shaft.
Was this
answer
helpful?
Yes
No
Tuesday, October 30th, 2018 AT 8:41 PM

Please login or register to post a reply.