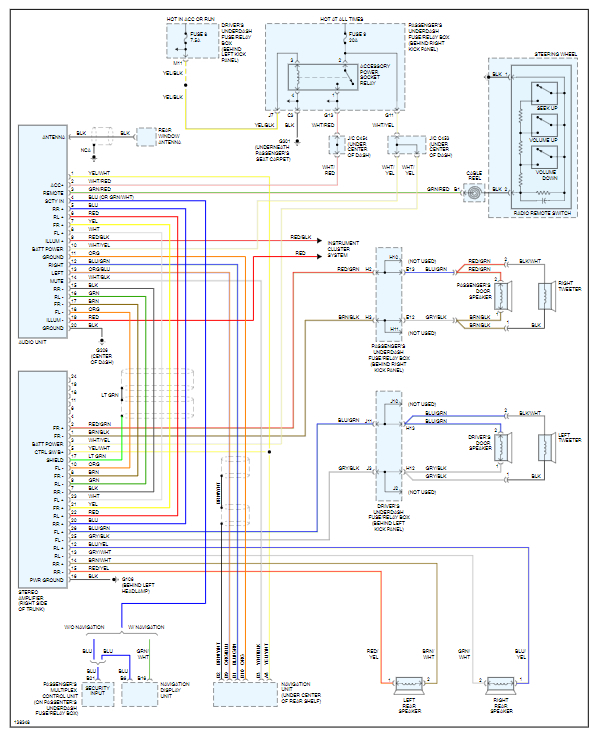
The amp is draining the power from the battery

Tiny
ALICE BROWN-WARD
  • MEMBER
  • 2001 ACURA CL
  • 2.4L
  • 6 CYL
  • TURBO
  • 2WD
  • AUTOMATIC
  • 163,000 MILES
How can I fix this problem?
Thursday, October 15th, 2020 AT 11:54 AM

1 Reply

Tiny
KASEKENNY
  • MECHANIC
  • 18,907 POSTS
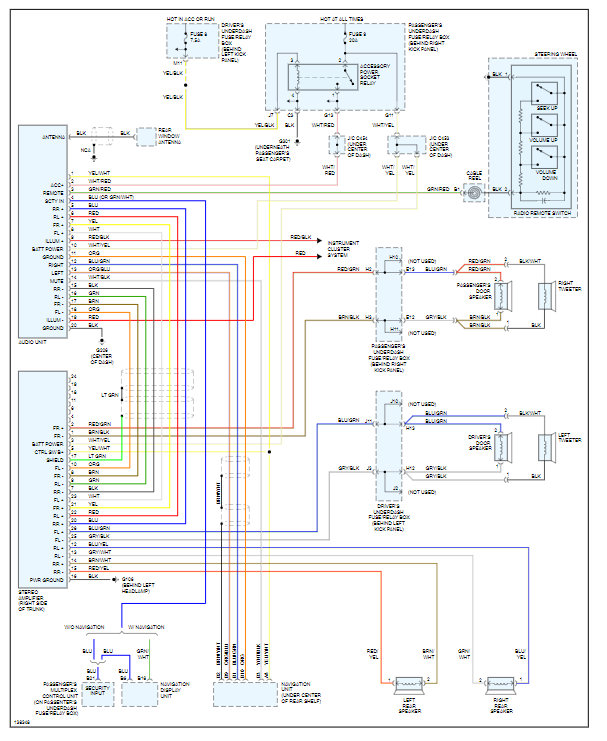
I assume you say the amp you mean the stereo amplifier? You may have to replace the amp but let's confirm this by doing the following.

If this is the case then we need to find out for sure that it is causing the draw by checking the ignition off draw and then unplug the amp to ensure the draw goes away.

If this happens then you may have a shorted component coming off the amp that is keeping the amp on. We check this by preferably de-pinning the connector one wire at a time until the draw goes away. Then you know what specific circuit it is. If this is a circuit going to a speaker then you need to unplug that speaker to see if the draw goes away.

Let me know what questions you have and we can go from there.

Thanks
Was this
answer
helpful?
Yes
No
Friday, October 16th, 2020 AT 3:33 PM

Please login or register to post a reply.