Tuesday, August 6th, 2019 AT 3:47 PM
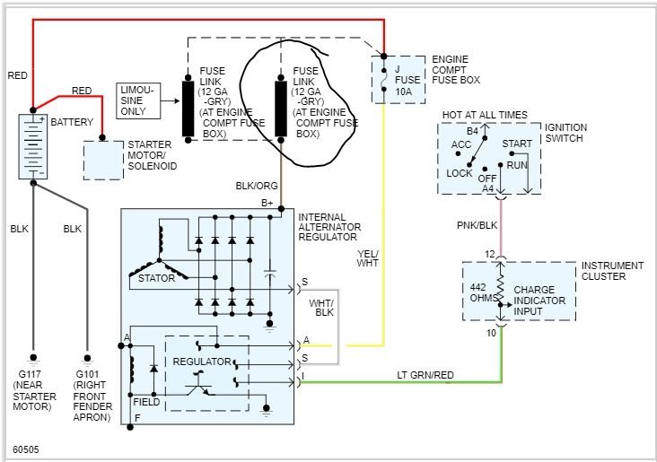
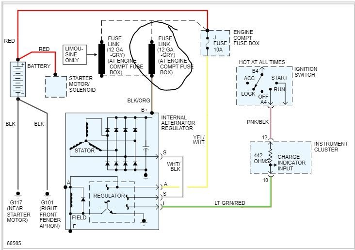
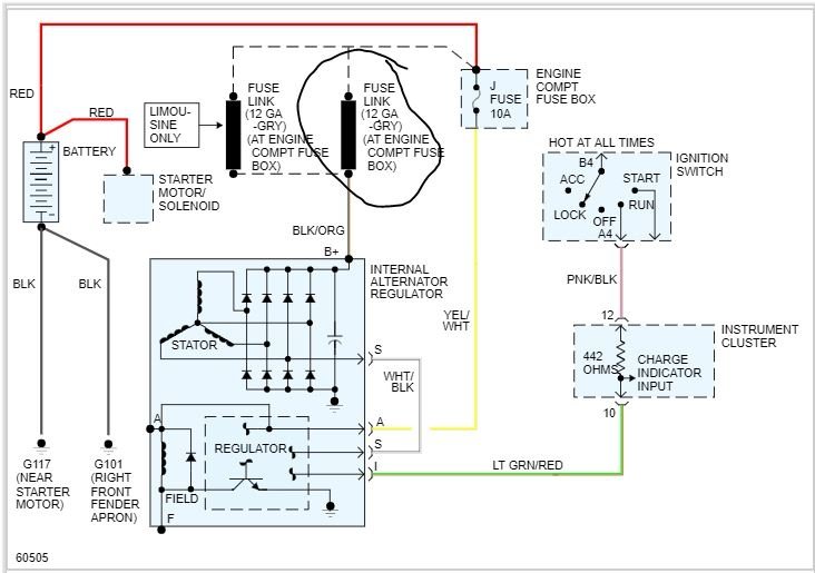
The battery isn't getting charged when the car is running. The multi-meter reads 0.0 volts at the alternator positive stud with car shut off. With car running the reading is 4.7 to 6.0 volts. I had checked the alternator a few weeks ago and was getting 14.5 volts output. I am not understanding why this is? There is a 10 amp fuse for the alternator and is not blown. Any help would be appreciated. Thank you. Randall



