Friday, July 6th, 2018 AT 12:09 PM
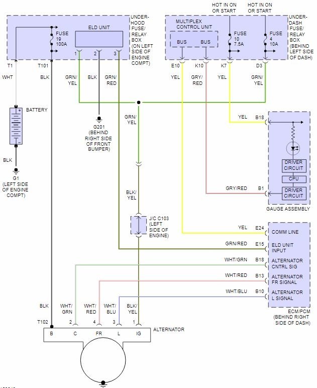
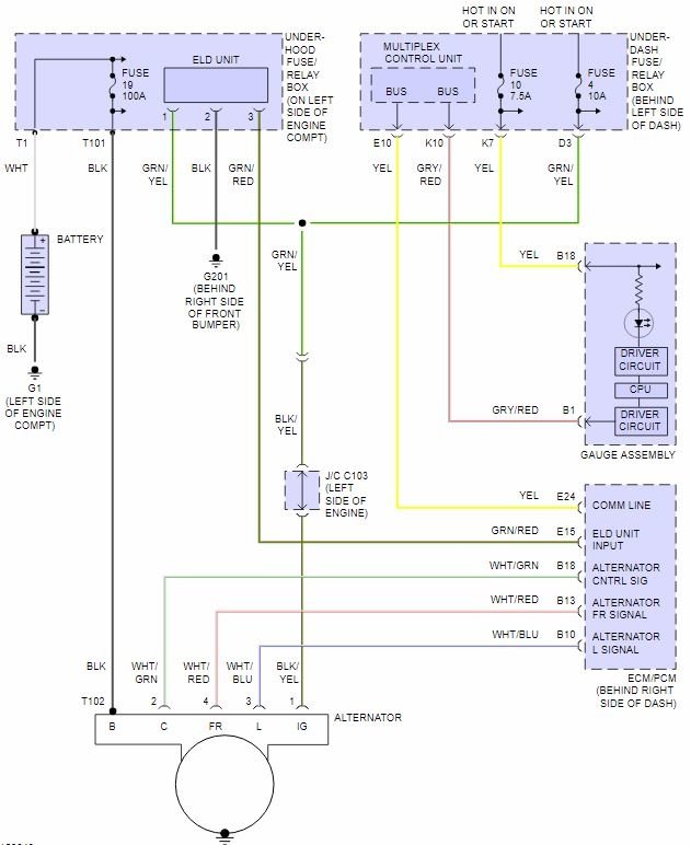
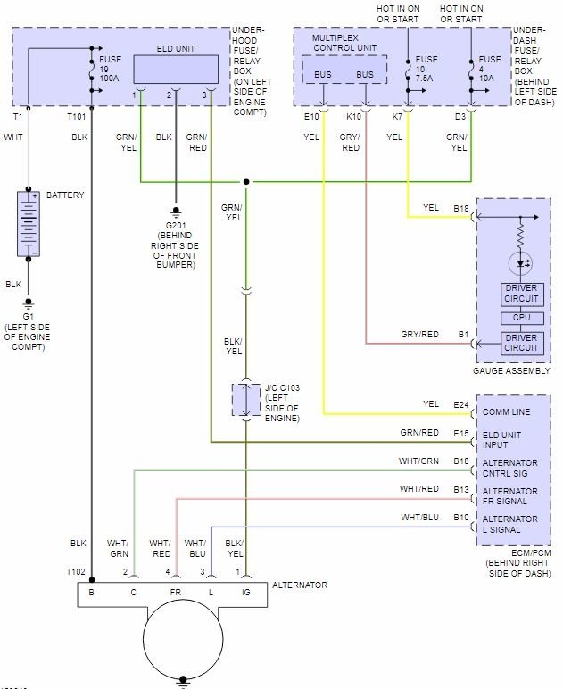
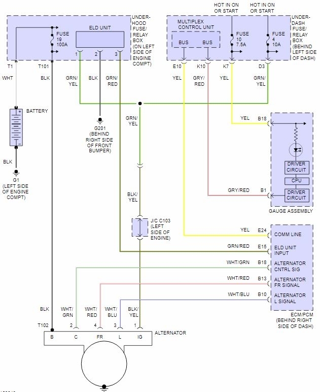
I was on the road and dash gauges went crazy - went to shop and they said battery wasn't charging and suspected alternator. Replaced alternator and battery charging but dash battery light won't turn off. We had spent 2 nights in hotel waiting for vehicle and the mechanic sent us on our way with battery light still on, because he wanted to help us save time, and he couldn't find out how to get the battery light to turn off. He said the battery is charging and alternator replaced. All seems well with car, 2 days and 700 miles later, but the battery light is still on. Can you help me with what the problem is?



