Alternator overcharging and boiling my battery

Tiny
TRADITIONS2017
  • MEMBER
  • 1999 LINCOLN TOWN CAR
  • 4.6L
  • V8
  • 2WD
  • AUTOMATIC
  • 171,432 MILES
Good morning,

I’m not sure why my brand new alternator would overcharge my battery.
I have to replace the alternator plug wiring pigtail. It was corroded, and the previous owner only had 2 of the 3 wires in the plug itself.
Could that have caused the problem?

Thank you for your time.
Wednesday, January 22nd, 2020 AT 5:54 AM

6 Replies

Tiny
ASEMASTER6371
  • MECHANIC
  • 52,796 POSTS
Good morning,

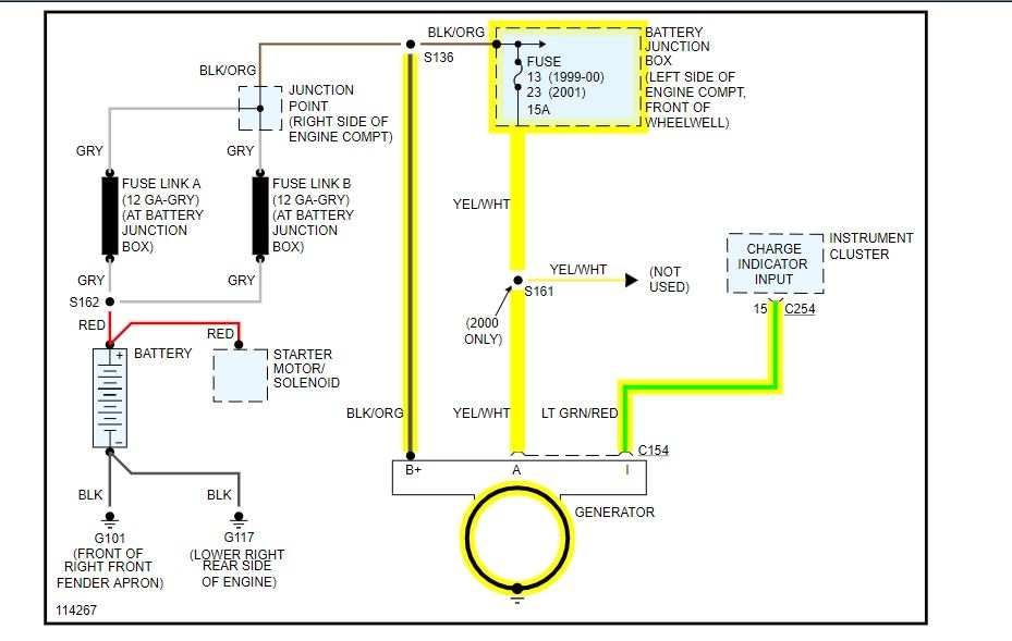
The alternator has an internal regulator. When that fails, it overcharges and will destroy the battery with it.

https://www.2carpros.com/articles/how-to-replace-an-alternator

I attached a diagram for you to view. Can you give me the voltage reading at the battery when it is running?

https://www.2carpros.com/articles/how-to-check-a-car-alternator

How do you know there were 3 wires on the connector? There are only 2 wires on the 1 connector and then there is the wire from the battery.

Can you post a picture of what you see?

Roy

REMOVAL
1. Disconnect the battery ground cable.

imageOpen In New TabZoom/Print

2. Remove the engine cover.
1 Remove the screw.
2 Push the cover forward to disengage the front clips, then lift the engine cover straight up.

imageOpen In New TabZoom/Print

3. Remove the pushpins and the wiring harness.

imageOpen In New TabZoom/Print

4. Remove the four bolts and the generator bracket.

imageOpen In New TabZoom/Print

5. Disconnect the electrical connectors.
6. Release the belt tension.

imageOpen In New TabZoom/Print

7. Release the belt from the generator (GEN).

imageOpen In New TabZoom/Print

8. Remove the generator.
1 Loosen the bolts.
2 Pull the generator straight up to remove.
Was this
answer
helpful?
Yes
No
Wednesday, January 22nd, 2020 AT 6:38 AM
Tiny
BMDOUBLE
  • MECHANIC
  • 1,139 POSTS
More than likely the yellow with white wire was deleted which tells the internal regulator the available voltage. Also be cautious of what brand of alternator you use, I've seen a lot of folks replace new "lifetime guarantee" alternators over 7 times before they get a good one! I'm not going to tell you what brand because the brand doesn't pay me to, but get the most up to date alternator that would have come on it from the factory, the price is not nice but neither is sitting on the side of the road at midnight (don't ask me how I know).
Was this
answer
helpful?
Yes
No
+1
Wednesday, January 22nd, 2020 AT 10:39 AM
Tiny
TRADITIONS2017
  • MEMBER
  • 4 POSTS
Here are a few pictures of what I’m working with.
Was this
answer
helpful?
Yes
No
Thursday, January 23rd, 2020 AT 3:42 AM
Tiny
TRADITIONS2017
  • MEMBER
  • 4 POSTS
Another.
Was this
answer
helpful?
Yes
No
Thursday, January 23rd, 2020 AT 3:44 AM
Tiny
TRADITIONS2017
  • MEMBER
  • 4 POSTS
I hope to get this resolved soon.
Was this
answer
helpful?
Yes
No
Thursday, January 23rd, 2020 AT 3:45 AM
Tiny
ASEMASTER6371
  • MECHANIC
  • 52,796 POSTS
Okay, I would replace the connector. It is called a pigtail. You can get it at a parts store. It will have the wires in it already and all you have to do is join it to the harness.

Make sure you solder and shrink wrap the wiring. Do not use butt connectors.

Make sure you replace the alternator as well.

Roy
Was this
answer
helpful?
Yes
No
Thursday, January 23rd, 2020 AT 5:10 AM

Please login or register to post a reply.