The alternator is cracked and broken, lights, gauges, power steering not working and the transmission will not shift out of park?

Tiny
DEV01
  • MEMBER
  • 2010 TOYOTA COROLLA
  • 1.8L
  • 4 CYL
  • 2WD
  • AUTOMATIC
  • 380,000 MILES
Hey there. My alternator gave out earlier today, I confirmed it was the alternator and decided to give it a tap with a hammer. It worked for a little while but then went out again. I repeated the hammer trick a few times and eventually nothing. To make a long story short and less embarrassing because usually I’m patient when it comes to mechanics, I’m moving in 2 days with my 2 kids and pregnant girlfriend, and it’s been stressful so far. But I need the car. So, this bit of added stress ended up getting better of me. I got frustrated with the situation and hit the alternator quite a few times with force. Now because of my stupid decision, my alternator is cracked and broken, my lights no longer work, my gauges don’t work, power steering is gone, and I can’t even get the car out of park. Such a stupid thing to do, and quite embarrassed for my actions but frustration got the best of me on this one unfortunately. Any help on helping me figure out if I did any harm and possibly looking at a couple photos of the mess, I made to make sure I didn’t do any further damage besides the alternator would take a load off my shoulders. Putting another alternator in it isn’t a problem, it’s the potential damage I'm worried I could have caused when I took my frustrations out on the alternator. Thanks a million.
Deven
Sunday, September 29th, 2024 AT 8:45 PM

1 Reply

Tiny
KEN L
  • MASTER CERTIFIED MECHANIC
  • 55,499 POSTS
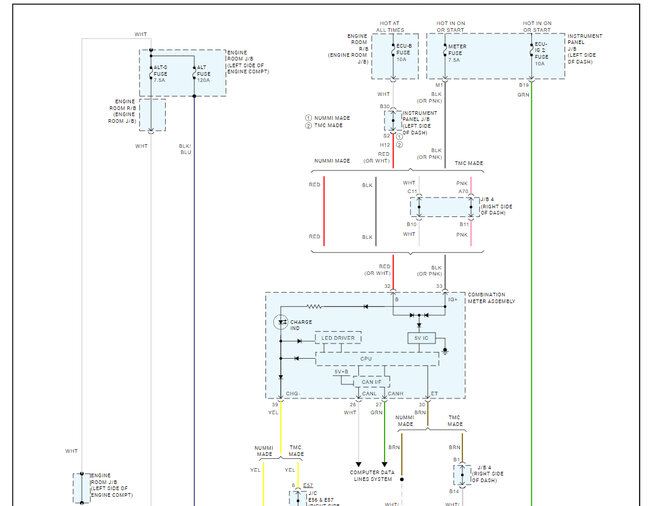
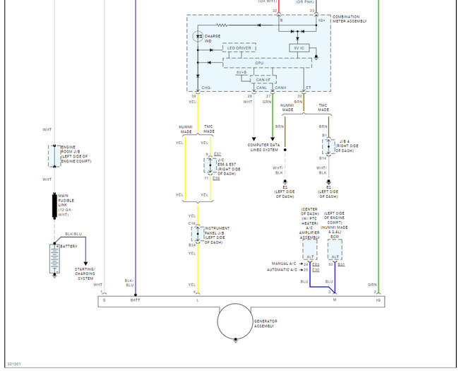
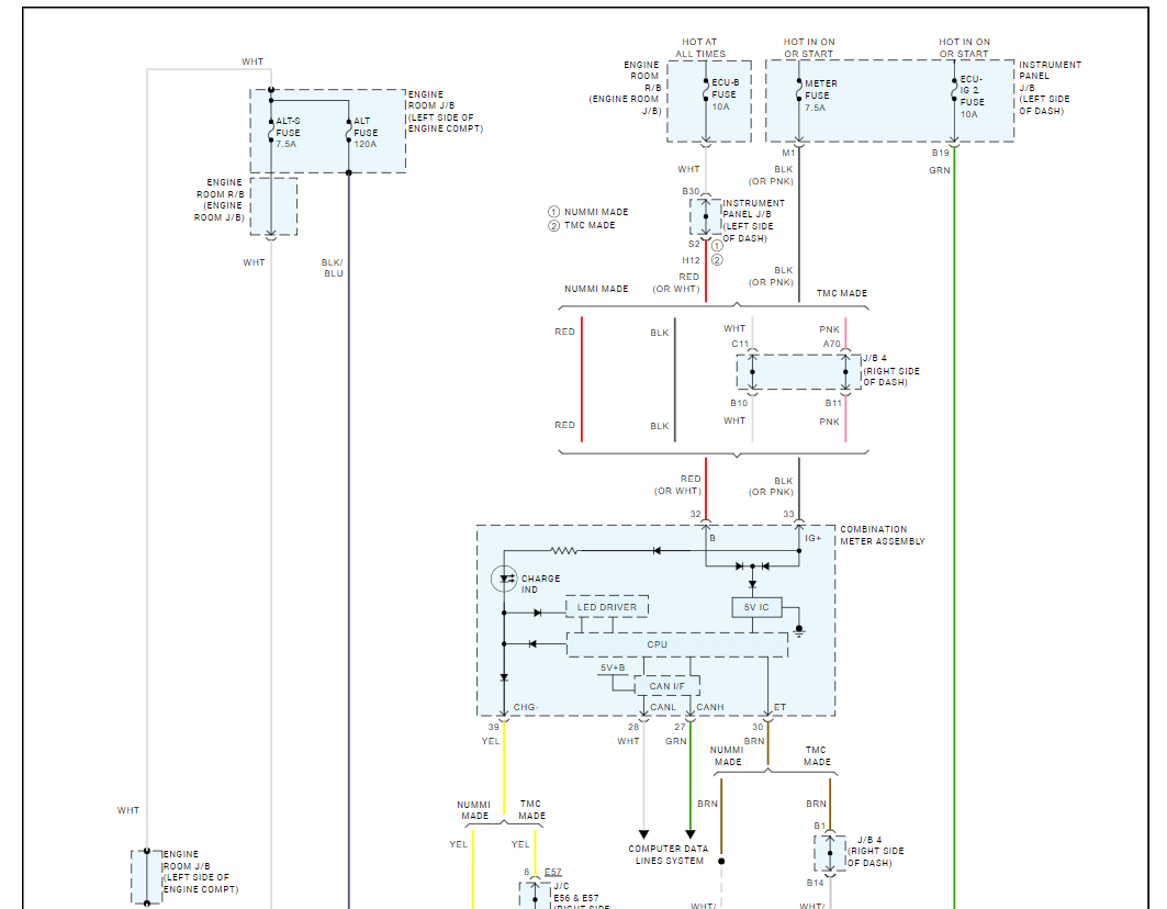
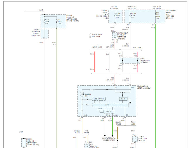
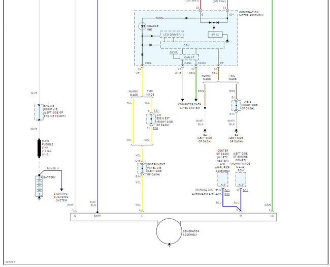
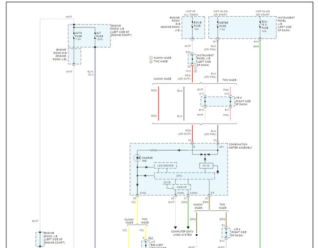
Hey Deven, no worries, you are not the first one to get frustrated with auto repair :) So when the alternator cracked it probably blew one of the main fuses in the fuse panel. Here is the location of the fuse so you can check it along with a guide to help as well.

https://www.2carpros.com/articles/how-to-check-a-car-fuse

After replacing the 100-amp alt fuse, (if blown) check the remaining fuses with the key on, I have included the alternator system wiring so you can see the other fuses that need to be checked. Check out the images (below). Please let us know what happens.
Was this
answer
helpful?
Yes
No
Tuesday, October 1st, 2024 AT 10:20 AM

Please login or register to post a reply.