Battery not charging, battery light in dash is on

Tiny
KYLE KRAMER
  • MEMBER
  • 2006 JAGUAR XJ8
  • 4.2L
  • V8
  • 2WD
  • AUTOMATIC
  • 110,336 MILES
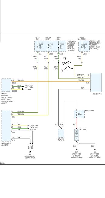
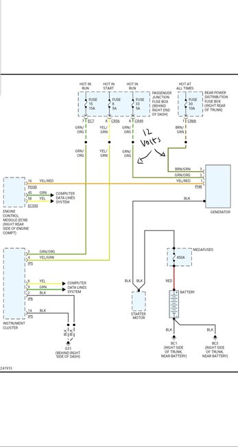
Battery is new and fully charged, alternator is rebuilt. I was not present when bench tested but have never had any problems with that shop before, installed the alternator and not charging. Pulled the plug off the back and have 12.5 volts to all 3 pins with key on. I was wondering if that is right or if I need to check the wires for a short?
Monday, August 26th, 2019 AT 1:40 PM

5 Replies

Tiny
JIS001
  • MECHANIC
  • 3,412 POSTS
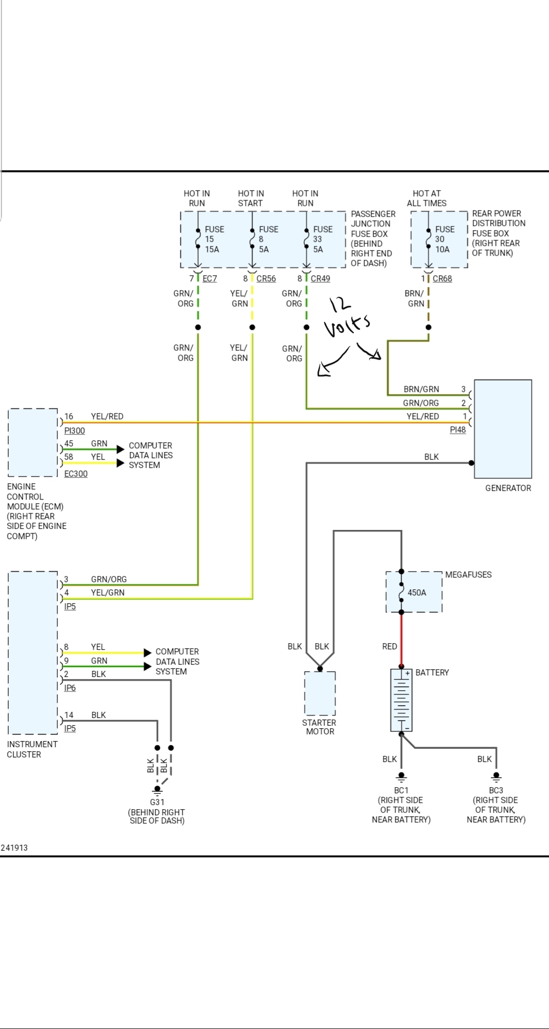
Pins #2 and #3 are suppose to have voltage to them. Pin#1 may have the 12 volts because you have it disconnected. If there is a fault with the charging system the PCM will set a fault code if it is something the computer sees as an issue. If there are fault codes for charging system faults post them on here to get an idea as to what is going.

What I would recommend you do first is a voltage drop test across the battery cables to check for high resistance. Using a digital volt meter take the positive lead and touch the positive cable terminal (note the battery post). The ground lead touch it at the alternator battery cable terminal. A good cable will measure under 1 volt.

Next take the positive lead and touch the battery ground cable terminal. The ground lead touch a good ground point like the alternator housing (the metal part) or any where in the body that has metal. A good cable will measure under 1 volt. So for example you measure the positive cable a value of 0.02 volts that is good. And on the ground cable you measure 2.4 volts then the ground cable has high resistance. Dirty terminals can do this. Sometimes the other end of the ground cable could have corrosion on the block side.

If both cables read under a volt and there is no fault codes then I recommend you buy a new alternator vs. Having the same unit rebuilt. They are not cheap but the new alternator will come with the voltage regulator built into. Some parts store brands are no good either so buy a premium brand like Remy, Delco or OE. Hope the info helps and let us know on the readings or if the premium brand alternator worked.
Was this
answer
helpful?
Yes
No
Wednesday, August 28th, 2019 AT 10:35 PM
Tiny
KYLE KRAMER
  • MEMBER
  • 7 POSTS
Had the alternator retested and it had a wire come loose on the regulator. I haven't had a chance to get it back on the car yet but your reply and diagram will be very helpful and I appreciate it! Thank you
Was this
answer
helpful?
Yes
No
+1
Friday, September 6th, 2019 AT 12:33 AM
Tiny
JIS001
  • MECHANIC
  • 3,412 POSTS
Thank you for the reply back. Let us know if that was the issue.
Was this
answer
helpful?
Yes
No
Friday, September 6th, 2019 AT 12:42 AM
Tiny
KYLE KRAMER
  • MEMBER
  • 7 POSTS
Got the alternator back on and it seems to be working fine but now I have a low coolant message and it is full and no air lock I think the sensor is reading wrong since it was dry and disconnected for about 2 weeks.
Was this
answer
helpful?
Yes
No
Friday, September 13th, 2019 AT 4:19 AM
Tiny
KEN L
  • MASTER CERTIFIED MECHANIC
  • 55,535 POSTS
Nice work, we are here to help, please use 2CarPros anytime. Please post your new question here, you must be logged in.

https://www.2carpros.com/questions/new

Cheers, Ken
Was this
answer
helpful?
Yes
No
Monday, September 16th, 2019 AT 10:56 AM

Please login or register to post a reply.