CHARGING SYSTEM WARNING INDICATOR IS ON WITH ENGINE RUNNING
Perform battery capacity test. If battery is okay, go to next step. If battery is not okay, replace battery. Recheck system for normal operation.
Measure battery voltage with ignition off and no electrical loads on. If voltage is 12 volts or more, go to next step. If voltage is less than 12 volts, recharge battery. Recheck system for normal operation.
Start engine and allow to idle. Measure battery voltage with no electrical loads on. If voltage is 13.5 volts or more go to next step. If voltage is less than 13.5 volts, go to step 5 .
Turn ignition off. Turn ignition to RUN position. Measure resistance between generator case and negative battery terminal. If resistance less than 5 ohms, go to step 6 . If resistance is more than 5 ohms, clean and tighten generator mounting, engine-to-body ground strap and ground cable. Recheck system for normal operation.
Start engine and allow to idle. Backprobe PCM and measure voltage between ground and PCM 60-pin connector PI1 terminal No. 5 (Gray/Red wire). If voltage is 12 volts or more go to next step. If voltage less than 12 volts, clean and tighten positive battery cable connections. Recheck system for normal operation.
Start engine and allow to idle. Check charge warning light with engine operating. If warning light is illuminated, go to next step. If warning light is not illuminated, go to step 1 .
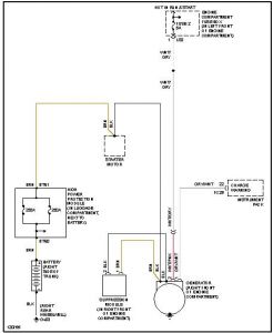
Turn ignition off. Check generator connector PI42 for damage. If generator connector is okay, go to next step. If connector is damaged, repair as necessary. Recheck system for normal operation.
Turn ignition off. Disconnect generator connector PI42. Turn ignition on. Measure voltage between ground and generator connector PI42 terminal No. 2 (Green/Blue wire). If voltage is 10 volts or more, go to next step. If voltage is less than 10 volts, repair Green/Blue wire between generator and powertrain control relay No. 2 (located in front power distribution box, next to generator). If Green/Blue wire is okay, check fuse No. 11 (15-amp) located in front power distribution box. Install a new fuse if blown. Recheck system for normal operation.
Turn ignition off. Disconnect generator connector PI42. Measure voltage between ground and generator connector PI42 terminal No. 1 (Red wire). If voltage is 10 volts or more, go to next step. If voltage is less than 10 volts, repair Red wire between generator and fuse No. 15 (5-amp) located in rear power distribution box, next to battery. Recheck system for normal operation.
Turn ignition off. Disconnect generator connector PI42. Turn ignition on. Measure voltage between ground and generator connector PI42 terminal No. 3 (Gray/Red wire). If vehicle is equipped with M/T and voltage is 10 volts or more, go to next step. If vehicle is equipped with A/T and voltage is 10 volts or more, replace generator. If voltage is less than 10 volts, repair Gray/Red wire between generator and PCM 60-pin connector PI1 terminal No. 5. Recheck system for normal operation.
If vehicle is equipped with M/T, remove generator drive belt. Check generator pulley rotation. If generator pulley and shaft does not turn freely clockwise, replace generator. Recheck system for normal operation.

Thursday, January 7th, 2010 AT 8:12 PM