Tuesday, August 1st, 2023 AT 7:23 AM
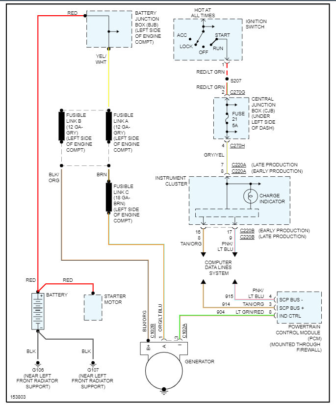
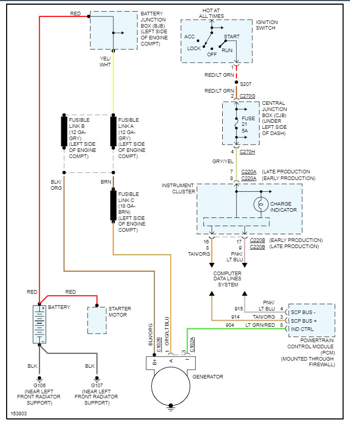
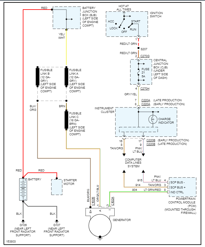
I replaced the alternator with a used one and now my idle is bad, and when the truck is off with the keys removed my battery light will stay on and run my battery down. What can I do?







