Friday, July 20th, 2018 AT 7:45 PM
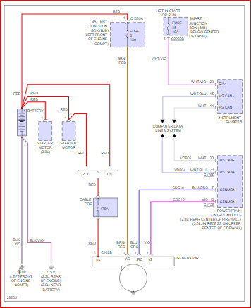
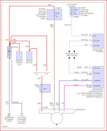
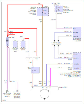
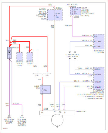
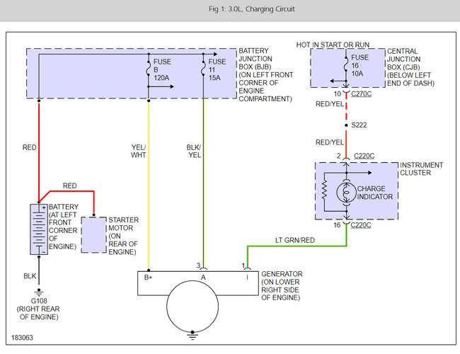
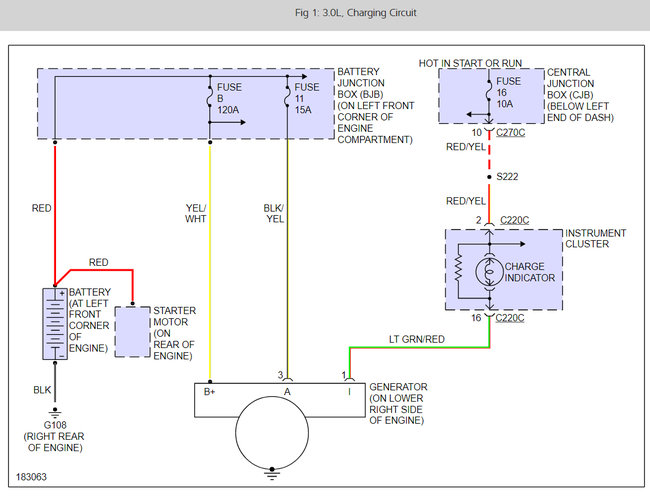
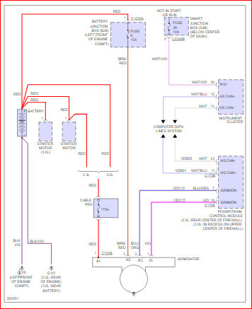
When replacing alternator it fell and pulled out two of the wires out of the 6G generator connector. The brown/red in terminal three is still there. The green/red and violet wires are the wires I need to know which terminal they go to. The brown/red goes to the battery junction block, fuse #6. I think the green/red is for the indicator light but do not know which terminal it goes to.







