Wednesday, July 28th, 2021 AT 2:42 PM
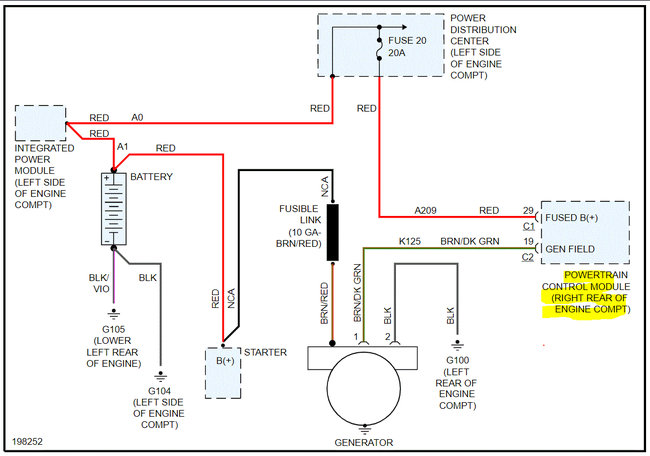
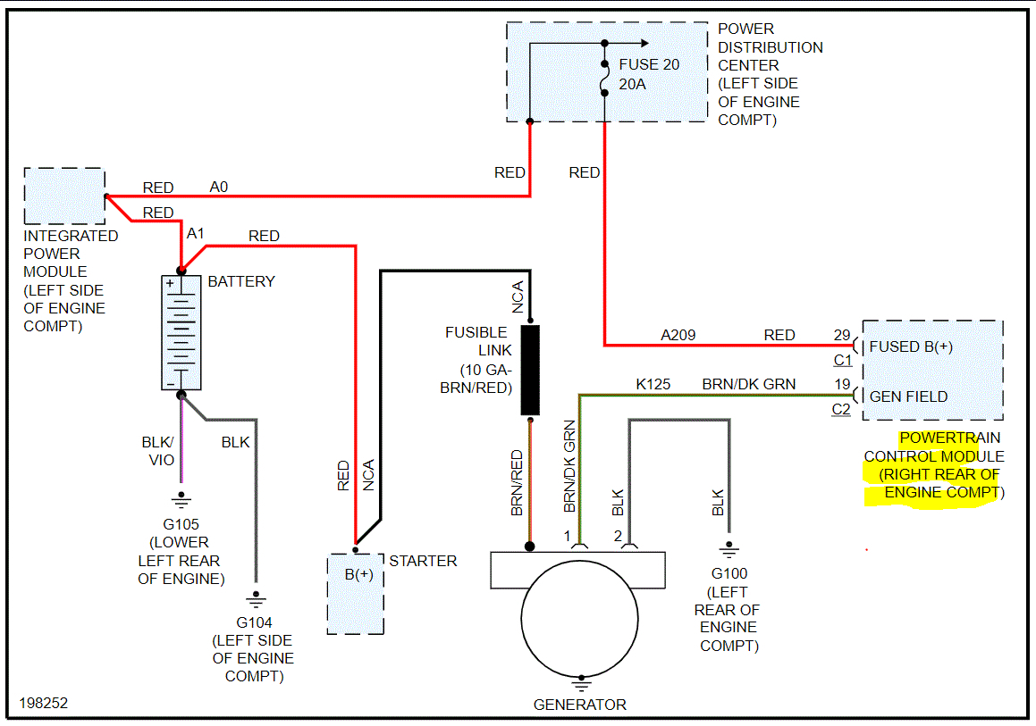
Bought a used car engine runs great drives smooth. Overheated on the way home had a bad cooling fan relay. But then the alternator started smoking and flames came out. Replaced it but checked for shorted or grounded wires first. Checked battery it will take a charge and it holds at 14v for days. Car starts but before it can heat up the alternator again smoked and flamed out again. What could the problem? The pcm contains the voltage regulator. Suspect the PCM is causing the regulator to run the alternator full bore. Any other thoughts?


