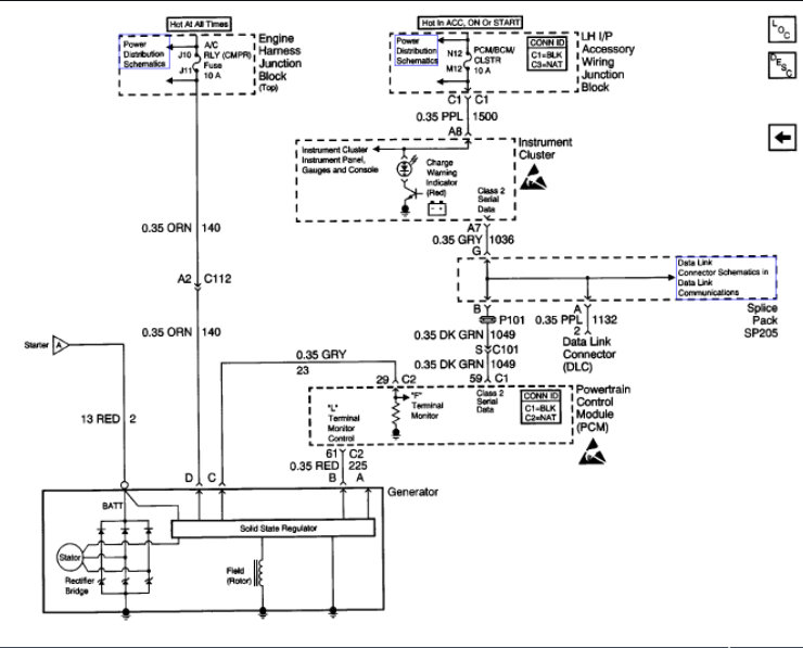
Wednesday, July 21st, 2021 AT 8:44 AM
Replaced alternator when first started fine, then a few minutes battery light comes on and battery will drain out. Also replaced battery, no change. Also only code is fan control.





