All window controls not working?

Tiny
GARY AYLETT
  • MEMBER
  • 2003 VOLKSWAGEN PASSAT
  • 1.8L
  • 4 CYL
  • 2WD
  • 120,000 MILES
Apparently blew a fuse, (but not on the fuse panel, they're all okay) where else does VW hide them
Monday, February 27th, 2023 AT 1:14 PM

1 Reply

Tiny
KEN L
  • MASTER CERTIFIED MECHANIC
  • 55,522 POSTS
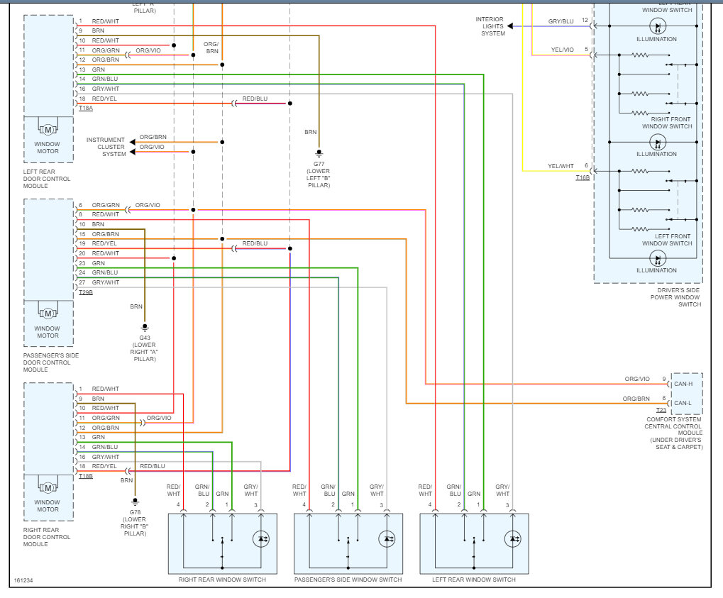
There is a circuit breaker #37 in the fuse panel on the left side of the dash and a fuse #38 as well that needs to be checked. here is the location of the fuse and circuit breaker along with a guide to help with the testing, I also have included the power window wiring diagrams so you can see how the system works.

https://www.2carpros.com/articles/how-to-check-a-car-fuse

Check out the images (below). Please let us know what happens.
Was this
answer
helpful?
Yes
No
Tuesday, February 28th, 2023 AT 9:50 AM

Please login or register to post a reply.