Sir, I have only one serious minor issue in my vehicle listed above.
The Head Unit, MID Display Unit, horn is all okay. No issues. All parts are OEM.
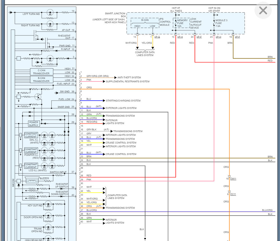
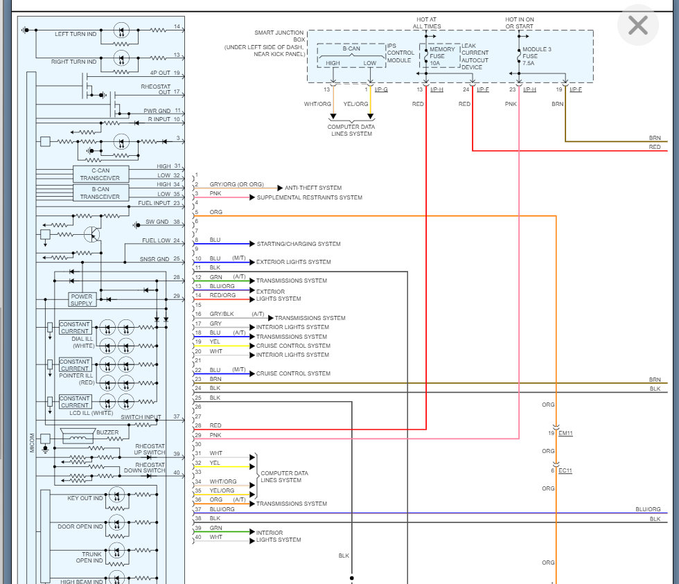
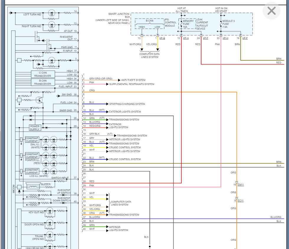
However, none of the steering button controls are functioning when the MID Display is in standby mode.
First, I have to play media either via Aux, CD or FM using the buttons on the Head Unit. Only thereafter, all steering audio controls are working as normal. Is this normal? Are the steering controls designed to work only when the first media is being played.
I have also confirmed changes in voltage to the signal input line whenever any steering buttons are pressed. This confirms the signal line is okay.
Please help to fix why buttons are not working when MID Display is in standby mode. Thanks.
Saturday, June 11th, 2022 AT 4:03 AM





